Monday, November 3rd, 2008 AT 11:32 AM
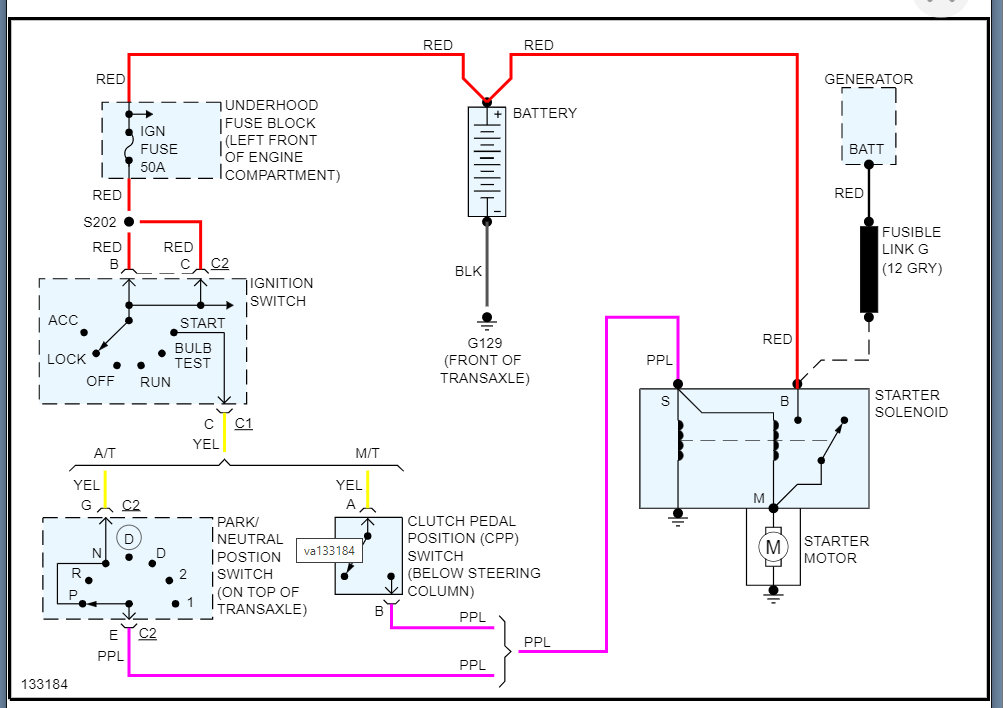
I had the starter tested and it is good. When you turn the key there is nothing. I checked the one fuse under the hood and it is good. The fuse in the cab is good. I checked to make sure the battery connections were ok. I jumped the solenoid to get the car started and I noticed that the battery light was on so I disconnected the battery and the car died. I don't know what else to look at or check. Are the charging system and starting system dependent of each other? What else could it be? Hope ya'll can help.



