Daytime Running Lights are not working

Tiny
RYANJCOTE
  • MEMBER
  • 1999 CHEVROLET CAVALIER
  • 4 CYL
  • FWD
  • AUTOMATIC
  • 139,657 MILES
I recently bought a 99 chevy cavalier coupe. Everything works nice on it except for my Daytime Running Lights (DRL). During the day, they do not work and the light on my dash does not light up or flash. And when I turn on the headlights, I have no low-beams. There is only High-beams that work. Nobody seems to have a real answer to this and I am hoping you could tell me what it is. I already changed the DRL Relay, and that did not help. Any suggestions would be greatly appreciated.
Thursday, June 5th, 2008 AT 8:27 PM

15 Replies

Tiny
WILDFIREV9
  • MEMBER
  • 49 POSTS
There is a connector under the battery box (need a mirror to see it).
It's where all (I mean ALL) the headlight wires come together.
It corrodes with battery leakage and after awhile, you got it, DRLs (and other lights), don't work or do wierd things.
Read the other posts about DRLs for a complete rundown by another mechanic (brian) that has experienced it personally and has pics to help.
Hope this helps, VIC
Was this
answer
helpful?
Yes
No
+2
Saturday, June 7th, 2008 AT 4:07 AM
Tiny
JSCHREFF
  • MEMBER
  • 6 POSTS
  • 1999 CHEVROLET CAVALIER
  • 4 CYL
  • FWD
  • AUTOMATIC
  • 132,000 MILES
I have a 99 Chevy Cavalier 2.2 EFI, when I turn the car on the Daytime Running Lights do not come on automatically. The DRL Light just blinks on and off until I turn on the headlights manually. Then it stops. I failed inspection because of this and I need to fix it. They use to work fine until I got a new engine installed. Now they don't work. Not sure where to start or what to check. Any help would be appreciated.
Was this
answer
helpful?
Yes
No
Monday, January 13th, 2020 AT 9:13 PM (Merged)
Tiny
LEGITIMATE007
  • MECHANIC
  • 5,121 POSTS
Check fuses/relays, several items can be on one ground so if something else electrical doesnt work, then it may cause your running lights not to work. else not to work too. Did you check the alternator ? here is a guide

https://www.2carpros.com/articles/how-to-check-a-car-alternator
Was this
answer
helpful?
Yes
No
-2
Monday, January 13th, 2020 AT 9:13 PM (Merged)
Tiny
BLINDWORLD
  • MEMBER
  • 2 POSTS
  • 1998 CHEVROLET CAVALIER
  • 143,000 MILES
I recently bought the car, and it has been running Great, on my way home from work tonight, the Low Coolant, Oil Light, Seatbelt lights came on, my radio cut off, and the dash lights dimmed, also my temp gauge stopped working. Shortly after I noticed my Daytime headlights were not working either. The car still runs great while all this is going on, and it doesnt do it, when the car is sitting still (idle'n) I searched alot of the posts on this site and others, and a common answer is, take it to the local parts house, and have them hook it up, but that wont work, as all the dash lights dont come on, when the car is sitting. I can tell u that, all the lights work, and up until now, the car has gave us no issues. The lights will go off for a brief time, and the radio/temp gauge will start working. But it a constant cycle of on and off. Can someone tell me what is going on? And why it so suddenly started acting up?
Was this
answer
helpful?
Yes
No
Monday, January 13th, 2020 AT 9:14 PM (Merged)
Tiny
CARADIODOC
  • MECHANIC
  • 34,468 POSTS
First lets clear up a common misconception. You want to have the diagnostic fault codes read but "the dash lights dont come on". Fault codes are stored in the Engine Computer even if the Check Engine light goes off. The light does not have to be on for the codes to be read. In fact, there are well over a thousand potential fault codes that can be set, and only about half of them relate to something that could have an adverse affect on emissions. Those are the only codes that have to turn the light on. There can be codes in memory that you never know about if the light doesn't come on.

The Check Engine light is the only light that relates to fault codes. All of the other symptoms you mentioned suggest a charging system problem. Since GM redesigned their generators for the '87 model year they have had a huge problem with repeat failures. They develop voltage spikes that can destroy the internal diodes and voltage regulator. When one of the six diodes fails you will only be able to get exactly one third of its design current rating, and that is not enough to meet the demands of the electrical system under all conditions. When the battery has to make up the difference the voltage will drop as it becomes discharged. Your car has a lot of computers on it and they are very intolerant of low voltage. They'll do weird things including shutting down and turning on warning lights.

Most of the time with a bad diode the charging voltage will be close to normal so that can't be used as a test. You need to have the generator professionally load-tested on the car. If "ripple" is very high and the most current it will develop is around 30 amps for the common 90 amp unit, have the generator replaced.

It is common to go through four to six generators in the life of the car. To prevent those repeat failures replace the battery at the same time unless it is less than about two years old. As they age they lose their ability to dampen and absorb those voltage spikes.
Was this
answer
helpful?
Yes
No
Monday, January 13th, 2020 AT 9:14 PM (Merged)
Tiny
BLINDWORLD
  • MEMBER
  • 2 POSTS
Okay. Would I need to take it to a parts house, or another shop? I need it fixed as its a everyday driver. And it runs great, and shows no problems when stopped or just idle. Ive had the car for several months. The belt was also squeaking, I replaced the belt and it stopped for a day or 2. Now it squeaks again. I mention this because someone else said the belt could be slipping and causing the issue. And thanks alot for your reply to my issue
Was this
answer
helpful?
Yes
No
Monday, January 13th, 2020 AT 9:14 PM (Merged)
Tiny
CARADIODOC
  • MECHANIC
  • 34,468 POSTS
A slipping belt will do the same thing as the bad diode I mentioned, only in a different way. Three things are needed to generate a current mechanically, (in a generator). They are a magnet, (electromagnet, in this case), a coil of wire, and most importantly, movement between the two of them. That's where the belt comes in and it is why all generators are less efficient at lower speeds. If the belt slips there won't be enough movement so the generator will be unable to produce its full current.

With a bad diode, two thirds of the output circuits are dead and that will also reduce output current.

A parts store can usually read any fault codes for you but they can't do the charging system load-test. Some of them have test benches to test generators if you bring them in but those only show if it's working to some extent, not to its full capacity. A generator under full load takes over five horsepower to run. The puny electric motors in test benches are less than one horsepower. To be able to run a generator under full load the pulleys are geared down a lot and that reduces the generators speed so again, it can't produce its full output. To be accurate, testing has to be done on the car, and the procedure always includes raising engine speed to 2000 rpm.

You might try checking at a Sears Auto Center. In the '80s they did the full battery, charging, and starter tests for five bucks.

Depending on which engine you have there are different ways the belt is tensioned. Unlike the older V-belts, the flat serpentine belts rarely slip due to excessive wear. Most commonly they slip due to a weak or rusted spring-loaded tensioner pulley. If you tug on the belt and see the pulley move, then spring back and hold the belt tight, the squeal would be caused by a misaligned pulley. Again, unlike the V-belts, these flat ones are absolutely not forgiving in the least with a pulley that is tipped or turned. When a pulley is tipped it makes the belt slide across it as it goes around it. 1/16" is more than enough to set up a horrendous squeal.

If the belt feels loose or the tensioner pulley doesn't take up the slack properly, that can cause the squeal and low generator output. Get that taken care of before the charging system is tested.
Was this
answer
helpful?
Yes
No
Monday, January 13th, 2020 AT 9:14 PM (Merged)
Tiny
SHORTGUY
  • MEMBER
  • 1 POST
  • 1998 CHEVROLET CAVALIER
  • 4 CYL
  • FWD
  • AUTOMATIC
  • 89,000 MILES
Datime running lights and low beams quit working have replaced the relay , the switch on the column, checked for breaks and corrosion on all wires, replced both bulbs they still wont work . I was told by a service tech that there is a resistor located under the dash but he couldnt tell me where. If anyone has had this same problem and has info on the fix please let me know 1998 chevy cavalier
Was this
answer
helpful?
Yes
No
Monday, January 13th, 2020 AT 9:14 PM (Merged)
Tiny
PERRY DANCAUSE
  • MEMBER
  • 1 POST
Had similar problem with 1999. Low beams worked
all would quit when high beams selected.
Found a relay up front. It is between the headlights
forward of the rad. There are two relays in that harness one is for fog lights I think the other is called isolation relay. Changed it and life is good!
Was this
answer
helpful?
Yes
No
-1
Monday, January 13th, 2020 AT 9:14 PM (Merged)
Tiny
EVELRIDE
  • MEMBER
  • 5 POSTS
  • 1998 CHEVROLET CAVALIER
How can I tell if the DRL relay needs to be replaced?
Was this
answer
helpful?
Yes
No
-1
Monday, January 13th, 2020 AT 9:14 PM (Merged)
Tiny
JDL
  • MECHANIC
  • 16,098 POSTS
Are you having a problem with drl lamps? Some of the relays in the fuse box may be the same, check them out, if the same, swap relays, just for testing, see if problem goes away. If nothing changes, the problem isn't the relay.
Was this
answer
helpful?
Yes
No
Monday, January 13th, 2020 AT 9:14 PM (Merged)
Tiny
SLFALCO
  • MEMBER
  • 4 POSTS
  • 1996 CHEVROLET CAVALIER
Hello,
96 Cavalier LS 4-dr sedan, 2.2L automatic.
Daytime Running Lights do not work, there is a symbol that looks like a little headlight that constantly flashes when the DRL should be on. I checked the headlight bulbs (all good), and the low and high beams work normally. I also replaced a relay in front of the radiator that controls the DRL, no help. Not sure what else to check for, any help appreciated. I have a repair manual that shows a wiring diagram, with something called a BCM (body control module) producing a signal to activate the DRL, yet someone told me this year Cavalier does not have one?
Was this
answer
helpful?
Yes
No
-1
Monday, January 13th, 2020 AT 9:14 PM (Merged)
Tiny
RASMATAZ
  • MECHANIC
  • 75,992 POSTS
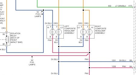
No BCM it has its on microprocessor see below EWD how the DRL is wired in the electrical system.


https://www.2carpros.com/forum/automotive_pictures/12900_1996_Cavalier_DRL_1.jpg



www. .com
Was this
answer
helpful?
Yes
No
Monday, January 13th, 2020 AT 9:14 PM (Merged)
Tiny
SLFALCO
  • MEMBER
  • 4 POSTS
Thanks, but I cannot read this picture, it is too tiny... Do I have to pay to see the full size one?

Maybe this will help a little-if not comeback I'll get someone that knows computer magic

ATTN: Steve, Mike,Paul-anybody if you're watching blow it up-


https://www.2carpros.com/forum/automotive_pictures/12900_DRL7_1.jpg




https://www.2carpros.com/forum/automotive_pictures/12900_DRL_1_1.jpg



https://www.2carpros.com/forum/automotive_pictures/12900_DRL2A_1.jpg



https://www.2carpros.com/forum/automotive_pictures/12900_DRL4_1.jpg



https://www.2carpros.com/forum/automotive_pictures/12900_DRL5_1.jpg

Was this
answer
helpful?
Yes
No
-1
Monday, January 13th, 2020 AT 9:14 PM (Merged)
Tiny
SLFALCO
  • MEMBER
  • 4 POSTS
I found (using the wiring diagram) that there was an open wire for the DRL signal from the instrument panel down to the relay. Rather than mess with trying to find the problem (it was not at the two connectors), I ran a separate wire, splicing it into the connectors (after cutting the original wires about an inch from each connectors). Problem solved.
Was this
answer
helpful?
Yes
No
-1
Monday, January 13th, 2020 AT 9:14 PM (Merged)

Please login or register to post a reply.