Carburetor replacement

Tiny
JASON28
  • MEMBER
  • 1986 CHEVROLET CAPRICE
  • V8
  • 2WD
  • AUTOMATIC
  • 67,000 MILES
I need to know how to replace my carburetor?
Thursday, September 17th, 2009 AT 9:02 PM

1 Reply

Tiny
SQM
  • MECHANIC
  • 6,383 POSTS
Hello,

To remove the carburetor first you will have to get the air filter and housing out.
Then remover the fuel line using a line wrench.
The detach the linkage from the carburetor.
Then remove the mounting bolt to take it out.

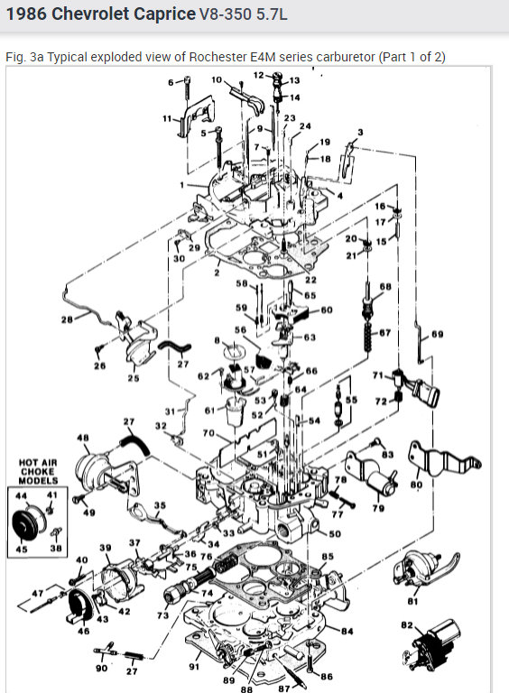
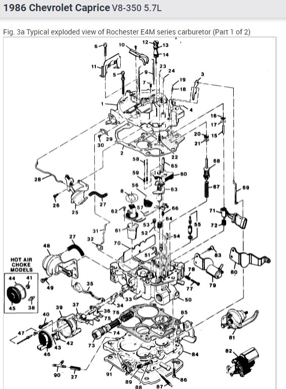
I have included the carburetor disassembly and re assembly procedure below.

Please let me now of any questions.
Thank you.

https://www.youtube.com/c/2carpros/featured
Was this
answer
helpful?
Yes
No
Tuesday, September 21st, 2021 AT 10:01 PM

Please login or register to post a reply.