I can't find the knock sensors

Tiny
NUMPY05
  • MEMBER
  • 2001 CHEVROLET BLAZER
  • 6 CYL
  • 4WD
  • AUTOMATIC
  • 170,000 MILES
I can't find the knock sensors I know they should be under the head but I don't see them
Wednesday, January 20th, 2010 AT 5:48 PM

19 Replies

Tiny
BLUELIGHTNIN6
  • MECHANIC
  • 16,542 POSTS
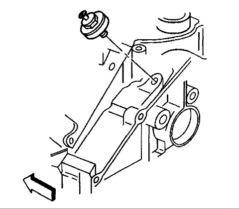
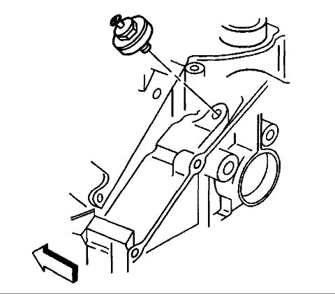
The knock sensor (KS, only one of them) for the 4.3L engine is located on the top rear of engine, pic below..


https://www.2carpros.com/forum/automotive_pictures/261618_Graphic_272.jpg

Was this
answer
helpful?
Yes
No
+13
Thursday, June 15th, 2017 AT 12:37 PM
Tiny
CQUELETTE
  • MEMBER
  • 1 POST
  • 2001 CHEVROLET BLAZER
  • 6 CYL
  • 2WD
  • MANUAL
  • 130,000 MILES
My knock sensor is throwing a check engine light and I have no idea where it is located. Can you help
Was this
answer
helpful?
Yes
No
+2
Friday, January 29th, 2021 AT 10:30 AM (Merged)
Tiny
RASMATAZ
  • MECHANIC
  • 75,992 POSTS


https://www.2carpros.com/forum/automotive_pictures/12900_ks_23.jpg

Was this
answer
helpful?
Yes
No
+10
Friday, January 29th, 2021 AT 10:30 AM (Merged)
Tiny
R. DRAIN
  • MEMBER
  • 1 POST
  • 2000 CHEVROLET BLAZER
Engine Mechanical problem 6 cyl Four Wheel Drive Automatic 104, 00 miles

I need the location of the knock sensor can you please tell me?
Was this
answer
helpful?
Yes
No
Friday, January 29th, 2021 AT 10:31 AM (Merged)
Tiny
KEN L
  • MASTER CERTIFIED MECHANIC
  • 55,469 POSTS
Hello,

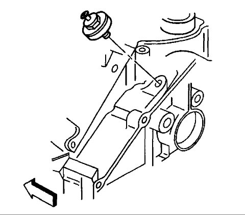
The knock sensor is located at the rear of the block near the firewall at the transmission flange. Here is a diagram (below) to help you see where it is. Please let us know if you need anything else to get the problem fixed.
Was this
answer
helpful?
Yes
No
+4
Friday, January 29th, 2021 AT 10:31 AM (Merged)
Tiny
GFUNARO
  • MEMBER
  • 1 POST
  • 1998 CHEVROLET BLAZER
I am trying to locate the knock sensors for a 98 chevy blazer with a v6 engine. I cannot find them anywhere! I looked all over the block and around the starter. The book says " located in engine block. One under left bank cylinder head, and one under right bank cylinder head." Please help.
Was this
answer
helpful?
Yes
No
Friday, January 29th, 2021 AT 10:31 AM (Merged)
Tiny
MIKEYBDMAN
  • MECHANIC
  • 623 POSTS
No wonder. Approach the engine from the left side, and look under the distributer. It appears to be located just forward of the transmission bellhousing, and just on the left side of top of the engine block. It is aft of the left head, and almost looks like it is right on the flange of the engine to tranny mount.
Was this
answer
helpful?
Yes
No
+2
Friday, January 29th, 2021 AT 10:31 AM (Merged)
Tiny
MIKE420
  • MEMBER
  • 13 POSTS
  • 1997 CHEVROLET BLAZER
  • 6 CYL
  • 4WD
  • AUTOMATIC
  • 175,000 MILES
Where is the knock sensor located?
Was this
answer
helpful?
Yes
No
Friday, January 29th, 2021 AT 10:31 AM (Merged)
Tiny
DOCHAGERTY
  • MECHANIC
  • 9,603 POSTS
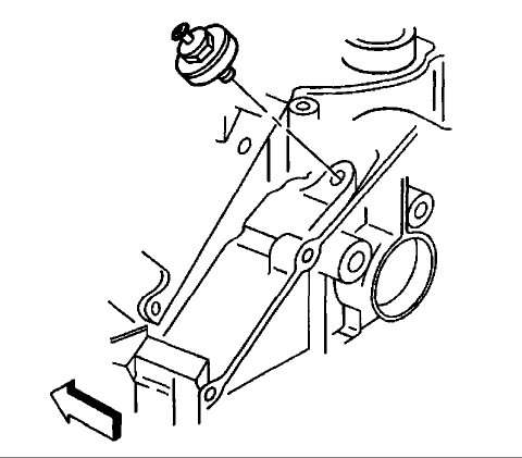
At the top rear of the engine, behind/below distributor.

See the guide below for an idea of what you are in for

https://www.2carpros.com/articles/how-a-knock-sensor-works

Vehicle specific instructions/diagrams are attached below
Was this
answer
helpful?
Yes
No
+1
Friday, January 29th, 2021 AT 10:31 AM (Merged)
Tiny
REPAIRMAN1
  • MEMBER
  • 1 POST
  • 1996 CHEVROLET BLAZER
Engine Mechanical problem
1996 Chevy Blazer 4.3L 6 cyl Four Wheel Drive Automatic

Where Will I Find The Knock Sensor?
Was this
answer
helpful?
Yes
No
Friday, January 29th, 2021 AT 10:31 AM (Merged)
Tiny
JDL
  • MECHANIC
  • 16,098 POSTS
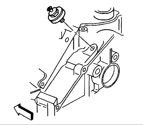
Check out the diagrams (Below). Please let us know if you need anything else to get the problem fixed.


https://www.2carpros.com/forum/automotive_pictures/170934_knock_sensor_1.jpg



Looks like rear of engine, two wire connector.
Was this
answer
helpful?
Yes
No
-1
Friday, January 29th, 2021 AT 10:31 AM (Merged)
Tiny
KNOCK SENSOR
  • MEMBER
  • 1 POST
  • 1994 CHEVROLET BLAZER
  • 6 CYL
  • 4WD
  • AUTOMATIC
  • 123,000 MILES
I went to auto zone to put have my blazer checked for my :engine soon light was on: the gentlemen read three codes 1 egr was bad then my knock sensor was bad but as im driving ive never heard knocking is there something else im missing? I need help ty
Was this
answer
helpful?
Yes
No
+1
Friday, January 29th, 2021 AT 10:32 AM (Merged)
Tiny
BLACKOP555
  • MECHANIC
  • 10,386 POSTS
Can you get the exact codes for me? They may not be bad.

A knock sensor is a piezo type sensor that senses engine detonation and then changes ignition timing to prevent damage to the cylinders.

You wont hear a knocking sound necessarly, probably only when going up a steep hill.
Was this
answer
helpful?
Yes
No
Friday, January 29th, 2021 AT 10:32 AM (Merged)
Tiny
JSPEED76
  • MEMBER
  • 2 POSTS
  • 1994 CHEVROLET BLAZER
Engine Performance problem
1994 Chevy Blazer 6 cyl Four Wheel Drive Automatic 135xxx miles

where are the knock sensors located at on my blazer? I was told just above the oil pan on either side, is this correct?
Was this
answer
helpful?
Yes
No
Friday, January 29th, 2021 AT 10:32 AM (Merged)
Tiny
MERLIN2021
  • MECHANIC
  • 17,250 POSTS
I will assume if it's a six, it's an s10 blazer? There are several location depending on your VIN here's the list.
K1500 full size is different!


https://www.2carpros.com/forum/automotive_pictures/62217_BlazKnock_1.jpg



https://www.2carpros.com/forum/automotive_pictures/62217_Bla_1.jpg


At J1 and J2
Was this
answer
helpful?
Yes
No
Friday, January 29th, 2021 AT 10:32 AM (Merged)
Tiny
JSPEED76
  • MEMBER
  • 2 POSTS
It is a 1994 s10 blazer tahoe lt 4.3 vortech. The diagram you put up looks right, I def have one where J2 is but I can't seem to find the other one. And is there anything I should know about the replacement?
Was this
answer
helpful?
Yes
No
-1
Friday, January 29th, 2021 AT 10:32 AM (Merged)
Tiny
MERLIN2021
  • MECHANIC
  • 17,250 POSTS
Do you have a scan tool that reads sensor data? If yes, start the truck, attache scanner, tap on head near the knock sensor, look for change in the way the graph or line representing the sensor looks, also check for timing to retard a bit when you tap, if these happen, the sensor is OK! As far as location I only posted what I found, havent replaced too many of them!
Was this
answer
helpful?
Yes
No
Friday, January 29th, 2021 AT 10:32 AM (Merged)
Tiny
SHAWN BROWN
  • MEMBER
  • 1 POST
I have a 1996 Chevy blazer 4wheel drive 2door where is my knock sensor located at can some send a picture of it please. And is it easy to change my self. Please help
Was this
answer
helpful?
Yes
No
Friday, January 29th, 2021 AT 10:32 AM (Merged)
Tiny
STEVE W.
  • MECHANIC
  • 15,694 POSTS
It's on the rear of the engine, Screws into the block between the distributor and the drivers side cylinder head. Very easy to replace BUT how have you tested it to be sure it's faulty and not the wiring? Code?
Was this
answer
helpful?
Yes
No
+2
Friday, January 29th, 2021 AT 10:32 AM (Merged)

Please login or register to post a reply.