Shifter will not shift out of park

Tiny
NOTCARSMART
  • MEMBER
  • 2004 CHEVROLET AVEO
  • 4 CYL
  • FWD
  • AUTOMATIC
  • 55,000 MILES
My car has two problems that I think are connected. First; all of my back brake lights do not work, this happened all at once. Second; my car does not register that I have pushed down on the brake pedal so it does not shift out of park unless I push a key into the shift lock release slot on the gear box. This started about a month ago. When I do push down and try to shift it, it just makes a clicking sound on the steering column. Any suggestions on what it could be? Possibly fuses?
Sunday, March 23rd, 2008 AT 4:20 PM

3 Replies

Tiny
LUCKINS
  • MEMBER
  • 4 POSTS
Hi! First of all, you probably have two different problems. I had about 58,900 miles on my 2004 Aveo when my brake interlock shift solenoid went out. Unfortunately, this was no longer under warranty, but it' is not an expensive repair. The other problem might be related to a fuse or bad bulbs going out.
Was this
answer
helpful?
Yes
No
-1
Thursday, March 27th, 2008 AT 9:50 PM
Tiny
STAN BARTLETT
  • MEMBER
  • 1 POST
I have the same issue with my 2006 Aveo. I have replaced that stupid $13.00 brake relay switch, that is under the dash, about thirteen times! I am now getting the 'service engine light ' coming on. I had it coded, yesterday, when it came on again, and it is came up as a short in the brake relay switch. I was told this by my mechanic about eight months ago, when I had my timing belt/water pump replaced, (it has very low miles, but it is a 2006 car). He said the shifter will not shift out of park because there is a short someplace in the brake system!

But it only takes a few minutes to find it and fix it. But I was still getting brake lights. But now I have no brake lights at all, and the shifter will not get out of park. I use the emergency hole next to it, to release the shifter.
I am taking it in tomorrow to be fixed, I hope it is a cheap fix, I am told it is, a cheap fix, it is just a short in a wire someplace.
Well it is now bringing up the 'service engine light'. So it must be a big short now. I have turn signals and the 'emergency lights', work, you know, if you press the red button on the dash. So, I am hoping for a cheap fix. Tired of using that emergency release hole and now that I know I have no brake lights, I do not want a ticket! But I have replaced that brake relay switch over thirteen times, and my mechanic told me he has replaced that switch only one time in his life as a mechanic. It is always a short, easy to fix. So I have wasted a lot of money on that $13.00 relay switch!
Was this
answer
helpful?
Yes
No
+1
Tuesday, April 24th, 2018 AT 9:04 PM
Tiny
KEN L
  • MASTER CERTIFIED MECHANIC
  • 55,488 POSTS
Hello,

It sounds like a wiring problem. Here is a guide to help you check the wiring:

https://www.2carpros.com/articles/how-to-check-wiring

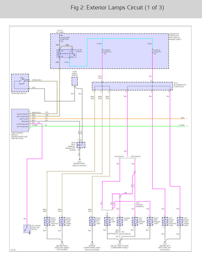
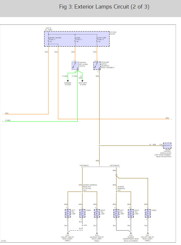
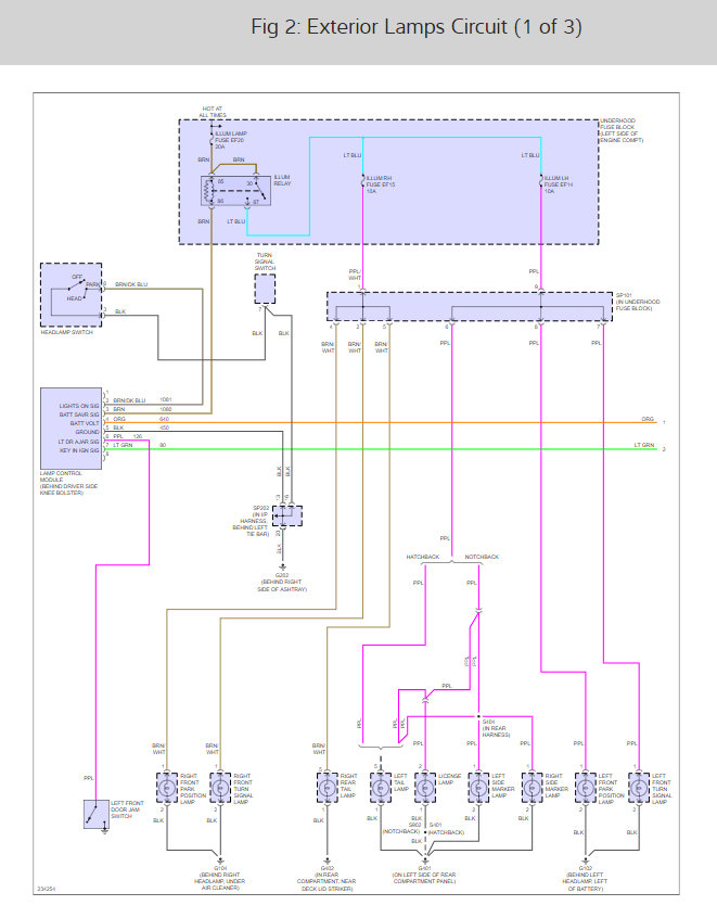
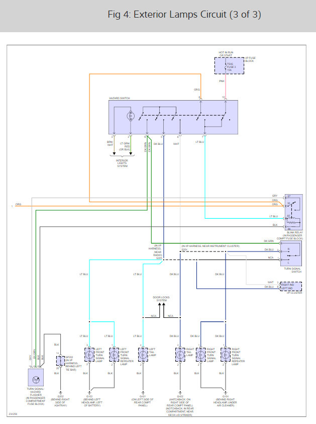
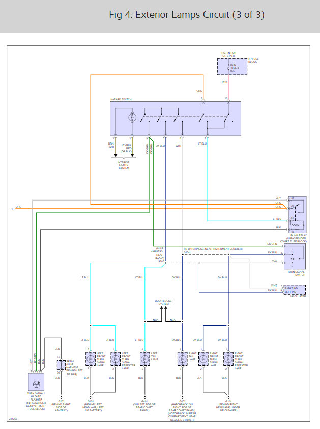
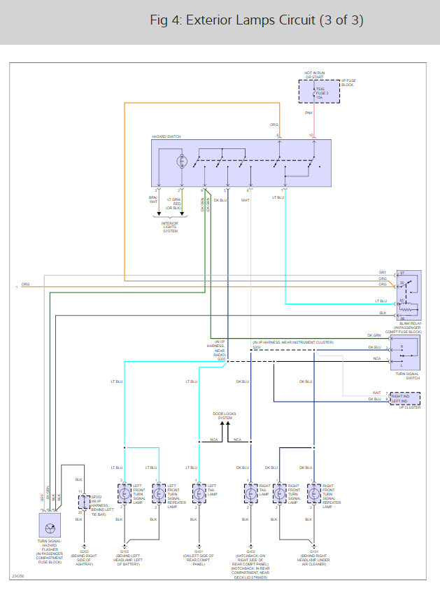
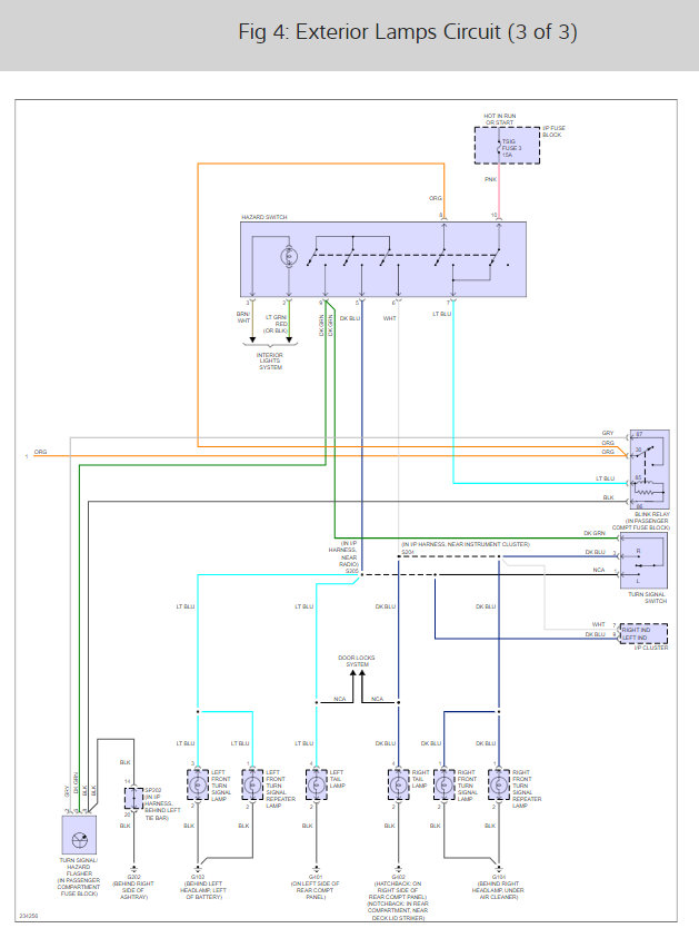
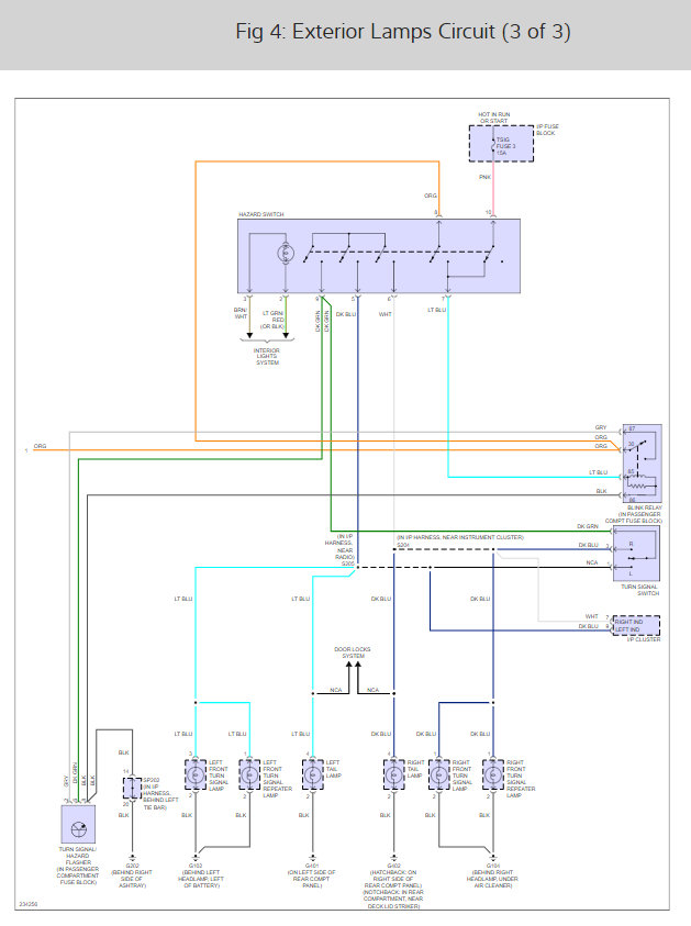
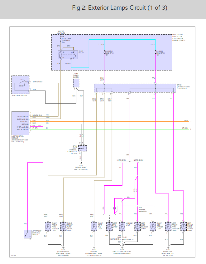
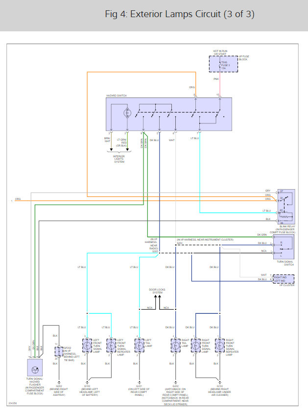
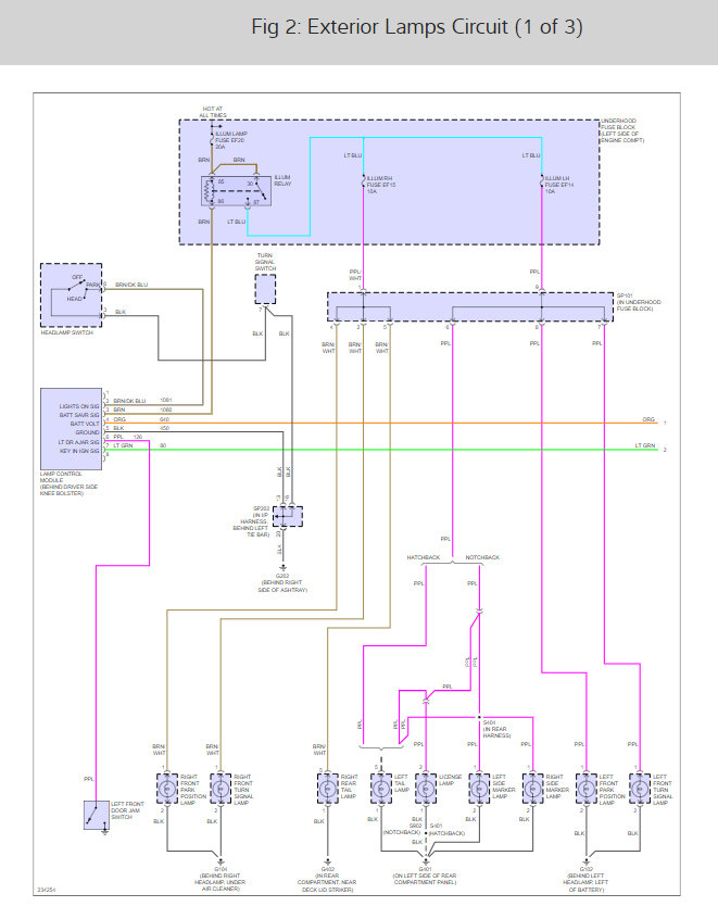
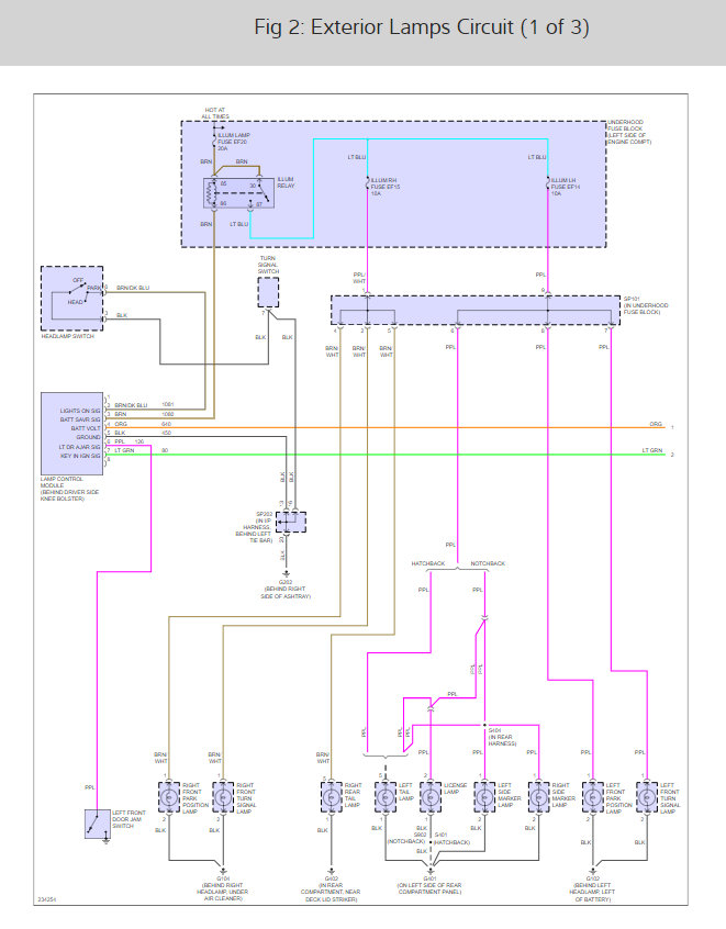
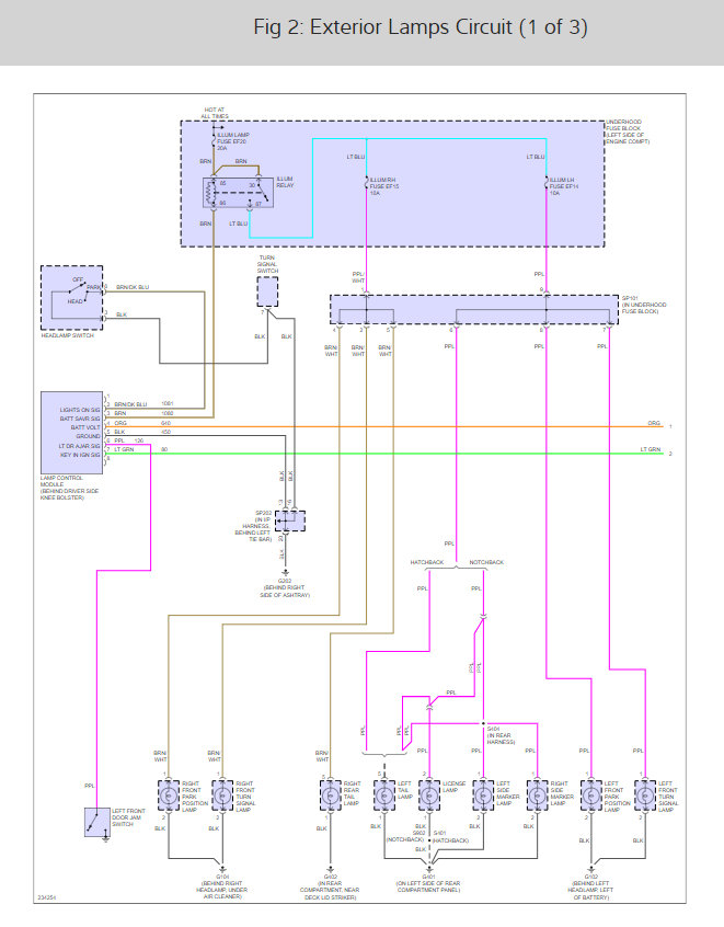
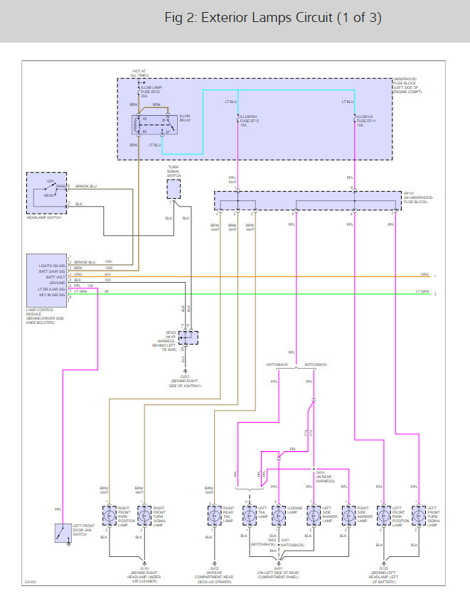
Here are the brake light wiring diagrams, but I do not see a relay do you mean brake light switch?

Here are the brake light wiring diagrams so you can see how the system works.

Check out the diagrams (below).

Please let us know what happens.

Cheers, Ken
Was this
answer
helpful?
Yes
No
+2
Friday, April 27th, 2018 AT 10:34 AM

Please login or register to post a reply.