Monday, March 8th, 2010 AT 6:20 PM
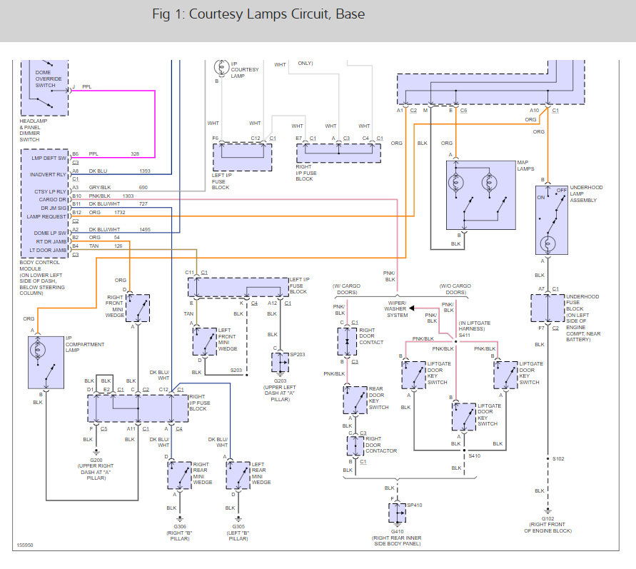
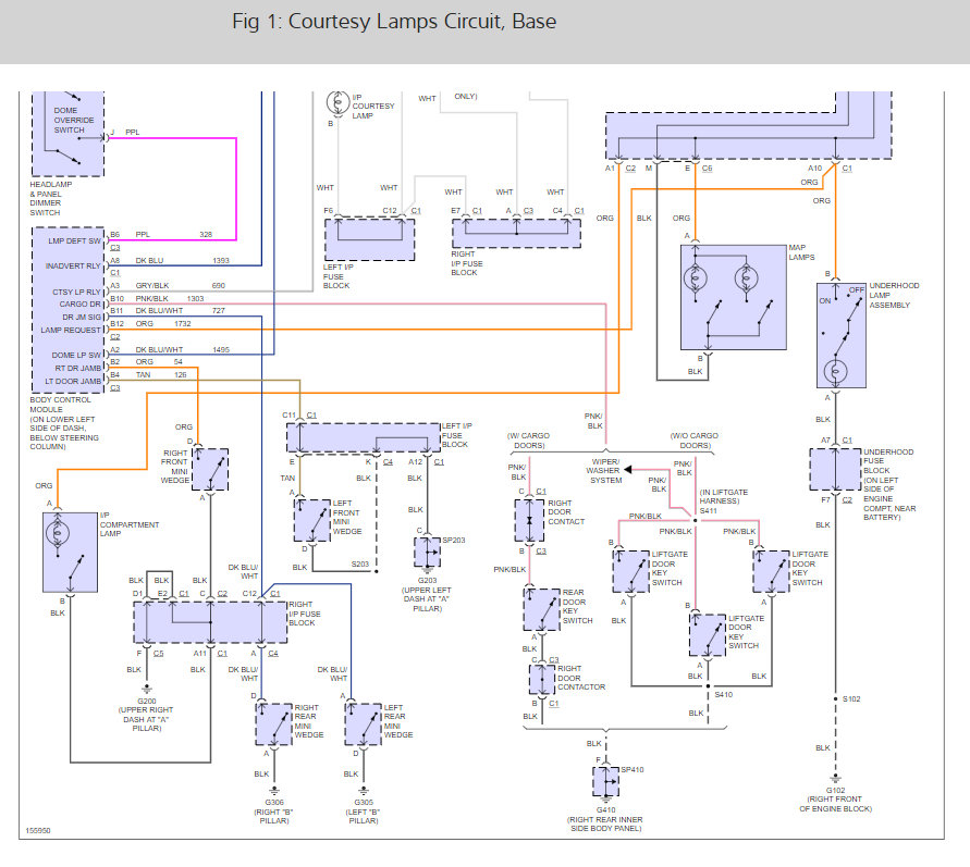
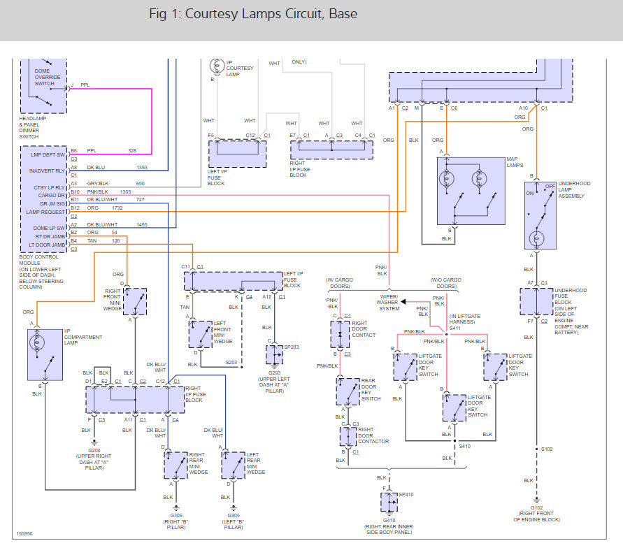
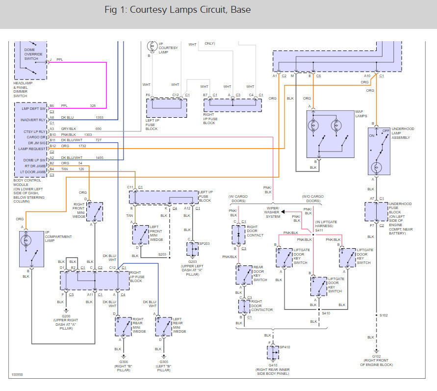
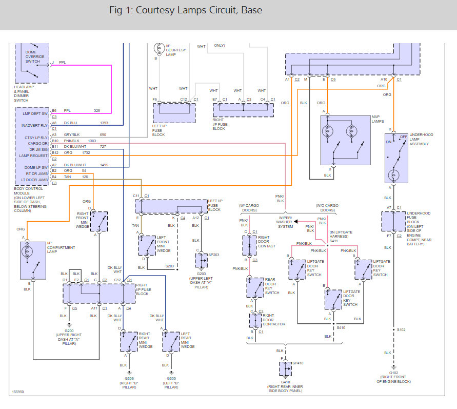
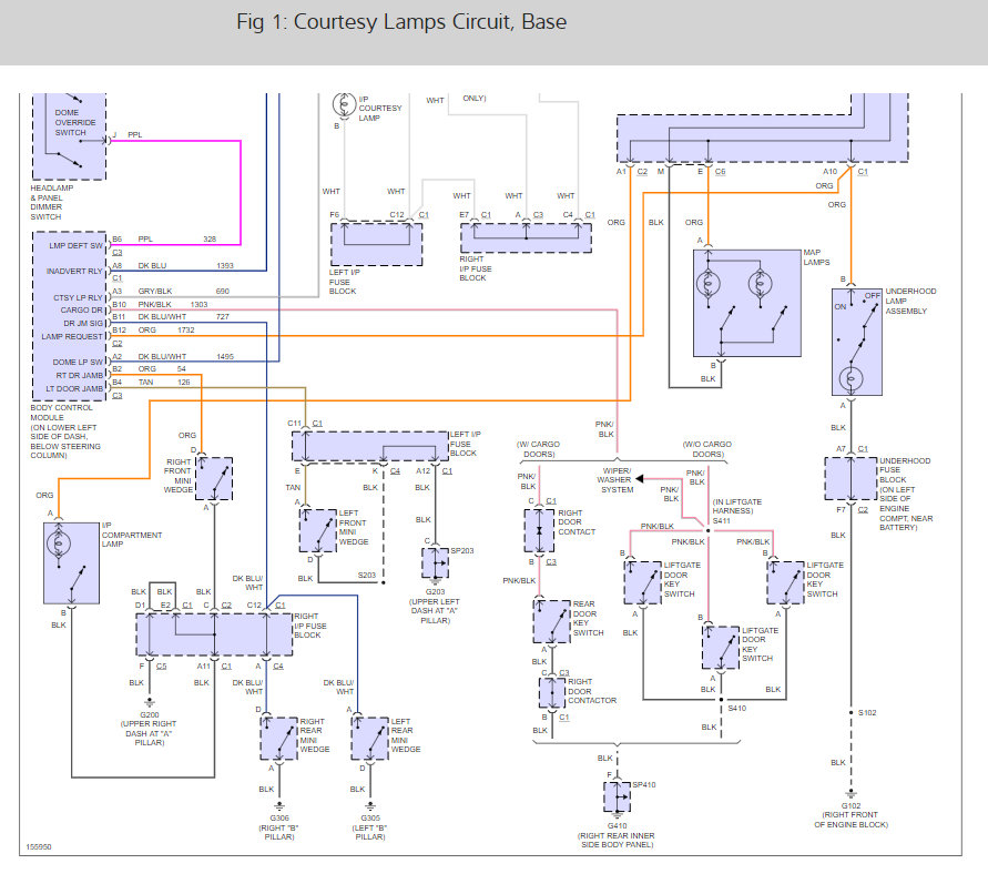
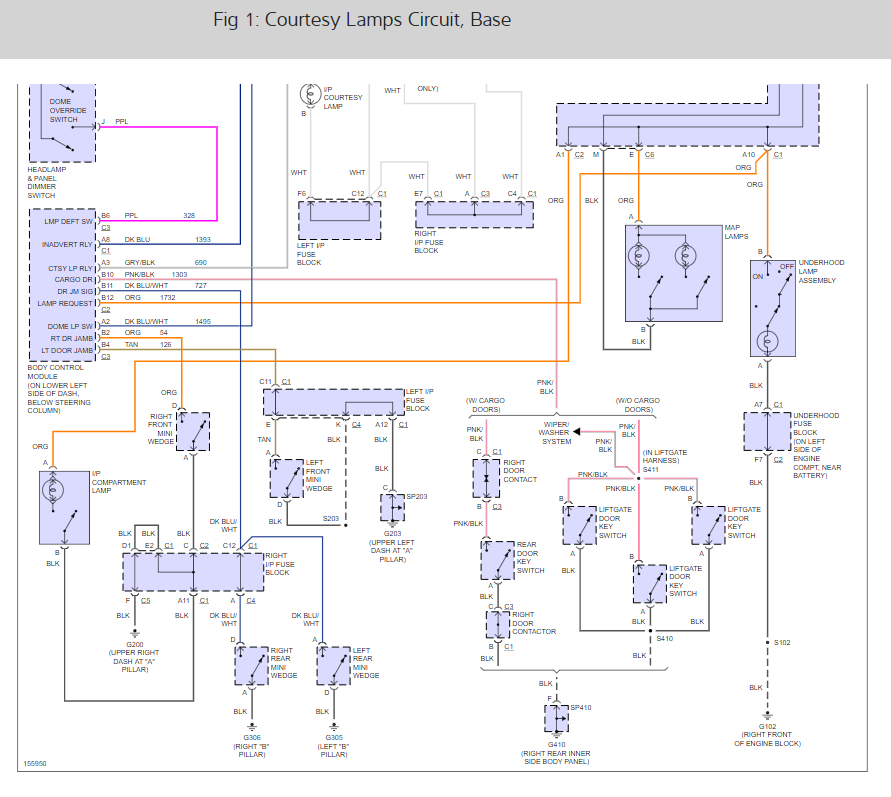
My dome and interior courtesy lights stay on all the time. I've tried to check everything I can think of but no luck yet. Am I overlooking something easy or am I going to have to go to an electrical specialist? Any ideas?






