Saturday, April 2nd, 2022 AT 12:17 PM
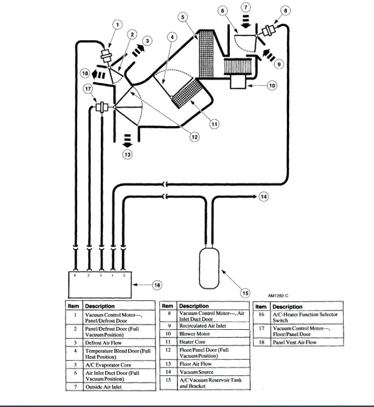
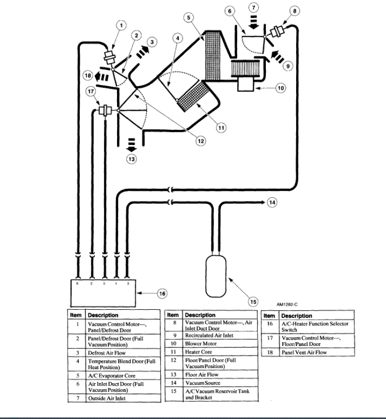
Okay, my normally the A/C works great, but when I go into acceleration it goes to default which is defrost then comes back. Now I have that new valve but for the life of me I cannot find the location of that check valve. If you guys know where the valve may be located, please let me know. Thanks, Matt



