Check engine light on

Tiny
KELVIN MANDA
  • MEMBER
  • 2007 LEXUS IS 250
  • 2.0L
  • V6
  • 2WD
  • AUTOMATIC
  • 129,000 MILES
The light for check engine has been on despite checking, airflow sensor, cleaning the throttle and changing the plugs. When I start the engine, the vehicle can only move with the engine check on.
Other lights that are showing on the dashboard a triangle like light, skidding light, AFS light.
Thursday, February 17th, 2022 AT 4:39 PM

3 Replies

Tiny
JACOBANDNICKOLAS
  • MECHANIC
  • 110,194 POSTS
Kelvan,

Have you had the computer scanned for diagnostic trouble codes? That is where I would recommend starting. Since the light is on and the lights you mentioned are lit, there are several different things going on. The skidding light indicates a traction control issue, the AFS is related to the adaptive front lighting, the triangle (if red) is usually an indication that there is an issue with things such as the tire pressure, low key fob battery, washer fluid is low and so on. With that light on, there should be a definition in the message center indicating specifics for its being on.

What I would suggest is to have the scan done on the vehicle to get the codes. They will help point you in the right direction. Here is a link explaining how it is done:

https://www.2carpros.com/articles/can-scan-controller-area-network-easy

If you are unable to have that done, let me know. We will need to start checking different components.

Take care and let me know what you find.

Joe

Was this
answer
helpful?
Yes
No
+1
Thursday, February 17th, 2022 AT 5:06 PM
Tiny
KELVIN MANDA
  • MEMBER
  • 2 POSTS
Thanks Joe.

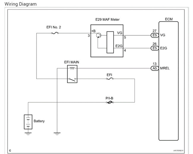
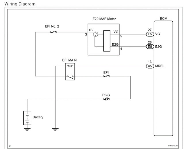
The scan was done, and it gave code p0102. The mechanic tried to change MAFS, but nothing has changed. The engine loses power sometimes.
Was this
answer
helpful?
Yes
No
Thursday, February 17th, 2022 AT 5:39 PM
Tiny
JACOBANDNICKOLAS
  • MECHANIC
  • 110,194 POSTS
Hi,

The code indicates low voltage to the MAF. Wiring and connectors need to be checked.

If you look below, I attached diagnostics. The sensor is likely not the cause, but rather a connection or damaged wire.

Take a look through the diagnostics and let me know if you feel comfortable performing them.

Take care,

Joe

See pics below.
Was this
answer
helpful?
Yes
No
Thursday, February 17th, 2022 AT 6:13 PM

Please login or register to post a reply.