Needs front brakes

Tiny
JOEHOGAN
  • MEMBER
  • 2009 CHRYSLER TOWN AND COUNTRY
  • 77,000 MILES
Hello, my van needs brakes, Thanks
Tuesday, May 21st, 2013 AT 1:55 PM

1 Reply

Tiny
JACOBANDNICKOLAS
  • MECHANIC
  • 110,192 POSTS
Hi,

Front brake pads and rotors really aren't too hard to do. If you do it yourself, make sure to purchase lifetime parts so you'll never have to pay for the parts again.

You can expect brake pads to last approximately 25,000 miles. However, that can change based on terrain and driving habits.

To start, here is a link that shows in general how it's done. You can use this as a guide:

https://youtu.be/SD9-MLW6Yts

and

https://www.2carpros.com/articles/how-to-replace-front-brake-pads-and-rotors-fwd

Here are the directions specific to your vehicle. The pics below correlate with the directions.

I am including brake caliper replacement in the event one is bad. If they are both good, bypass that procedure.

REMOVAL

NOTE: Before proceeding, See: Brakes and Traction Control > Technician Safety Information > Warning See: Brakes and Traction Control > Vehicle Damage Warnings > Brakes - Caution.

1. Raise and support the vehicle. See: Vehicle Lifting > Procedures > Hoisting

NOTE: Perform 2 through 5 on each side of the vehicle to complete pad set removal.

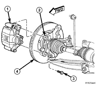
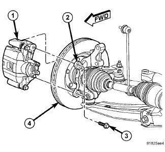
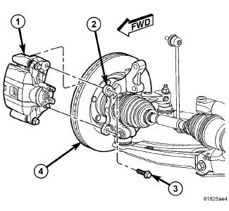
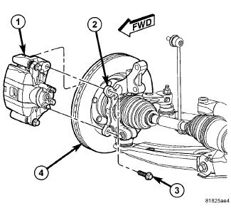
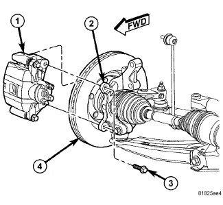
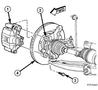
2. Remove the wheel mounting nuts (3), then the tire and wheel assembly (1).

CAUTION: When removing or installing a caliper guide pin bolt, it is necessary to hold the guide pin stationary while turning the bolt. Hold the guide pin stationary using a wrench placed upon the pin's hex-shaped head.

3. Remove the two brake caliper guide pin bolts (2, 3).
4. Remove the disc brake caliper (4) from the disc brake adapter bracket (1) and hang it out of the way using wire or a bungee cord. Use care not to overextend the brake hose when doing this.

5. Remove the brake pads (4, 5) from the caliper adapter bracket (2).

Install

NOTE: Perform 1 through 5 on each side of the vehicle to complete pad set installation, then proceed to 6.

NOTE: Make sure that the audible wear indicator (if equipped) is placed toward the top when the inboard brake pad is installed on each side of the vehicle.

NOTE: If the brake pads have a protective paper on the rear face of the brake pad plate, it must be removed before pad installation.

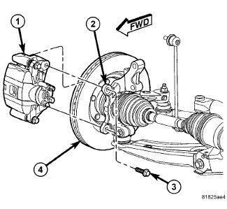
1. Place the brake pads (4, 5) in the abutment shims (3) clipped into the disc brake caliper adapter bracket (2) as shown. Place the pad with the wear indicator (if equipped) attached on the inboard side (2).
2. Completely retract the caliper piston back into the bore of the caliper.

CAUTION: Use care when installing the caliper (4) onto the adapter bracket (1) to avoid damaging the boots.

3. Install the disc brake caliper over the brake pads on the brake caliper adapter bracket.

CAUTION: When removing or installing a caliper guide pin bolt, it is necessary to hold the guide pin stationary while turning the bolt. Hold the guide pin stationary using a wrench placed upon the pin's hex-shaped head.

4. Align the caliper guide pin bolt holes with the adapter bracket. Install the upper (2) and lower (3) caliper guide pin bolts. Tighten the guide pin bolts to 35 Nm (26 ft. lbs.).

5. Install tire and wheel assembly (1) See: Wheels and Tires > Removal and Replacement > Tires and Wheels - Installation. Install and tighten wheel mounting nuts (3) to 135 Nm (100 ft. lbs.).
6. Lower the vehicle.

7. Pump the brake pedal several times before moving the vehicle to set the pads to the brake rotor.
8. Check and adjust the brake fluid level in the reservoir as necessary.
9. Road test the vehicle and make several stops to wear off any foreign material on the brakes and to seat the brake pads.

Check out the diagrams (Below). Please let us know if you need anything else to get the problem fixed.
Was this
answer
helpful?
Yes
No
Wednesday, March 31st, 2021 AT 10:06 AM

Please login or register to post a reply.