Check engine light, AWD, cruise and IBA-off lights are missing on the cluster when ignition is at on position

Tiny
NELSON ASEGIEMHE
  • MEMBER
  • 2009 INFINITI FX35
  • 3.5L
  • 6 CYL
  • 4WD
  • AUTOMATIC
  • 53,000 MILES
The image is not my cluster, it's just for reference.

I just recently got the car listed above fx35 and noticed four lights on the cluster are missing when the ignition is in "on" position.
And they are:
1. Check engine
2. AWD
3. Cruise and
4. IBA off

With the check engine light not present, the obd2 port doesn't connect to a scanner.

I've checked fuses and found some missing and shorted and replaced them but no luck.

I need help here.
Sunday, February 13th, 2022 AT 8:59 PM

1 Reply

Tiny
WENDY W
  • MECHANIC
  • 86 POSTS
Hello!

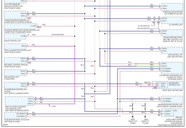
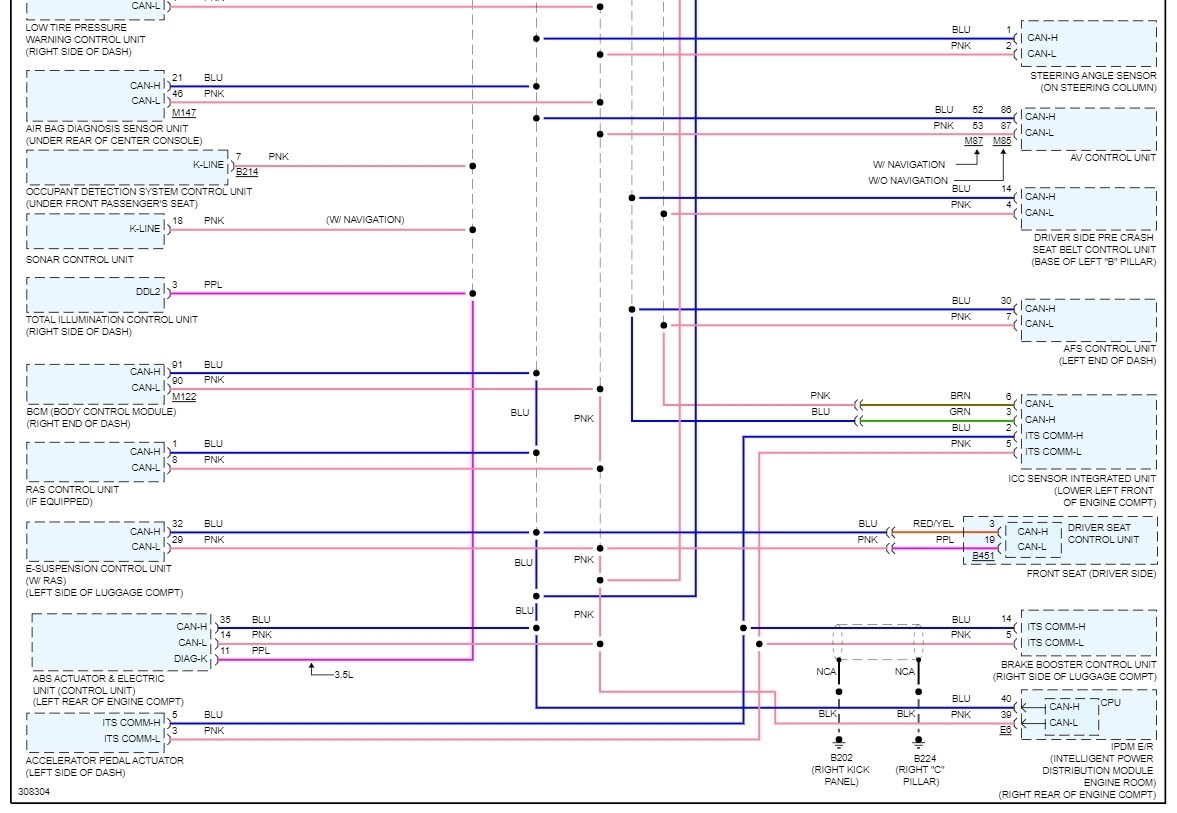
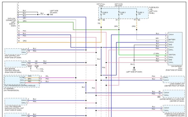
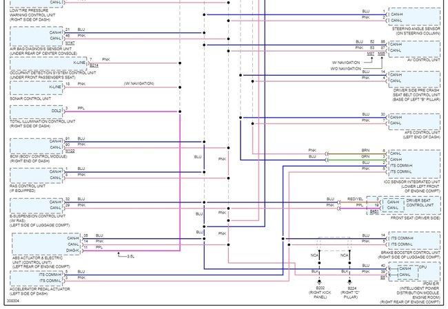
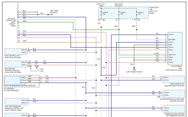
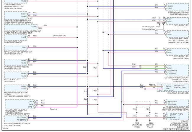
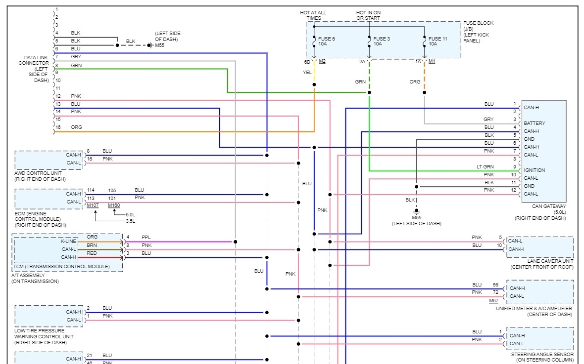
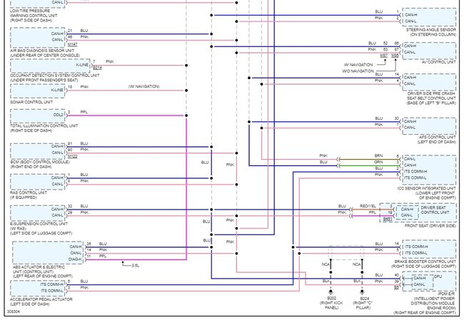
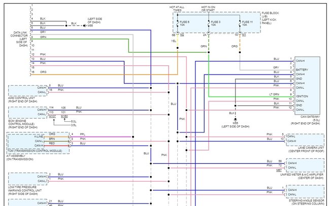
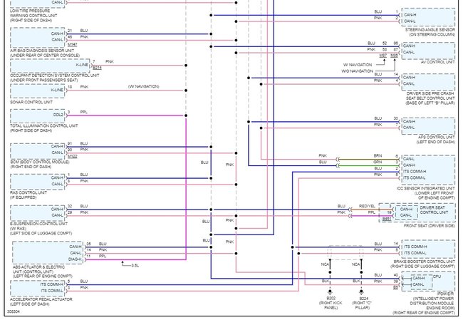
It sounds like the data link connector may not be receiving power. I've attached a few diagrams (below) so that you can see which fuses power the data link connector. The computer data lines schematic is in two parts so it should be a little easier to read.

If you locate the junction box at the left kick panel, fuse 6 (10 amp) should have power at all times. Fuse 3 (10 amp) should have power with the ignition on.

Additionally, you may find this video tutorial helpful. It discusses a few of the reasons that you may not be getting power to the OBD port:

https://youtu.be/6Tlg3JmgNSQ

This repair guide discusses how to scan a CAN system:

https://www.2carpros.com/articles/can-scan-controller-area-network-easy

Please let us know what you find, and we would be happy to assist you further.

Thanks, Wendy W

Was this
answer
helpful?
Yes
No
Monday, February 14th, 2022 AT 7:53 AM

Please login or register to post a reply.