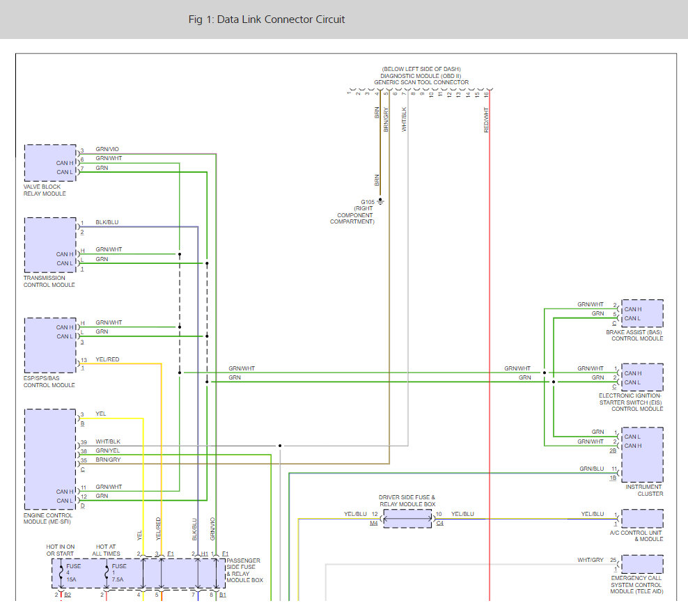
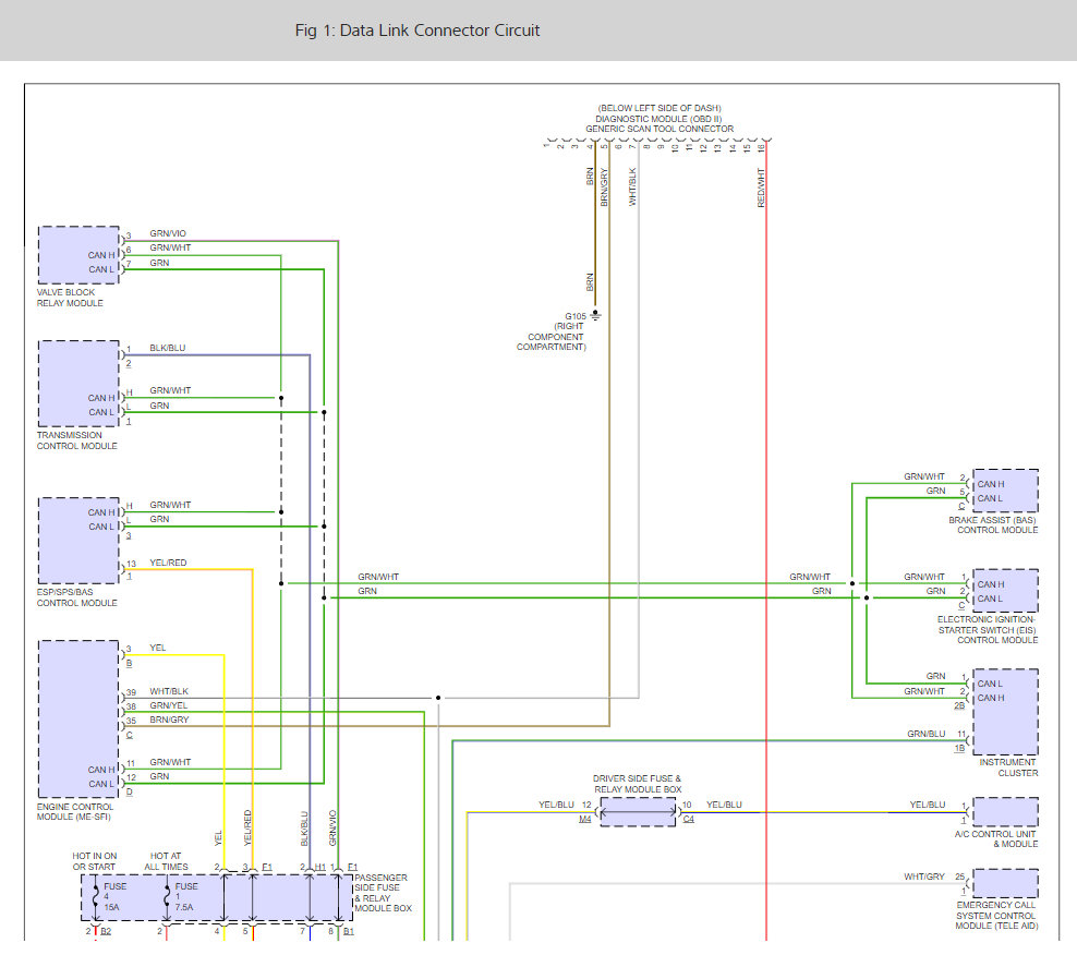
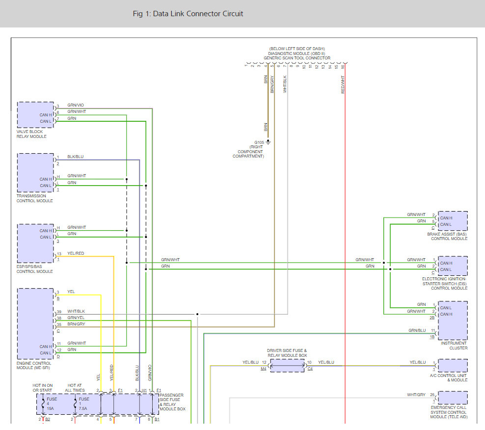
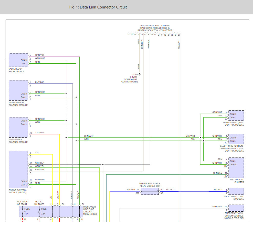
Thursday, October 5th, 2017 AT 11:23 AM
Check engine light not working at all. We have had it on a snap on scanner done all the work on what codes it had ten in all. We reset it I drove it for a week we put it back on scanner using pound port under bonnet and it only had two codes, one was AGR the other was MSF sensor. So replaced both now all fixed no codes after a month of driving car all is well accept the check engine light not working. We changed bulb for one we know works turn ignition on. Still no check engine light. Can it have been turned off in ECU? If so how do I turn it back on? Also, SRS light are off all of them dash and consul one.












