Check engine light not working?

Tiny
JOHNNY LORONA
  • MEMBER
  • 1999 HONDA CIVIC
  • 4 CYL
  • 2WD
  • MANUAL
  • 149,000 MILES
I have no check engine light never coming on at all. No codes. Bulb is new.
Sunday, December 13th, 2020 AT 12:33 PM

1 Reply

Tiny
KEN L
  • MASTER CERTIFIED MECHANIC
  • 55,291 POSTS
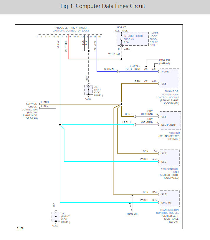
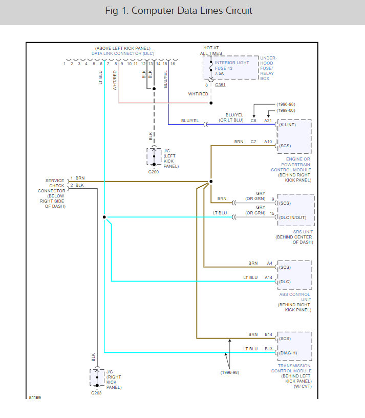
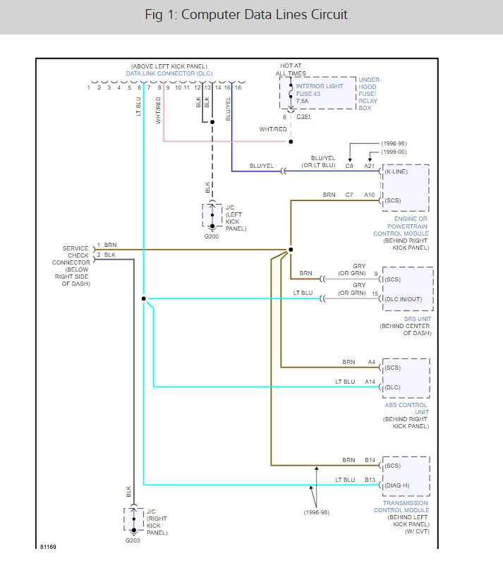
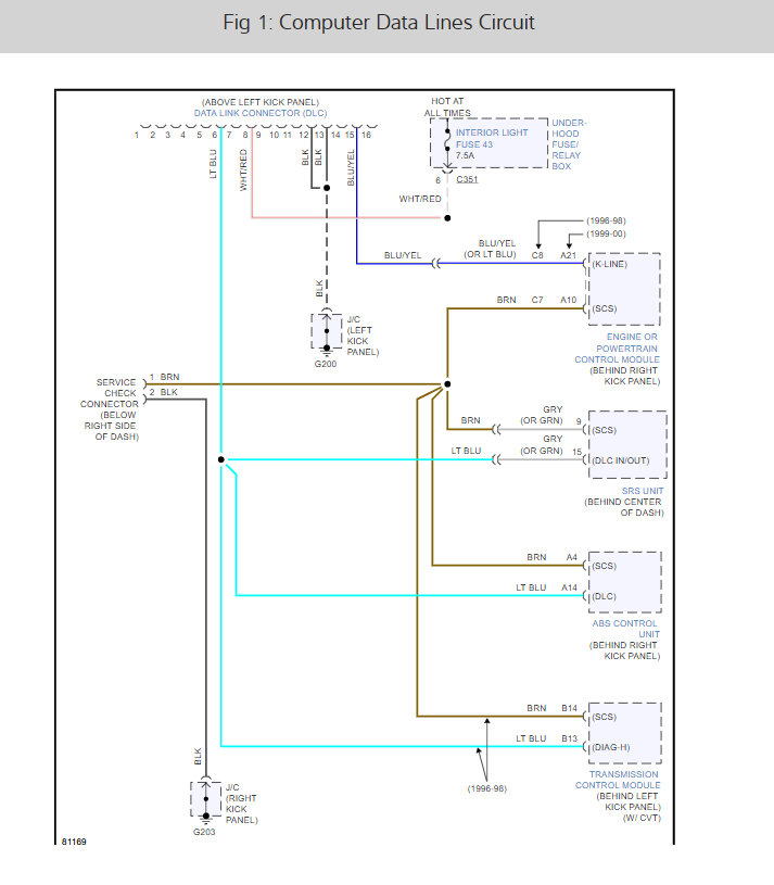
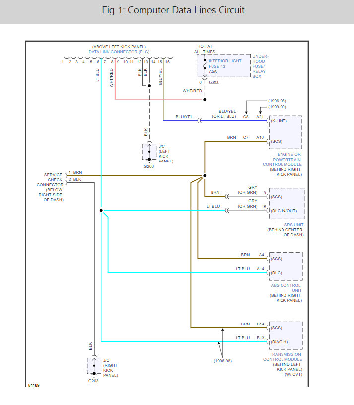
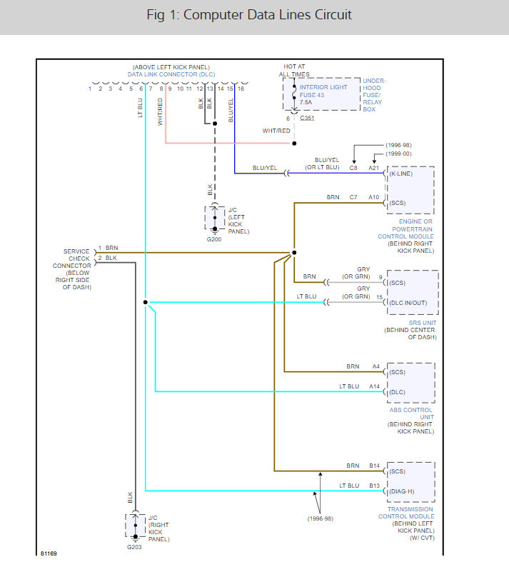
There is an interior light fuse #43 we need to check for power. this guide will help us with the check engine light ALDL wiring diagrams below so you can see how the system works along with the fuse locations as well.

https://www.2carpros.com/articles/how-to-check-a-car-fuse

Check out the diagrams (below). Please let us know what happens.

.
Was this
answer
helpful?
Yes
No
Monday, December 14th, 2020 AT 10:55 AM

Please login or register to post a reply.