Multiple engine misfire codes?

Tiny
TONY IBARRA
  • MEMBER
  • 2008 HONDA CIVIC HYBRID
  • 4 CYL
  • 2WD
  • AUTOMATIC
  • 1,000 MILES
OBD II codes P0456, P0302, P0303, P0304, P0300.
Wednesday, August 26th, 2020 AT 9:11 AM

10 Replies

Tiny
AL514
  • MECHANIC
  • 5,597 POSTS
Hello, the P0456 is a small EVAP leak, this can be the canister purge valve, the vent valve, a leaking purge line, leaking charcoal canister, bad gas cap seal. Most likely it's the purge valve, because of the other codes p0302, p0304 are cylinder 2,3,4 misfires. P0300 is random misfire. You can try pinching off the purge line going to the intake, erase the codes and see if any come back. That's a quick check.

https://www.2carpros.com/articles/engine-misfires-or-runs-rough
Was this
answer
helpful?
Yes
No
Wednesday, August 26th, 2020 AT 9:26 AM
Tiny
KASEKENNY
  • MECHANIC
  • 18,907 POSTS
Clearly we have a misfire issue but we need to start with if there is any history with this. Did this just happen one day and you checked the codes and this is what was there?

The P03xx codes are all misfires for multi cylinder, cylinder 2,3, and 4. The P0456 is an EVAP issue.

Let's start with the misfires but again we need to know the lead up to when this happened. Was there a recent repair or anything else that may be related to this? Thanks

https://www.2carpros.com/articles/engine-misfires-or-runs-rough
Was this
answer
helpful?
Yes
No
Wednesday, August 26th, 2020 AT 9:28 AM
Tiny
AL514
  • MECHANIC
  • 5,597 POSTS
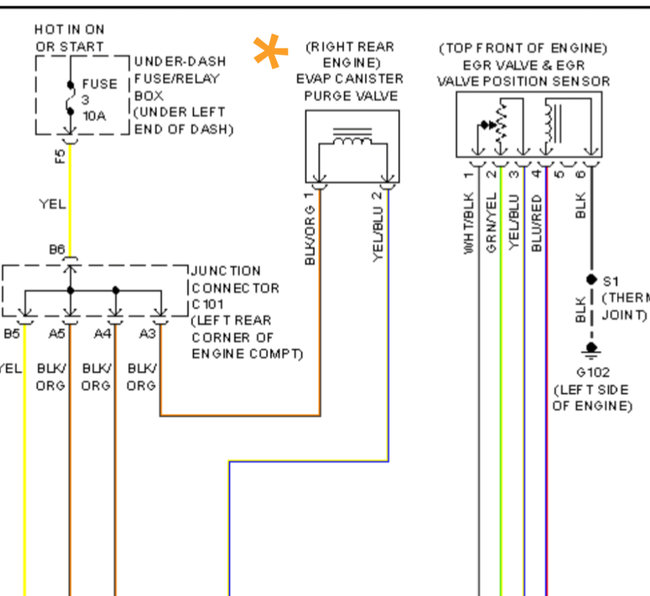
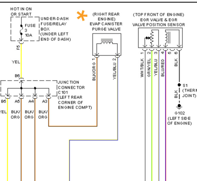
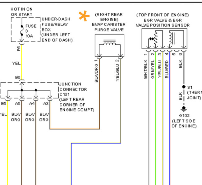
Here's the wiring diagrams for the purge valve and vent valve, this will aid in locating the correct solenoid (valve).
Was this
answer
helpful?
Yes
No
+1
Wednesday, August 26th, 2020 AT 9:40 AM
Tiny
TONY IBARRA
  • MEMBER
  • 1 POST
Just happen one day and this is what came up on my obd 11 scanner?
Was this
answer
helpful?
Yes
No
Thursday, August 27th, 2020 AT 11:11 AM
Tiny
KASEKENNY
  • MECHANIC
  • 18,907 POSTS
Okay, do you have any ability to monitor live data with that scan tool? I am hoping you can tell us what the o2 sensor data is telling us. We need to see if this is a rich or lean condition which will point us in the best direction for figuring out what is causing the misfire. I suspect the evap code is a separate issue but let's start with the basics.

If the exhaust is rich then the fuel is not burning which indicates a lack of spark. If it is lean it indicates a fuel issue.

Let me know this and we can keep going to next steps. Thanks
Was this
answer
helpful?
Yes
No
Thursday, August 27th, 2020 AT 7:34 PM
Tiny
TONY IBARRA
  • MEMBER
  • 1 POST
You were right it was the spark plugs. Thank you
Was this
answer
helpful?
Yes
No
Saturday, August 29th, 2020 AT 11:54 AM
Tiny
KEN L
  • MASTER CERTIFIED MECHANIC
  • 55,522 POSTS
KASEKENNY1 and AL514 are some of our best! Glad you could get it fixed, that kind of problem can be tough. Please use 2CarPros anytime we are here to help.
Was this
answer
helpful?
Yes
No
Saturday, August 29th, 2020 AT 11:55 AM
Tiny
MACATTACK
  • MEMBER
  • 1 POST
  • 2003 HONDA CIVIC HYBRID
  • 4 CYL
  • 2WD
  • AUTOMATIC
  • 38,000 MILES
I just bought an 03 Civic Hybrid with 38000 miles. After driving it for a few weeks I noticed that it sometimes idles very roughly. At times when going slow (i.E. Up a parking ramp) the engine will jerk and chug forward violently. What is the likely culprit and how much should I expect to pay to have it fixed?

On a side note--the passenger window has a nasty gunk (it almost looks like miniature cracks in the window, but the window isn't cracked) on it--any suggestions to get it clean and keep it clean? Carwashes and hand washing hasn't worked.
Was this
answer
helpful?
Yes
No
Sunday, August 30th, 2020 AT 11:20 AM (Merged)
Tiny
SCSUPERMAN2000
  • MEMBER
  • 6 POSTS
The tranny is dieing probably they want 3800cnd for a rebuild with 20k warranty no new ones being built because of the amount returned. That or the top tranny mount black round top to the right of the motor, the rubber bushing wears down.
If it is sort of white gunk that is a seal they use someone had your panel off and did not replace your plastic sheet properly
Was this
answer
helpful?
Yes
No
Sunday, August 30th, 2020 AT 11:20 AM (Merged)
Tiny
HIMANSHU
  • MEMBER
  • 2 POSTS
A 79 year old man was killed Tuesday [28 sep 2010] evening when the vehicle he was driving overturned on Pawling Avenue.

According to State Police, which investigated the accident, a 2007 Honda Accord was traveling west on Pawling Avenue., at 6:41 p.m. when its male operator suffered from an apparent medical emergency and lost control of the vehicle.


https://www.2carpros.com/forum/automotive_pictures/298997_2005_Honda_Civic_Ex_Coupe_Car_For_Sale_1.jpg



==>> Honda Cars
Was this
answer
helpful?
Yes
No
Sunday, August 30th, 2020 AT 11:20 AM (Merged)

Please login or register to post a reply.