Check engine light P0541 code?

2000 TOYOTA CAMRY
268,000 MILES • 2.2L • 4 CYL • 2WD • AUTOMATIC
Avatar
ATERRELL
  • MEMBER
  • 2 POSTS
Took it to Autozone and found a P0541 code. I think they said it was a fuel tank pressure sensor, can't find a good answer online. The code refers more to diesel vehicles. Any information is much appreciated.
Mar 29, 2026 at 9:24 AM
Repair Safety Notice: This information is for general instructional purposes only. Vehicle repair can be dangerous. Verify all information, follow manufacturer service procedures, use proper tools and safety equipment, and consult a qualified repair shop when needed.
Advertisement
Avatar
STEVE W.
  • AUTOMOTIVE REPAIR CONTRIBUTOR
  • 15,146 POSTS
Was the code perchance a P0451? Not a P0541? A P0451 code refers to an issue with the fuel tank pressure sensor. A P0541 is a pre-heater code for a Cummins diesel and isn't applicable to your car as it lacks the parts and ability to set that code.
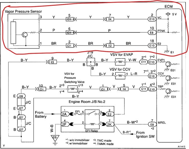
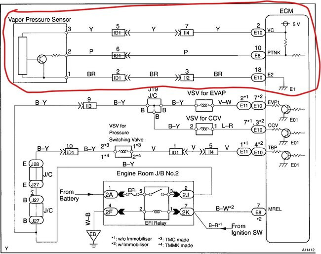
A P0451 code is set if the VPS detects a large change over a short period of time. Now because of that code and it's criteria I would actually start by testing the purge valve. If it was stuck open or failed while the car was at an idle the vacuum in the tank would change unexpectedly because the ECM didn't command it to purge. So I would verify that before going to test the sensor. It looks like the image below and is in the lines below the air inlet to the throttle body. Testing is simple, disconnect the valves electrical connector, remove the lines and the valve and try to blow through it. With no power it should be closed, so if you can blow through it, it's defective. If you cannot, reinstall it and we will look at the pressure sensor. If you have access to an OE level scan tool this is easy, you would simply watch the tank vacuum levels and compare them to the sensors output as you control the valve for vacuum. Without that you have a couple options, use a multimeter to measure the voltages and grounds to the sensor, or just replace the sensor and see if the code goes away. The sensor is underneath the car next to the charcoal canister Testing without a scan tool is sort of simple, take a voltmeter and test for voltage between the Yellow and Brown wires in the connector with the key on. There should be 4.5 to 5.5 volts. If you have that then change the sensor and see if the code goes away. There isn't really any other testing if the power is there because you cannot see the real time data without a scan tool.


Mar 29, 2026 at 10:40 AM
Advertisement
Avatar
ATERRELL
  • MEMBER
  • 2 POSTS
Thank you so much. Autozone read the code and it said p0541 but obviously it was wrong. I will be checking all that out thanks again.
Mar 29, 2026 at 3:43 PM
Avatar
STEVE W.
  • AUTOMOTIVE REPAIR CONTRIBUTOR
  • 15,146 POSTS
Let us know what you find please.
Mar 29, 2026 at 4:57 PM