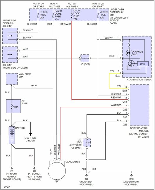
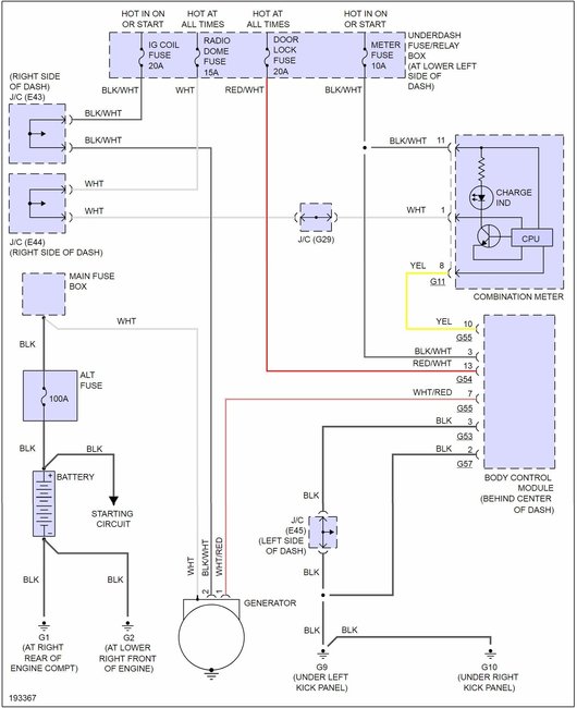
Charging system wiring diagram

Tiny
MATTHEW DANIELS
  • MEMBER
  • 2004 SUZUKI XL7
  • 2.7L
  • V6
  • 4WD
  • AUTOMATIC
  • 200,000 MILES
Can someone help me find a wiring diagram on this vehicle?
Friday, June 29th, 2018 AT 3:43 PM

1 Reply

Tiny
STEVE W.
  • MECHANIC
  • 15,671 POSTS
This is the charging system. If this is not what you were looking for just post back with which area(s) you need. Check out the diagrams (Below). Please let us know if you need anything else to get the problem fixed.
Was this
answer
helpful?
Yes
No
+3
Friday, June 29th, 2018 AT 3:58 PM

Please login or register to post a reply.