Thursday, October 27th, 2022 AT 1:32 AM
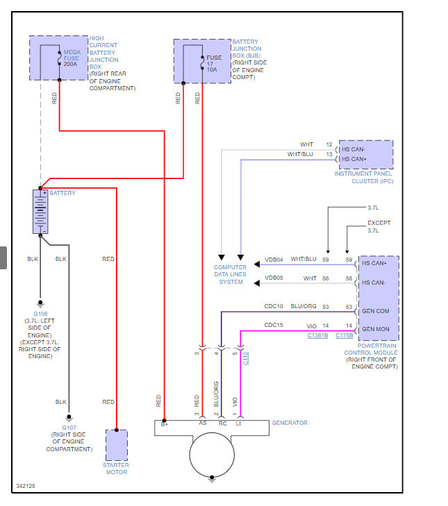
Car starts after a jump but drops voltage, is it my alternator? Should I even start there I don't have any wiring diagrams for it, every place tells me it's a different fuse I need to check, is there a way to bench test an alternator that isn't confusing as heck? Any help would be greatly appreciated, thank you.




