Wednesday, May 24th, 2023 AT 9:56 AM
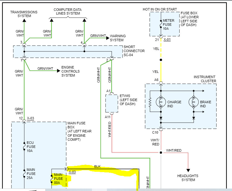
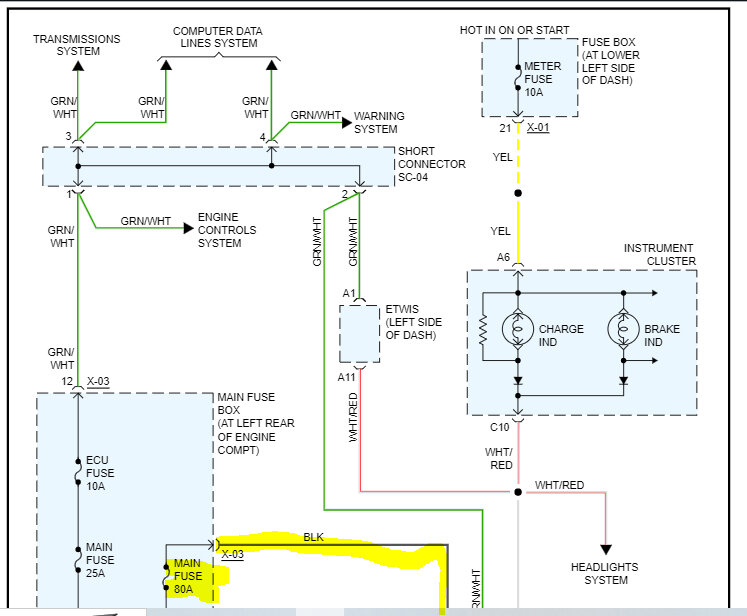
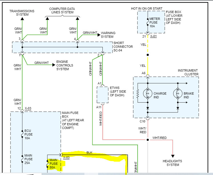
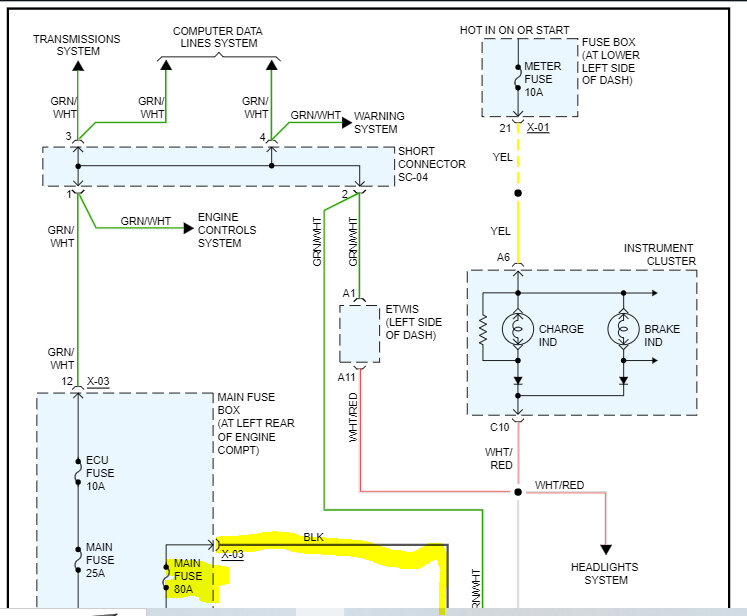
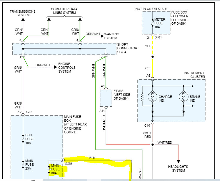
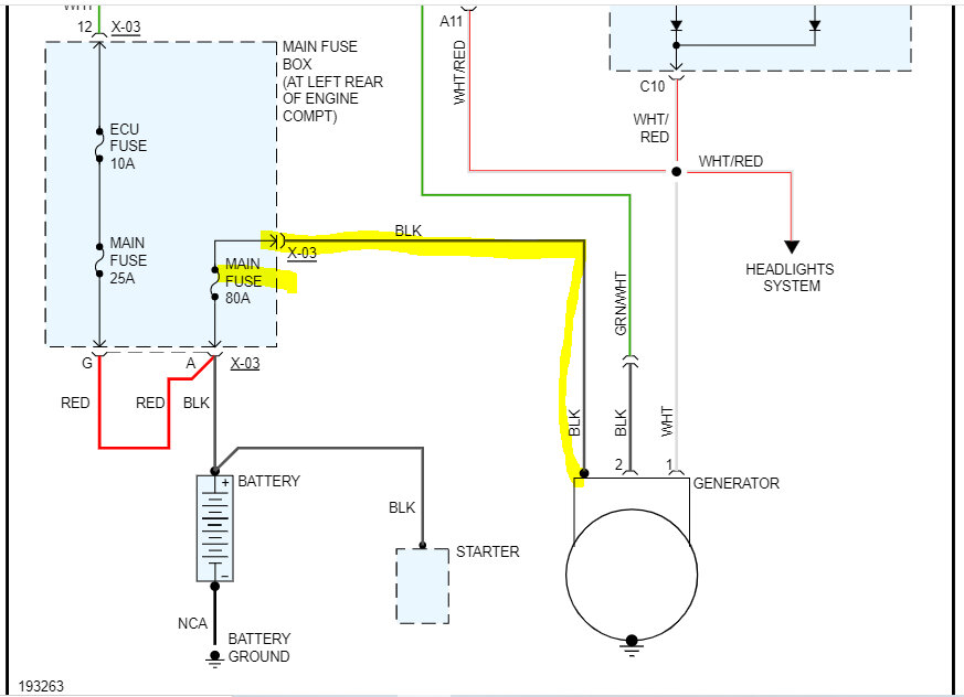
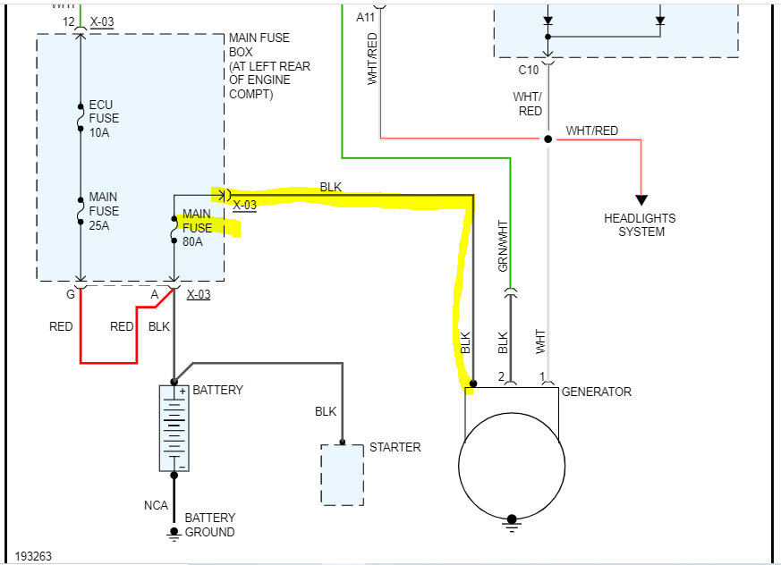
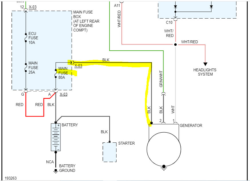
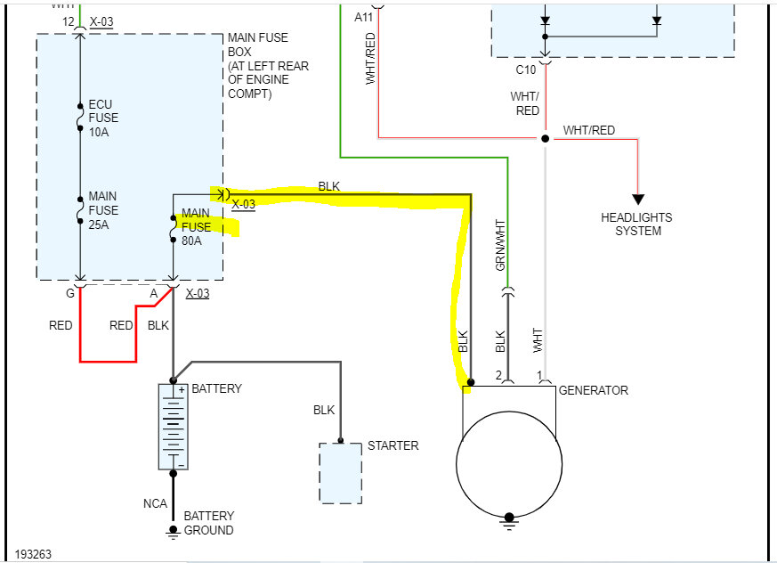
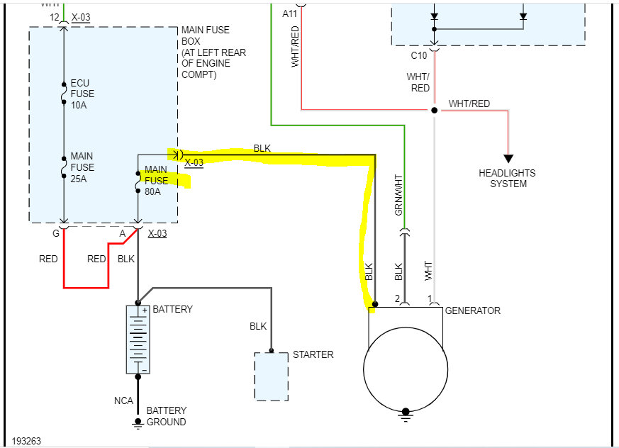
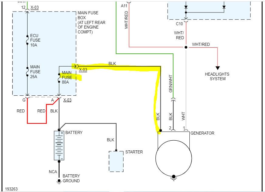
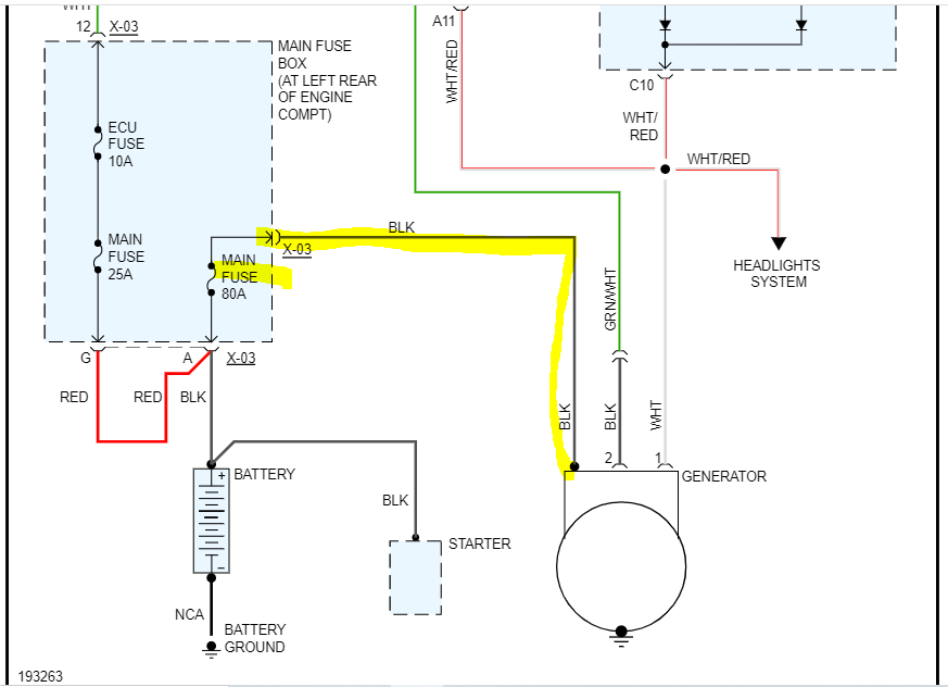
Charge battery. The car starts and runs fine. Alternator putting out over 14 volts. Everything seems normal. Park the car overnight and the battery will be so drained that it won't power the dome light. Old alternator stopped working. Putting out zero. Installed Auto Zone rebuilt one. Now this problem. Did I just get a bad rebuild?



