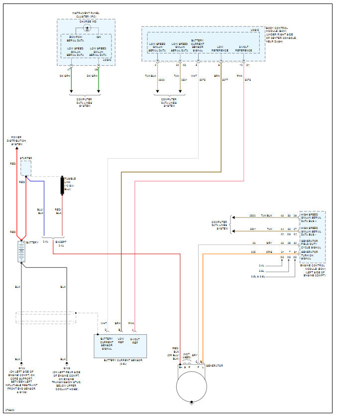
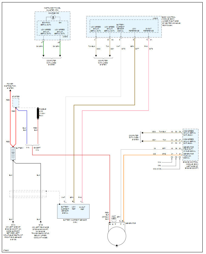
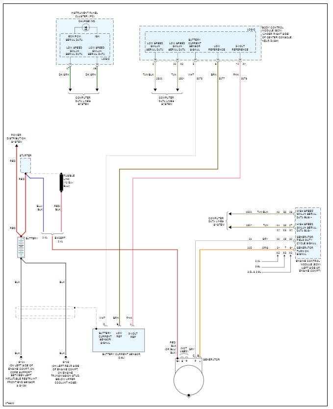
Monday, January 11th, 2021 AT 11:24 AM
I've replaced the alternator, put in a new battery and replaced fusible link from alternator to solenoid. Battery still not getting a charge. Not really sure what else it could be.





