Thursday, February 13th, 2020 AT 10:58 AM
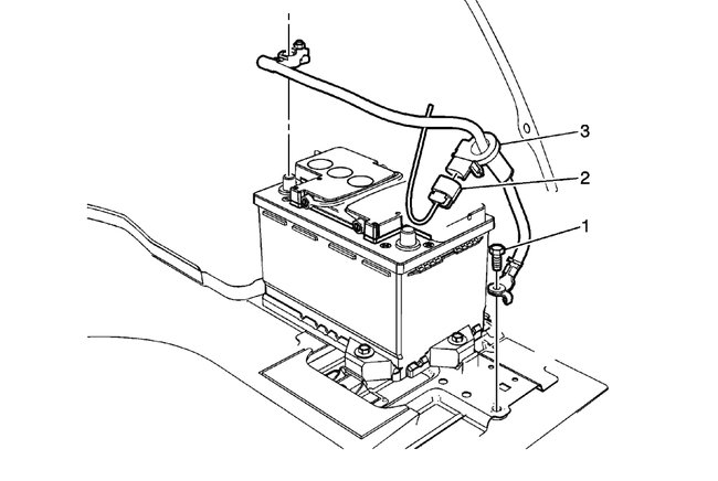
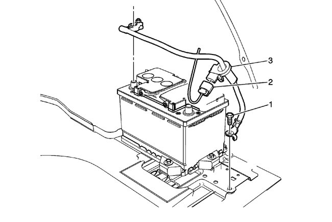
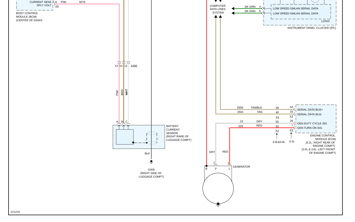
Two alternators later and a brand new battery my car is still saying service charging system. I’ve been battling this for about two months. Please help!











