Charging circuit problems?

Tiny
YAELGUT2003
  • MEMBER
  • 1985 NISSAN 300ZX
  • 3.0L
  • 6 CYL
  • 2WD
  • MANUAL
  • 220,000 MILES
I was driving home one day, and the head unit stopped working shortly after the digital dash started acting up. I figured the alternator was starting to give out, so I parked and got it towed back home. I replaced the alternator, and the battery still won’t charge. I checked the fuses in the engine bay, and everything looked good. I made sure the check lamp relay was good. I know don’t know what else to look for since the alternator still won’t charge the battery. I got both the battery and alternator bench tested and both came back good.
Sunday, February 5th, 2023 AT 4:23 PM

5 Replies

Tiny
JIS001
  • MECHANIC
  • 3,412 POSTS
First thing is to make sure your battery terminals are clean, shiny, and tight. If all that is good, then you need to get a digital voltmeter to do some basic voltage drop tests. The images I have provided are from a known good vehicle. Now let's begin.

Take the negative lead and touch the positive battery terminal, not the post. The positive test lead you will need to touch the battery cable that attaches to the alternator and let us know what you measured. In my example it reads 0.04 volts which is good. The second part of the test you will take the positive lead of the meter and touch the ground terminal of the battery. The negative lead of the tester you will touch the alternator body. Let us know what voltage you read there. In my images it measures 0.01 volts which is good. Get back to us with images to verify your test results.
Was this
answer
helpful?
Yes
No
Sunday, February 5th, 2023 AT 5:42 PM
Tiny
CARADIODOC
  • MECHANIC
  • 34,463 POSTS
We should be able to figure this out with four voltage measurements. A test light will work, but exact voltages are better. Here's links to some articles that may be of help:

https://www.2carpros.com/articles/how-to-use-a-test-light-circuit-tester

https://www.2carpros.com/articles/how-to-use-a-voltmeter

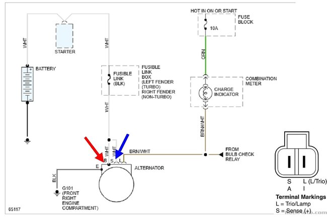
First, observe if the "Battery" warning light turns on when you turn the ignition switch to "run". If it does, that circuit is okay. That provides the turn-on signal for the voltage regulator inside the generator.

Next, with the engine not running, check the voltage on the fat white output wire, (red arrow) on the back of the generator. You should find full battery voltage, close to 12.6 volts. If that is missing, suspect the fuse link wire is burned open. Also check on the smaller white wire in the two-wire plug. That must have the same voltage as on the fat white wire.

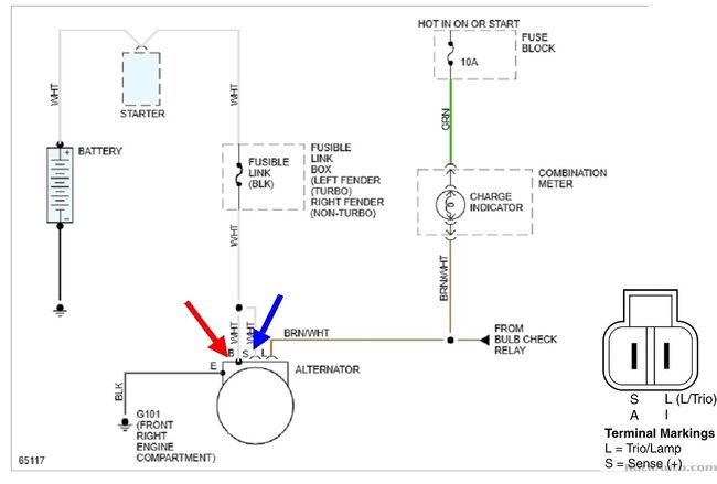
The second drawing shows the location of the under-hood fuse link box. Be aware that and some other items are in different places if your engine has a turbocharger. They're showing four fuse link wires here, (purple arrow). Tug on them gently to test them. If one acts like a piece of wire, it's okay. If one is burned open, it will act like a rubber band. If you do find one burned open, it was most likely caused by shorted diodes inside the old generator, or the wrench touched the output terminal and ground at the same time during the previous repair. Let me know if a link needs to be replaced. I'll explain that in more detail.

The last measurement is right on the generator's housing. Put the meter's negative probe right on the battery's negative post for this test. There should be 0 volts on the housing since it's the same point in the circuit. On a few models, the generator was mounted on rubber bushings to isolate it from engine vibration. That meant it needed to have a separate ground wire between the generator and its mounting bracket. That wire often gets overlooked or corroded off. If you find any voltage on this test, repair the ground wire or add a new one.

Let me know what you find.
Was this
answer
helpful?
Yes
No
+1
Sunday, February 5th, 2023 AT 5:53 PM
Tiny
CARADIODOC
  • MECHANIC
  • 34,463 POSTS
We should be able to figure this out with four voltage measurements. A test light will work, but exact voltages are better. Here's links to some articles that may be of help:

https://www.2carpros.com/articles/how-to-use-a-test-light-circuit-tester

https://www.2carpros.com/articles/how-to-use-a-voltmeter

First, observe if the "Battery" warning light turns on when you turn the ignition switch to "run". If it does, that circuit is okay. That provides the turn-on signal for the voltage regulator inside the generator.

Next, with the engine not running, check the voltage on the fat white output wire, (red arrow) on the back of the generator. You should find full battery voltage, close to 12.6 volts. If that is missing, suspect the fuse link wire is burned open. Also check on the smaller white wire in the two-wire plug. That must have the same voltage as on the fat white wire.

The second drawing shows the location of the under-hood fuse link box. Be aware that and some other items are in different places if your engine has a turbocharger. They're showing four fuse link wires here, (purple arrow). Tug on them gently to test them. If one acts like a piece of wire, it's okay. If one is burned open, it will act like a rubber band. If you do find one burned open, it was most likely caused by shorted diodes inside the old generator, or the wrench touched the output terminal and ground at the same time during the previous repair. Let me know if a link needs to be replaced. I'll explain that in more detail.

The last measurement is right on the generator's housing. Put the meter's negative probe right on the battery's negative post for this test. There should be 0 volts on the housing since it's the same point in the circuit. On a few models, the generator was mounted on rubber bushings to isolate it from engine vibration. That meant it needed to have a separate ground wire between the generator and its mounting bracket. That wire often gets overlooked or corroded off. If you find any voltage on this test, repair the ground wire or add a new one.

Let me know what you find.
Was this
answer
helpful?
Yes
No
Sunday, February 5th, 2023 AT 5:53 PM
Tiny
YAELGUT2003
  • MEMBER
  • 2 POSTS
Tested the alternator casing engine off showed the same as battery. Tested alternator casing with engine on was around.03-.04. I wasn’t able to test the wires that connect the alternator to battery while the car was on because of the placement of the alternator. I was able to test the alternator cable closest to the battery and it read the same voltage as that of the battery.
Was this
answer
helpful?
Yes
No
Monday, February 6th, 2023 AT 11:43 AM
Tiny
CARADIODOC
  • MECHANIC
  • 34,463 POSTS
Hmmm. Not sure why my reply got posted twice. Oh well.

Are you saying you found 12.6 volts between the generator's housing and the battery's negative post? If that is so, a ground cable is needed between the case and the engine block or the generator's mounting bracket. That voltage is supposed to be 0 volts. The only other way to find battery voltage on the housing is to have a disconnected or badly corroded negative larger battery cable, but that is also needed for the starter motor. If that cable was the problem, the engine wouldn't crank or run.

Next, you found, for all practical purposes, 0 volts during that test, which IS acceptable. Please clarify where you're putting the voltmeter's probes and the readings you get.

Also tell me what you're finding for battery voltage so I can use the correct numbers and avoid confusion. It should be very close to 12.6 volts if it is good and fully charged. If it's closer to 12.2 volts, it's good, but fully discharged, possibly to the point it won't crank the engine fast enough to start.

Does the "Battery" light on the dash turn on when you turn the ignition switch to "run"?

As for those two plugged-in wires, if everything else checks out okay, we may need to look at those. The first thing is to unplug the connector, then pick the terminals so they make a tighter contact. The smaller white wire in that plug provides the current to run the internal voltage regulator and the generator's field coil. If that terminal is spread or corroded, the voltage regulator will not turn on and the generator won't provide any output.

If the brown / white wire has a spread or corroded terminal, the voltage regulator will not receive its turn-on signal from the "Battery" light circuit. Normally the clue there is that warning light doesn't turn on when you turn on the ignition switch. I don't know what Nissan did with the bulb-test relay or if that would mask that important clue. If that warning light does turn on, tell me when or under what conditions, than I would remove that relay for the remainder of the diagnosis. That relay does not appear to be involved in running the charging system, so we want to eliminate anything that can give us misleading results.

Another way to approach that plug is to disconnect it so you can reach the terminals with the voltmeter's probe. Leave that relay out. You should find full battery voltage on the terminal for the white wire all the time. There should be at least 12 volts on the brown / white wire only when the ignition switch is in "run". Testing this way with the plug disconnected has serious drawbacks and is by far, the least preferred way to do it. If you come up with a voltage that is missing, that is conclusive and tells us which circuit needs further diagnosis. It's when you come up with the correct voltage that there's still a question. These voltages are only valid when the connector is plugged in and both terminals are making good contact.

This is best observed on the brown / white wire. With the break in the circuit by being unplugged, no voltage will be "dropped" across the warning bulb, so it will be off. The full 12 volts will show up at the connector, even if just one tiny strand of wire is still intact when all the others are corroded off. Consider sticking a paper clip into the back of that terminal and perhaps attaching a small clip lead, (jumper wire), to it that you can reach with the voltmeter when that connector is plugged in. Once plugged in, that 12 volts is going to drop to around two volts. That is the accurate reading and it means the other ten volts is being dropped across the warning bulb, so it will be lit up. That also means there's current flowing through that circuit. That's what wakes up the voltage regulator causing it to start running the generator.

There's one more, rather elusive and uncommon thing to consider when everything else appears to be okay. That would be the brown / white wire is shorted to ground. Most often that's due to a wire harness that fell down onto hot exhaust parts or is laying on the sharp edge of a metal bracket. When that wire is grounded, (shorted to ground), the "Battery" light will be lit up anytime the ignition switch is in "run", and the voltage regulator will see 0 volts on that turn-on circuit. That short can also be right at the connector terminal, but that's even less common. If that wire is grounded somewhere other than right at the connector, the light will stay on when that connector is unplugged. This, again, is where you'd want to have that bulb-check relay unplugged so it can't cause misleading results.

Let us know what you find.
Was this
answer
helpful?
Yes
No
Monday, February 6th, 2023 AT 1:46 PM

Please login or register to post a reply.