Check charging system light on

Tiny
RONTAY202
  • MEMBER
  • 2008 FORD EXPLORER SPORT TRAC
  • 4.0L
  • 6 CYL
  • 2WD
  • AUTOMATIC
  • 74,000 MILES
Has new battery and alternator. Runs good.
Thursday, August 5th, 2021 AT 11:20 AM

1 Reply

Tiny
KASEKENNY
  • MECHANIC
  • 18,907 POSTS
We need to start with testing the battery and alternator just to make sure they are okay because the most common thing is an alternator issue and it causes all sorts of issues when it is replaced with another faulty alternator. Clearly we assume it is not the alternator when it is replaced but this has burned us too many times to not test it.

So here are two guides that will show how to test both of these properly:

https://www.2carpros.com/articles/how-to-check-a-car-alternator

https://youtu.be/Z-p4dMJUpUw

https://www.2carpros.com/articles/car-battery-load-test

Once these prove out then we need to dig further into the electrical side.

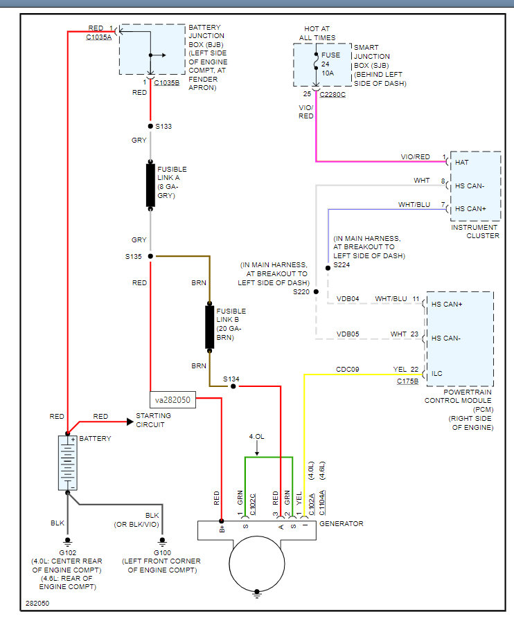
The way this works is there is a wire that feeds the PCM the voltage signal from the alternator. I attached the wiring diagram below where you can see the yellow wire is from the alternator to the PCM.

We need to see what the voltage that the PCM is getting from the alternator. If this is correct then we most likely have a network communication issue.

This is the way the PCM tells the cluster to turn the light on or not:

Here is a guide that talks about this network communication to give more detail.

https://www.2carpros.com/articles/can-scan-controller-area-network-easy

Below is the wiring diagram that we will need to use. Please let us know what questions you have and what you find.

Thanks
Was this
answer
helpful?
Yes
No
-1
Friday, August 6th, 2021 AT 6:34 PM

Please login or register to post a reply.