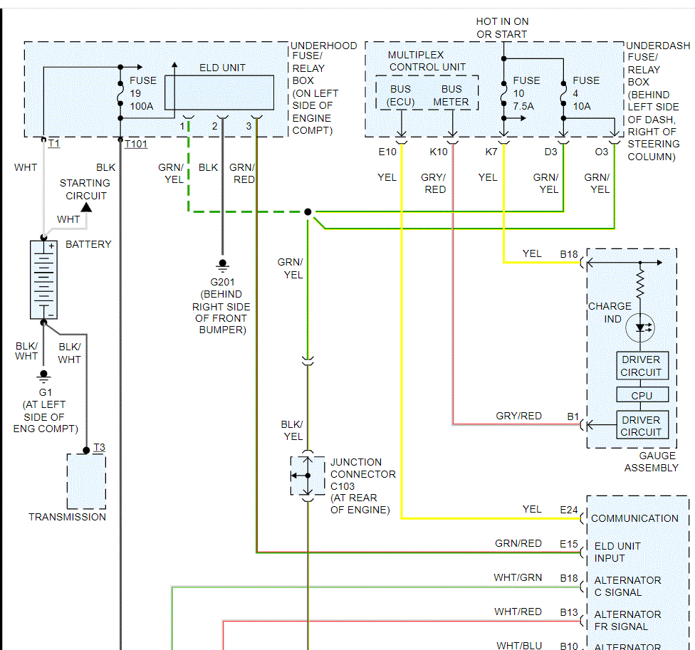
Thursday, August 19th, 2021 AT 1:09 PM
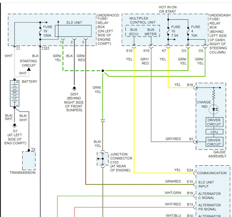
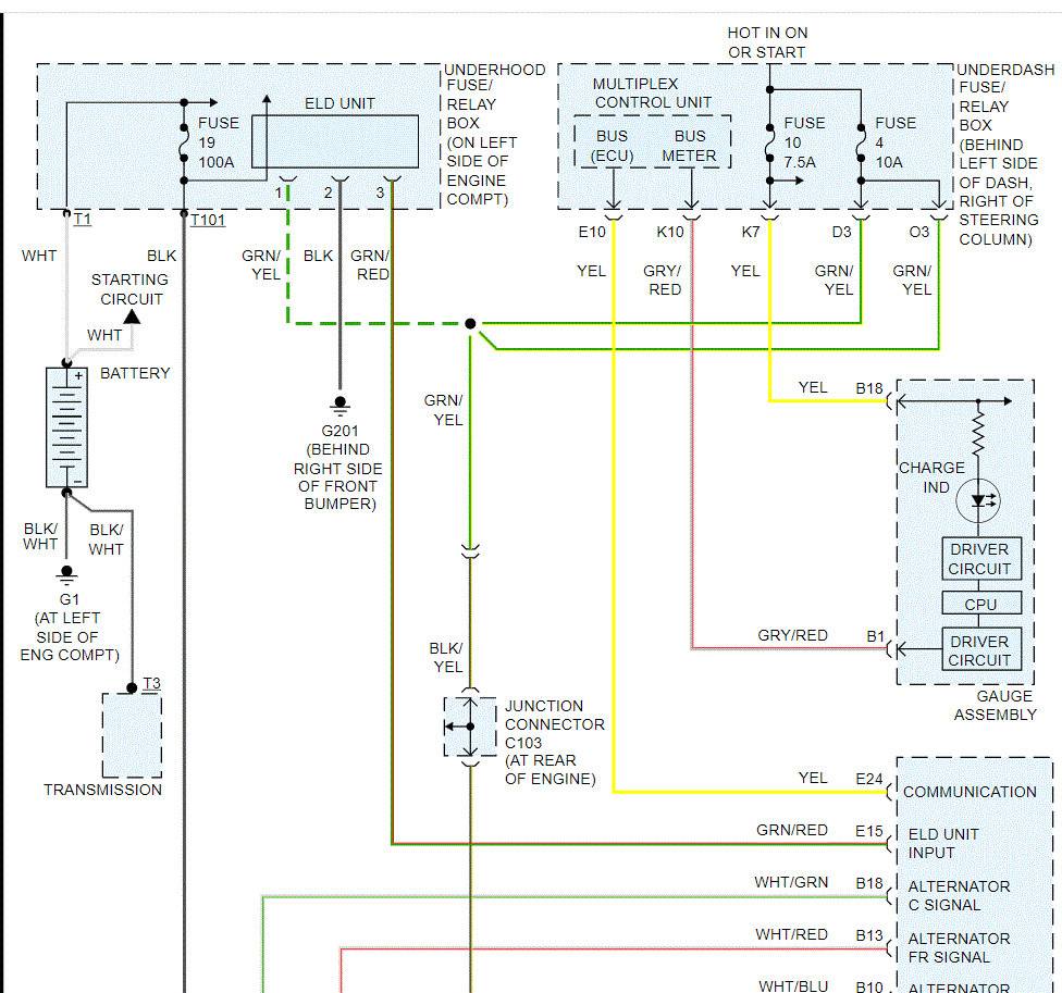
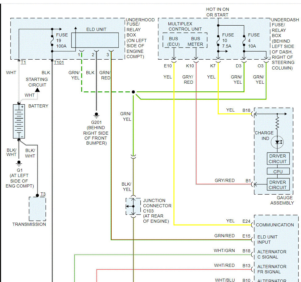
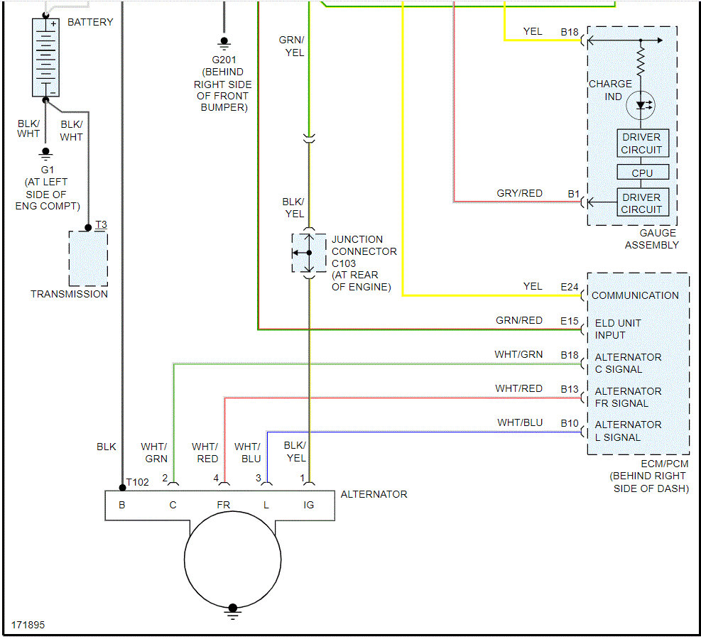
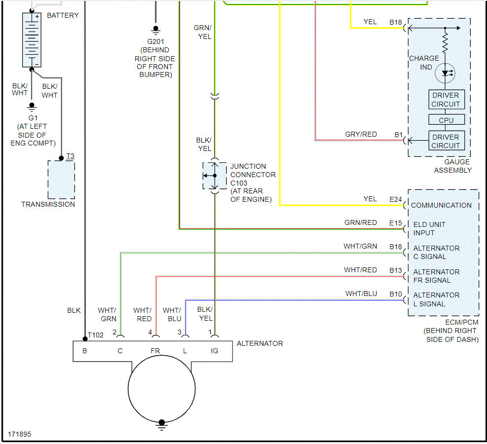
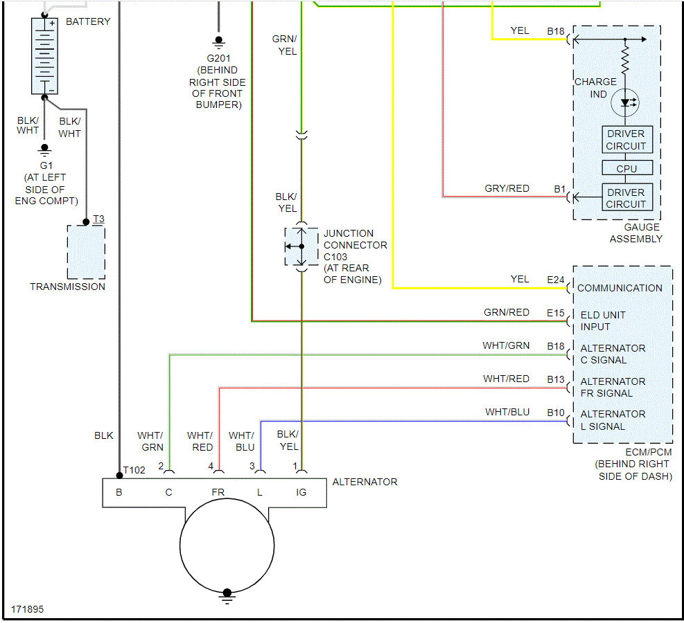
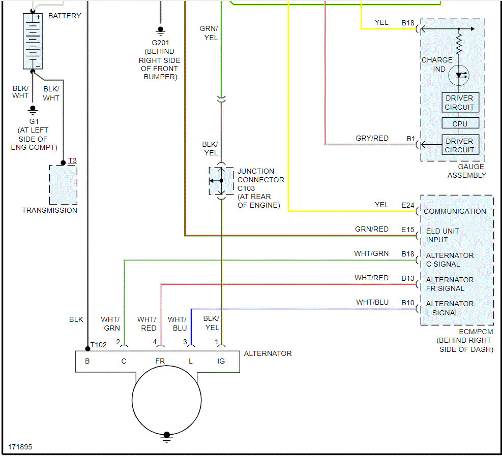
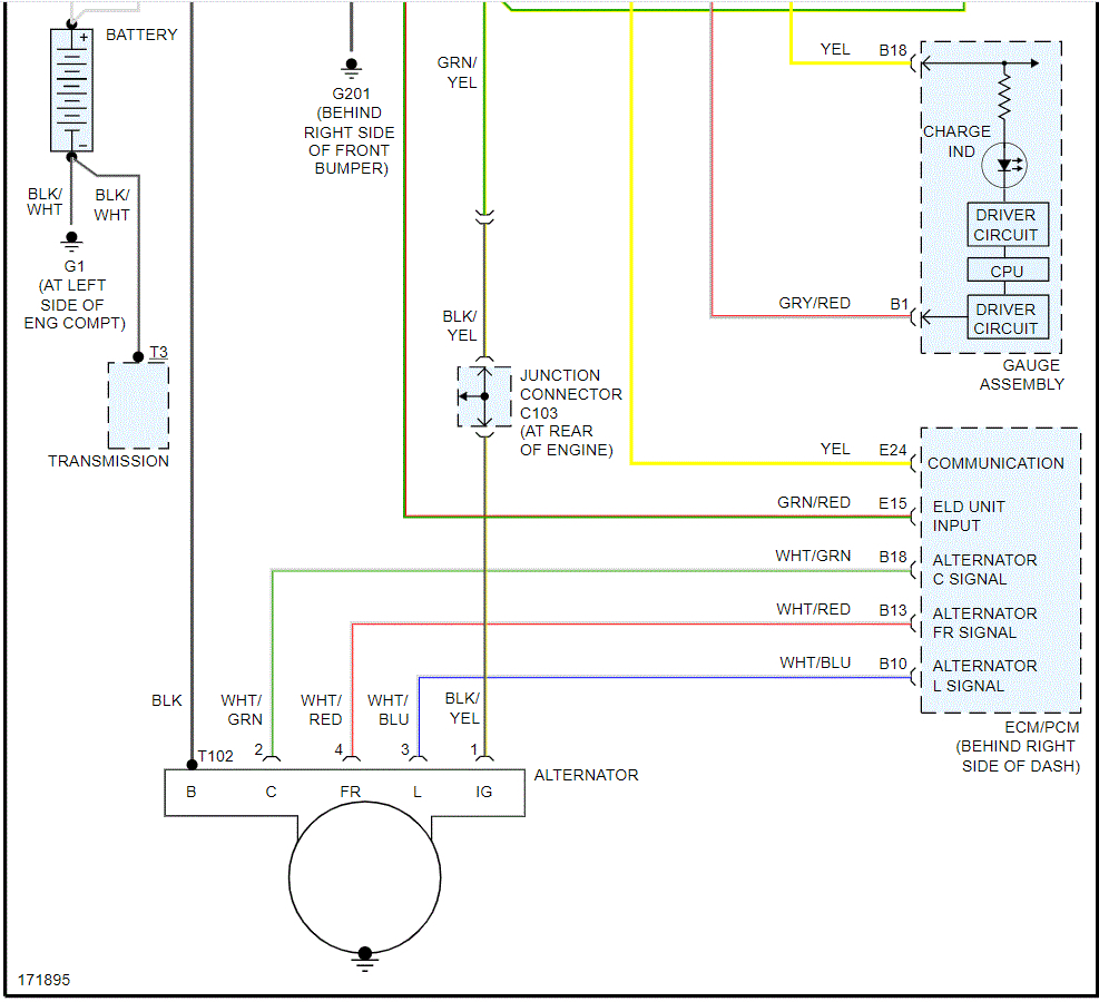
I just replaced my alternator. My old was on it way out dim and flickering lights voltage jumping erratically. I got new find charge light was on my voltage reading good 13.5 volts drops bit on a load. Did see in the box eld on low charge not sure how relearn or detect the alternator replacement.



