Sunday, March 15th, 2020 AT 12:12 PM
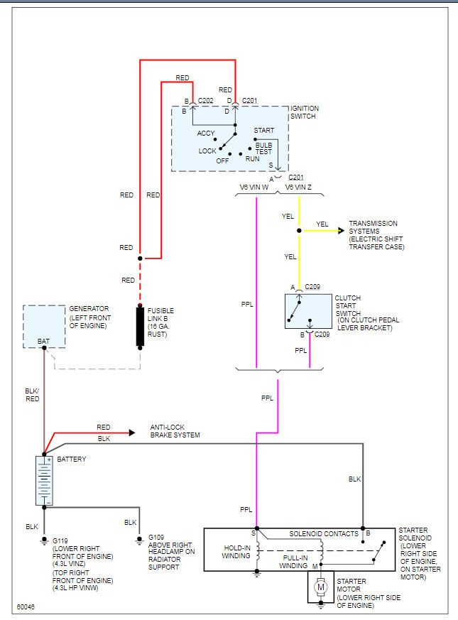
Everything is hooked up according to diagrams. Main power is live. Nothing cranks, nothing turns, no fuel pump or lights. Checked the basic fuses cannot find the short nor disconnect.


