Changed oil and filter

Tiny
CORY2427
  • MEMBER
  • 2012 VOLKSWAGEN BEETLE
  • 2.5L
  • 5 CYL
  • 2WD
  • AUTOMATIC
  • 88,207 MILES
Put everything back together got a little leak where the filter seals at base it’s just on one side it’s not pouring just little seap it came with 2o rings but changed one where it only had one don’t know what it could be
Friday, January 25th, 2019 AT 9:23 PM

25 Replies

Tiny
JACOBANDNICKOLAS
  • MECHANIC
  • 110,194 POSTS
Hi and thanks for using 2carpros. Com

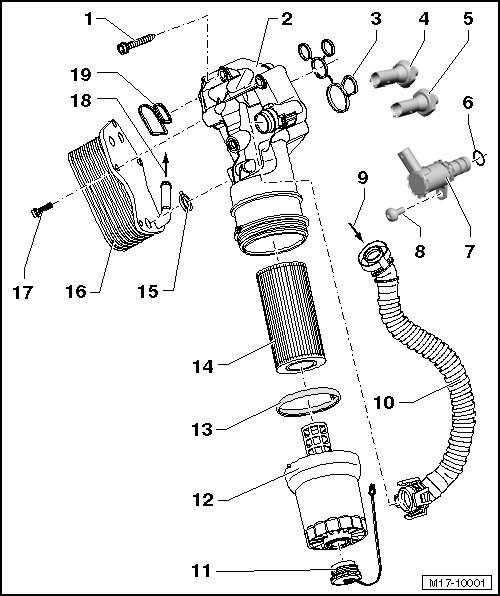
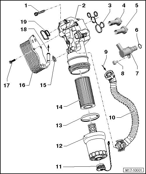
The filter housing has two o rings. One is for the drain at the bottom of the housing and the other goes on the threaded part that attaches to the engine. If you didn't remove the drain, there is no need to replace it. I attached a picture of the drain so you can see what I'm talking about. It is there to drain the housing before you remove it to help eliminate a mess.

Now, if you have a leak at one point, chances are you nicked the o ring when you installed it or you didn't lubricate the o ring with oil prior to installing. That can lead to the o ring binding when you screw the filter housing back on.

I hate to say it, but you need to remove the housing again. Inspect the o ring for any damage. Clean the housing as well as where it attaches. Lubricate the o ring with oil before you install it on the housing and installing it back on to the engine.

Let me know if that takes care of it.

Take care,
Joe
Was this
answer
helpful?
Yes
No
Saturday, January 26th, 2019 AT 8:13 PM
Tiny
CORY2427
  • MEMBER
  • 293 POSTS
Yea I only removed the inside one I did lube o ring and screwed it on tight it’s not leaking all the way around just in back bout finger nail length
Was this
answer
helpful?
Yes
No
Saturday, January 26th, 2019 AT 9:35 PM
Tiny
CORY2427
  • MEMBER
  • 293 POSTS
How much oil will I loose pulling it back off
Was this
answer
helpful?
Yes
No
Saturday, January 26th, 2019 AT 9:35 PM
Tiny
JACOBANDNICKOLAS
  • MECHANIC
  • 110,194 POSTS
You will lose very little oil because the canister is in a vertical position.

Let me know. Either the o ring is damaged or there is a problem with the plastic filter lid.
Was this
answer
helpful?
Yes
No
Saturday, January 26th, 2019 AT 10:29 PM
Tiny
CORY2427
  • MEMBER
  • 293 POSTS
Ok figure it out but will it hurt it to drive it until I can get back to it as long as oil is full thing won’t blow off or anything
Was this
answer
helpful?
Yes
No
Saturday, January 26th, 2019 AT 10:45 PM
Tiny
JACOBANDNICKOLAS
  • MECHANIC
  • 110,194 POSTS
If it is tight, it shouldn't come off. I have no idea how much it's leaking, just make sure it stays full.
Was this
answer
helpful?
Yes
No
Saturday, January 26th, 2019 AT 10:54 PM
Tiny
CORY2427
  • MEMBER
  • 293 POSTS
So I got a new gasket replaced it nothing was pinched or tore so don’t know what is going on I cleaned everything real good I managed to turn it little more not leaking as bad but still is housing and stuff is not cracked that I can see but I believe might need tightening more idk I can’t find the right oil filter cap to fit post to be 74mm but slips 73mm won’t fit
Was this
answer
helpful?
Yes
No
Monday, January 28th, 2019 AT 6:22 PM
Tiny
JACOBANDNICKOLAS
  • MECHANIC
  • 110,194 POSTS
Welcome back:

If it is not tight enough, it can leak. However, the canister can break if over tightened. The actual torque specs for the cap is as follows:

newton meter [N*m]:
25
foot-pound [ft*lbf]:
18.439053733

As far as the tool, are you using a standard oil filter tool designed for this vehicle?

I attached an exploded view of the filter housing. When you install the new o ring, make sure it is all the way up the threaded portion of the cap.

Let me know.

Joe
Was this
answer
helpful?
Yes
No
Monday, January 28th, 2019 AT 6:34 PM
Tiny
CORY2427
  • MEMBER
  • 293 POSTS
So should I try to get a vw oil wrench and give it a turn from tool and see cause can’t get it no tighter by hand
Was this
answer
helpful?
Yes
No
Monday, January 28th, 2019 AT 7:30 PM
Tiny
JACOBANDNICKOLAS
  • MECHANIC
  • 110,194 POSTS
If you are only tightening it by hand, that is the problem. Once the o ring makes contact, it takes a good bit of pressure to tighten it from that point.

You don't need to get a VW wrench, but you should be able to find one at a parts store. It would be much less money. I listed the torque specs above. That is much tighter than you can do by hand.

I hope this takes care of it. I feel confident it will.

Let me know if you have questions or need anything. Also, let me know if tightening it more takes care of the problem.

Take care,
Joe
Was this
answer
helpful?
Yes
No
Monday, January 28th, 2019 AT 8:33 PM
Tiny
CORY2427
  • MEMBER
  • 293 POSTS
So 18ft lbs for oil filter canister?
Was this
answer
helpful?
Yes
No
Tuesday, January 29th, 2019 AT 10:23 PM
Tiny
JACOBANDNICKOLAS
  • MECHANIC
  • 110,194 POSTS
Welcome back:

That is what the manual indicates. Let me know if you have other questions.

Take care,
Joe
Was this
answer
helpful?
Yes
No
Wednesday, January 30th, 2019 AT 8:22 AM
Tiny
CORY2427
  • MEMBER
  • 293 POSTS
So I got a oil filter wrench that fits. Tighten it up a little so far no leaks yet. Just thought I would update ya.
Was this
answer
helpful?
Yes
No
Thursday, January 31st, 2019 AT 11:01 PM
Tiny
CORY2427
  • MEMBER
  • 293 POSTS
But had one more question. I read the codes and freeze frame data nothing pops up so good on that but service light keeps coming on in the message things. How can I view it? I tried doing what I’ve read no luck.
Was this
answer
helpful?
Yes
No
Thursday, January 31st, 2019 AT 11:03 PM
Tiny
JACOBANDNICKOLAS
  • MECHANIC
  • 110,194 POSTS
Glad the oil leak is fixed. What light is coming on?
Was this
answer
helpful?
Yes
No
Friday, February 1st, 2019 AT 12:51 PM
Tiny
CORY2427
  • MEMBER
  • 293 POSTS
Service light with wrench. But I cannot figure out how to view it.
Was this
answer
helpful?
Yes
No
Friday, February 1st, 2019 AT 8:47 PM
Tiny
JACOBANDNICKOLAS
  • MECHANIC
  • 110,194 POSTS
That isn't a problem. It is a reminder to change oil which gets reset when you change the oil. Here is how to reset it:

1) Turn the key to the on position (engine off)
2) Using the control on the steering wheel, select the settings
3) In the submenu, select service
4) Select reset and then OK
5) You may have to press ok again to confirm

______________________

Here is what is listed in the manual:

RESETTING WITHOUT VEHICLE DIAGNOSIS TESTER
Service Interval Display, Resetting Without Vehicle Diagnosis Tester

Using the rocker switch on the windshield wiper lever or the button in the multifunction steering wheel

See picture 1

- Using the rocker switch, select the "settings" menu, or

See picture 2

- Using the button on the multifunction steering wheel, select the "settings" menu.
- Once in the "Service" submenu, select "Reset" and then press the OK button -1- either in the windshield wiper lever or in the multifunction steering wheel -5- to reset the service interval display.
- Press the OK button one more to confirm.

Using the buttons in the instrument cluster.

See picture 3

- With the ignition switched off, hold the -3- button pressed.
- Switch ignition on.
- Release the button -3- and briefly press the button for setting the clock -1- one time.

The Service Interval Display is now in the Reset mode.
After a brief period, the display switches back to the normal display.

____________________

Let me know if that helps.
Was this
answer
helpful?
Yes
No
Friday, February 1st, 2019 AT 9:24 PM
Tiny
CORY2427
  • MEMBER
  • 293 POSTS
Yea, I tried I can’t get in settings. When I get to one thing it flashes that 1330 something. Couldn’t reset it still shows thing I do not know.
Was this
answer
helpful?
Yes
No
Friday, February 1st, 2019 AT 9:44 PM
Tiny
CORY2427
  • MEMBER
  • 293 POSTS
Mine doesn’t have anything on steering wheel or a menu thing.
Was this
answer
helpful?
Yes
No
Friday, February 1st, 2019 AT 9:44 PM
Tiny
JACOBANDNICKOLAS
  • MECHANIC
  • 110,194 POSTS
If it's flashing 1330, that is a diagnostic trouble code for a knock sensor. You should be able to get to menu to reset the oil maintenance light. All of the 2012 models have the reset menu. Yours is on the wiper arm.
Was this
answer
helpful?
Yes
No
Friday, February 1st, 2019 AT 9:54 PM

Please login or register to post a reply.