Central locking system not working properly

Tiny
TNACHIBVO
  • MEMBER
  • 2004 HONDA ACCORD
  • 2.0L
  • 4 CYL
  • 2WD
  • AUTOMATIC
  • 90,000 MILES
Central locking system sounds like unlocking or locking, lights flick but not unlocking.
Tuesday, January 4th, 2022 AT 12:49 PM

1 Reply

Tiny
JACOBANDNICKOLAS
  • MECHANIC
  • 110,192 POSTS
Hi,

Is this happening at all doors or just the driver's door? If it is all of them and it happened all at once, let me know that as well. There could be something preventing enough voltage from reaching the actuators.

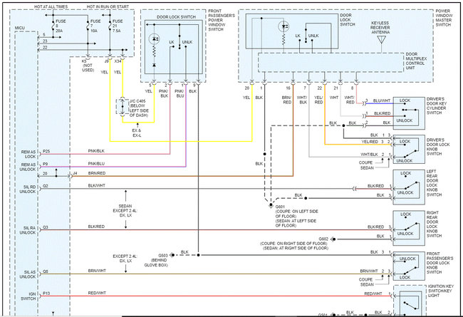
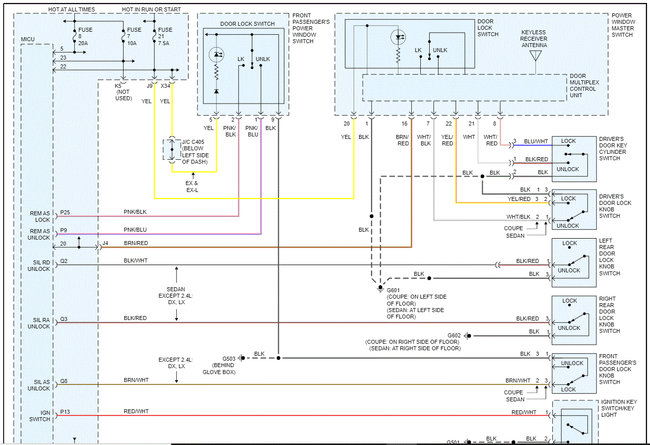
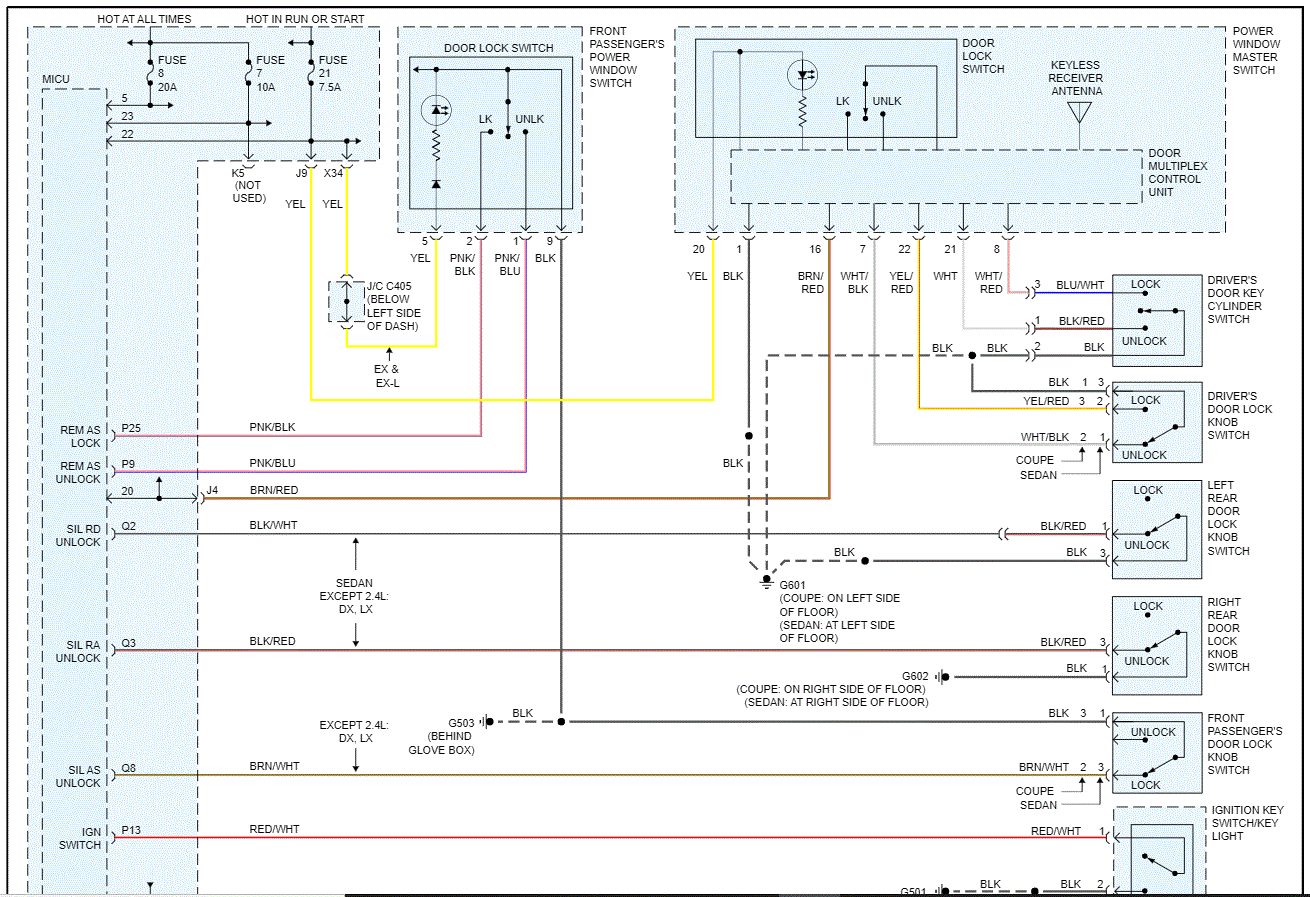
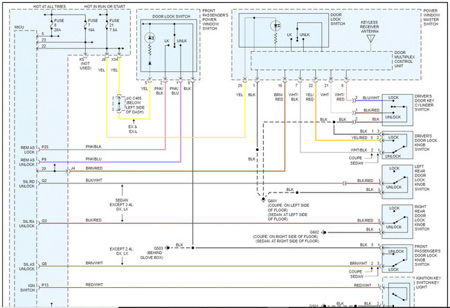
For your reference, I attached a wiring schematic showing the circuits involved. If this happened to all of the locks at once, go to one of the actuators and see if there is 12v+when you request lock or unlock.

Here is a link you may find helpful:

https://www.2carpros.com/articles/how-to-check-wiring

Let me know what you find or if you have other questions.

take care,

Joe

See pics below. Note: I had to cut the schematic in half to make it readable for you. I did overlap them so you can follow from one to the next.
Was this
answer
helpful?
Yes
No
Tuesday, January 4th, 2022 AT 6:19 PM

Please login or register to post a reply.