Center console controls not working?

Tiny
MARKFORTE
  • MEMBER
  • 2010 VOLVO XC70
  • 3.2L
  • 6 CYL
  • TURBO
  • AWD
  • AUTOMATIC
  • 105,000 MILES
Took car for detailed and when I picked up the a.C. Heat radio and other buttons not working. Was working this morning. Tried to reset by disconnecting battery. Still not working.
Sunday, September 18th, 2016 AT 12:27 PM

17 Replies

Tiny
AL514
  • MECHANIC
  • 5,590 POSTS
Is it possible they got water or some kind of cleaner in there and shorted out something in the control unit or by looking at this unit I see the cig lighter is integrated into it. If something got in there and shorted out the power circuit, start with checking all the fuses, make sure they have power on both sides, ie that they are not blown.
Was this
answer
helpful?
Yes
No
-1
Sunday, September 18th, 2016 AT 1:01 PM
Tiny
MARKFORTE
  • MEMBER
  • 4 POSTS
Yes. It looks like they cleaned inside the cig lighter. Are all fuses under the glove for this issue. I checked a few fuses and they looked fine. Is there a main fuse for the controls. Or a circuit breaker? Thanks for getting beck so quickly. The phone does work. Is it possible they ruu ed the whole module
Was this
answer
helpful?
Yes
No
-1
Sunday, September 18th, 2016 AT 1:46 PM
Tiny
AL514
  • MECHANIC
  • 5,590 POSTS
I don't think they ruined the whole unit, it just sounds like there is a power issue to the unit, I'm doing some research on this right now for you. I'm a Subaru trained tech, so its taking a few extra minutes, but I will figure out some simple checks you can do to start with.
Was this
answer
helpful?
Yes
No
+3
Sunday, September 18th, 2016 AT 5:14 PM
Tiny
AL514
  • MECHANIC
  • 5,590 POSTS
Heres the location of all the fuse panels, looks like you have fuse panels in the rear of the vehicle and in the engine compartment. You can check these fuses with the key ON engine off with a test light (check for power on both sides of the fuse) or take them out and manually check them. Hopes this helps. Let us know what you find and we will go from there.
Was this
answer
helpful?
Yes
No
+4
Sunday, September 18th, 2016 AT 6:02 PM
Tiny
MARKFORTE
  • MEMBER
  • 4 POSTS
Hi. Found 3 bad fuses. Console power still not working. Is it ok to try a battery reset.
Was this
answer
helpful?
Yes
No
+1
Monday, September 19th, 2016 AT 6:09 PM
Tiny
AL514
  • MECHANIC
  • 5,590 POSTS
Which fuses did you find bad? #'s? I'm looking at the wiring diagrams and there is a climate control system relay as well.
Was this
answer
helpful?
Yes
No
+1
Tuesday, September 20th, 2016 AT 12:20 PM
Tiny
AL514
  • MECHANIC
  • 5,590 POSTS
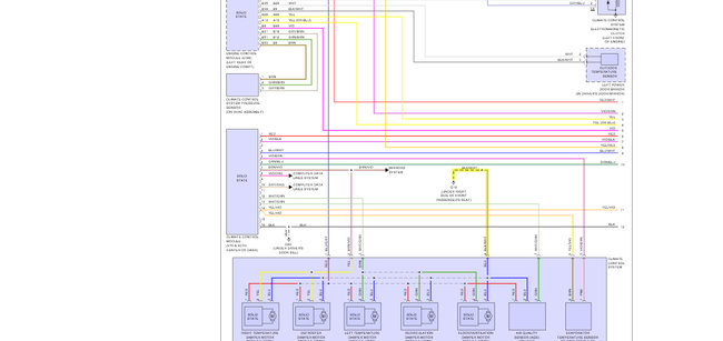
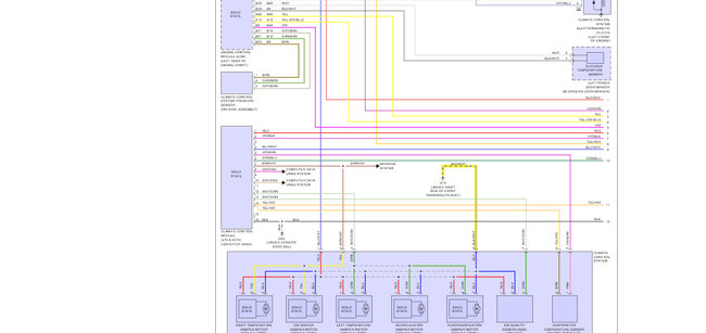
Also there is a shared ground wired under the right side of the pass seat, it is a black and white wire. It is highlighted in yellow on this diagram. Make sure this wire is grounded properly under the seat. There seems to be few different relays controlling this unit and the HVAC control unit is a solid state, it wouldn't be a good thing if they got any liquids into this.
Was this
answer
helpful?
Yes
No
+2
Tuesday, September 20th, 2016 AT 12:41 PM
Tiny
AL514
  • MECHANIC
  • 5,590 POSTS
And honestly if anything is damaged, the shop where you had it detailed is responsible for the damages.
Was this
answer
helpful?
Yes
No
+1
Tuesday, September 20th, 2016 AT 1:44 PM
Tiny
MARKFORTE
  • MEMBER
  • 4 POSTS
17 26 and either 14 or 19. I'll check the ground in the am. Is the relay a fuse. And where is it.
Was this
answer
helpful?
Yes
No
+1
Tuesday, September 20th, 2016 AT 4:50 PM
Tiny
AL514
  • MECHANIC
  • 5,590 POSTS
Ok, after looking over the wiring diagram and power distribution boxes, I see these fuses appear to be inside the car, these fuse boxes are powered by another fuse box which is located in the engine compartment on the left side forward of the strut tower. So basically another fuse box in the engine compartment is most likely going to have a fuse blown also, I'm not sure if you have checked these or not yet.
Was this
answer
helpful?
Yes
No
+3
Tuesday, September 20th, 2016 AT 5:23 PM
Tiny
AL514
  • MECHANIC
  • 5,590 POSTS
This is a list of what those aux fuses control, and they all lead back to the fuse panel under the hood. Check these fuses next

Fuses: #26 right rear seat heater control module

#17 High Level front display, multimedia module, remote digital audio
receiver & digital audio broadcast module

This fuse #14 has 2, as do many others in this car. C14 fuse is Power Passenger seat switch unit. F14 Fuse is Climate Control Module

#19 Phone Module & Bluetooth phone module

So go under the hood and start checking all those fuses also, everyone. Some may be bigger circuits, ie 40amp and some may be smaller, ie 5 amp. Let us know what you find from there.
Was this
answer
helpful?
Yes
No
+2
Tuesday, September 20th, 2016 AT 5:33 PM
Tiny
AL514
  • MECHANIC
  • 5,590 POSTS
I could list what every fuse controls but since you have already done some of the work by checking the inside panel and found those blown fuses. There is no need to list others until you see what has happened in the fuse panel under the hood.
Was this
answer
helpful?
Yes
No
+1
Tuesday, September 20th, 2016 AT 5:39 PM
Tiny
AL514
  • MECHANIC
  • 5,590 POSTS
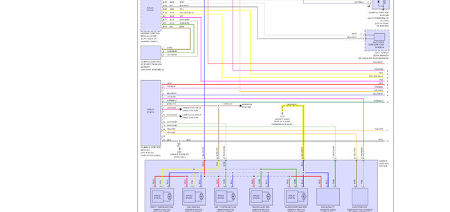
Heres the diagram for under the hood.
Was this
answer
helpful?
Yes
No
+1
Tuesday, September 20th, 2016 AT 5:52 PM
Tiny
MIKEC505
  • MEMBER
  • 1 POST
Found a bad fuse in a different fuse block. All better, thanks
Was this
answer
helpful?
Yes
No
Sunday, August 4th, 2019 AT 11:58 AM
Tiny
CLROB716
  • MEMBER
  • 1 POST
What fuse was replaced to fix your problem? I have the same issue after a coffee spill and cannot seem to locate a blown fuse.
Was this
answer
helpful?
Yes
No
-2
Saturday, November 30th, 2019 AT 8:14 PM
Tiny
AL514
  • MECHANIC
  • 5,590 POSTS
Hello, if you have a test light, check both sides of each fuse with the key in the on position. There are fuses under the dash board and in the engine compartment.
Was this
answer
helpful?
Yes
No
Tuesday, December 3rd, 2019 AT 5:42 AM
Tiny
KASEKENNY
  • MECHANIC
  • 18,907 POSTS
Just to jump in on this because it seems like there are a number of people that have a similar issue after a drink spill.

This commonly happens on a lot of different vehicles and unfortunately most car makers find that the space under a console (which always contains cup holders) to put some pretty important modules.

So when you spill a drink, the module can actually short out and cause different issues.

So what I would do is check the fuse boxes with a test light as AL514 talks about above using this guide to help.

https://www.2carpros.com/articles/how-to-check-a-car-fuse

If all the fuses in both panels check ok, then you need to remove the console and check the modules for signs of fluid in the connectors or that appear if it got inside the module.

Please run through this info and let us know what questions you have.

Thanks
Was this
answer
helpful?
Yes
No
Wednesday, September 15th, 2021 AT 8:23 PM

Please login or register to post a reply.