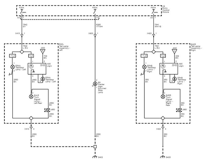
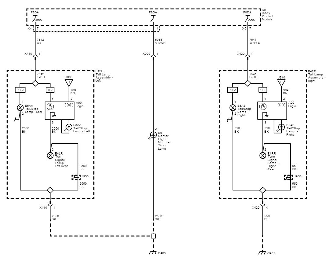
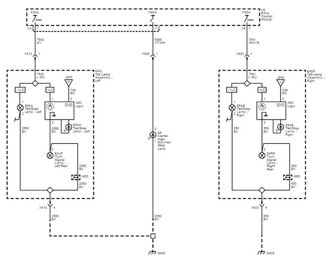
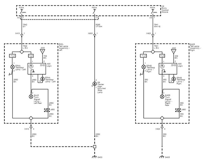
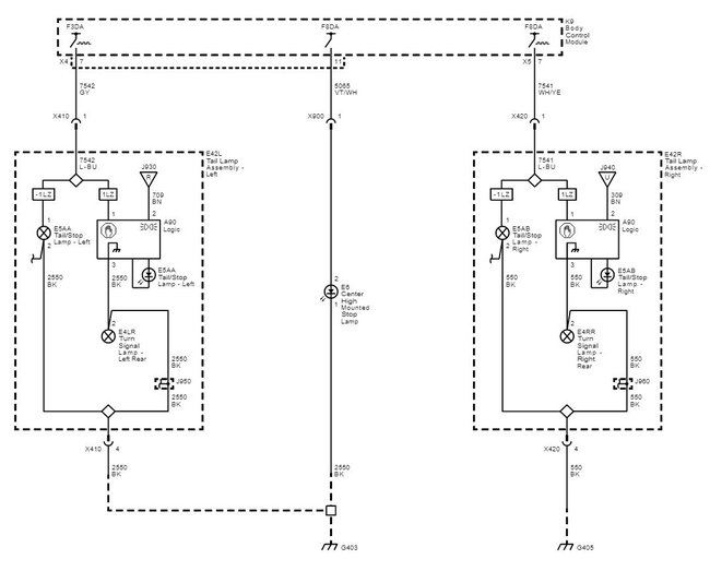
Center brake light on trunk will not turn off

Tiny
CMILLER1210
  • MEMBER
  • 2013 CHEVROLET MALIBU
  • 2.4L
  • 4 CYL
  • 2WD
  • AUTOMATIC
  • 57,000 MILES
When I press brakes it lights up like it's suppose to but when I let off brake it's still on like it's a park light mode.
Thursday, December 19th, 2019 AT 4:34 PM

1 Reply

Tiny
STEVE W.
  • MECHANIC
  • 15,679 POSTS
That is a bit different. Being it is fed directly from the Body Control Module with nothing else in control about the only two things to check would be that it has a good ground and then unplug the brake pedal position sensor to see if maybe it is passing enough current to make the BCM turn on the light dimly. From there you would need a scan tool to see if the BCM is turning the light on for some reason. To check the ground look for the ground point on the left wheel well in the trunk. Remove it, clean it to bare metal and replace it. To see if it is something in the BCM unplug the brake pedal position sensor. Under the dash on the pedal assembly. I doubt it will do anything but you need to be sure. You might try unplugging the left turn brake lamp. If something in it was failing it might provide a partial ground that would cause a glow.
Was this
answer
helpful?
Yes
No
Thursday, December 19th, 2019 AT 5:09 PM

Please login or register to post a reply.