Engine cranks but will not start?

Tiny
HDRIDE47
  • MEMBER
  • 2000 CADILLAC ESCALADE
  • 5.7L
  • V8
  • 4WD
  • AUTOMATIC
  • 230,000 MILES
I drove to the store last night cranked up fine, and got up this morning to go to my appointment, cranks fine but has no dash lights, and will not start at all.
Tuesday, August 30th, 2022 AT 1:48 PM

3 Replies

Tiny
JACOBANDNICKOLAS
  • MECHANIC
  • 110,194 POSTS
Hi,

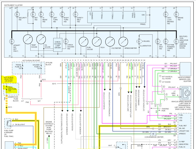
I brought up the wiring for the instrument cluster and noticed there is a fuse that also involves the fuel pump within the circuit. That is where we need to start.

If you look below, I attached the wiring schematic for the instrument panel (IP). I highlighted the ignition E fuse which is located in the under-hood fuse box. That is the one we need to check.

When you check this, first confirm the fuse is good. If it is, it is important to also check for power to and from the fuse.

Here is a link you may find helpful:

https://www.2carpros.com/articles/how-to-check-a-car-fuse

Let me know what you find. Also, pic 3 shows the fuse to check under the hood.

Take care,

Joe

See pics below.

Was this
answer
helpful?
Yes
No
Tuesday, August 30th, 2022 AT 8:17 PM
Tiny
HDRIDE47
  • MEMBER
  • 1 POST
It did not help me with my problem. Need more help, checked all fuses all are good still no lights in-dash no fuel pump noises or doesn't try to crank, motor just turns over fast.
Was this
answer
helpful?
Yes
No
Friday, September 16th, 2022 AT 5:00 PM
Tiny
JACOBANDNICKOLAS
  • MECHANIC
  • 110,194 POSTS
Hi,

I need you to check one more fuse. It's the ECM B fuse in the under-hood fuse box. It is very important to confirm there is the power to and from the fuse because there are mega fuses that send power to it. One of them may have failed.

Let me know.

Joe

See pics below. Pic 2 shows the location of the fuse.
Was this
answer
helpful?
Yes
No
Saturday, September 17th, 2022 AT 9:19 PM

Please login or register to post a reply.