Fuel not getting to engine

Tiny
STUPIDDOPE SIRAP
  • MEMBER
  • 1996 PONTIAC GRAND PRIX
  • 3.1L
  • AUTOMATIC
  • 190,000 MILES
One day I started my car and it started to idle out of control almost as if it ran out of gas. I’ve replace the fuel pump but didn’t apply the new wires for the pump. I’ve put more gas in it and changed spark plugs. It cranks and turns over but doesn’t remain on, as if it doesn’t have enough gas, the new pump comes on but still feels like as if there isn’t any gas going to the engine.
Wednesday, September 11th, 2019 AT 1:56 PM

1 Reply

Tiny
JACOBANDNICKOLAS
  • MECHANIC
  • 110,194 POSTS
Welcome to 2CarPros.

This could be the result of a few things, so we have to eliminate them until we find the issue. What I need you to do first is to check fuel pressure. Although you hear the pump running, it may not be supplying enough pressure. That could be the result of a plugged filter or faulty fuel pressure regulator. Here is a link that shows how it is done:

https://www.2carpros.com/articles/how-to-check-fuel-system-pressure-and-regulator

Here are the directions specific to your vehicle for testing pressure. The pics attached correlate with the directions. Also, a few of the pics contain procedures. These directions also include fuel pressure drop off testing and injector issues. I don't feel this is an injector issue.

_______________________________________

1996 Pontiac Grand Prix V6-3100 3.1L VIN M SFI
Fuel System Pressure Test
Vehicle Powertrain Management Fuel Delivery and Air Induction Fuel Pump Fuel Pressure Testing and Inspection Component Tests and General Diagnostics Fuel System Pressure Test
FUEL SYSTEM PRESSURE TEST
Fuel System Pressure Test

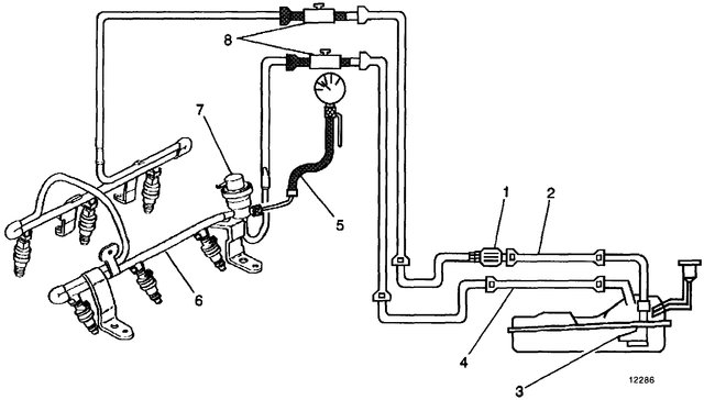
pic 1

Fuel System Pressure Test (continued)

pic 2

Fuel System Pressure Test (continued)

pic 3

Fuel System Pressure Test (continued)

pic 4

Circuit Description Fuel System Pressure Test

pic 5

When the ignition switch is turned ON, the Powertrain Control Module (PCM) will turn ON the in-tank fuel pump. The in-tank fuel pump will remain ON as long as the engine is cranking or running and the PCM is receiving reference pulses. If there are no reference pulses, the PCM will turn the in-tank fuel pump OFF 2 seconds after the ignition switch is turned ON or 2 seconds after the engine stops running. The in-tank fuel pump is an electric pump, attached to the Fuel Sender Assembly. The in-tank fuel pump (3) supplies fuel through the fuel feed pipe (2), and in-line fuel filter (1) to the Fuel flail Assembly (6). The fuel pump is designed to provide fuel at a pressure above the pressure needed by the fuel injectors. A fuel pressure regulator (7), attached to the Fuel Rail, keeps the fuel available to the fuel injectors at a regulated pressure. Unused fuel is returned to the fuel tank by a separate fuel return pipe (4). The fuel pressure gauge J 34730-1A(5) and fuel pipe shut off adapters J 37287(8) are used for fuel system diagnosis.

TEST DESCRIPTION

Number(s) below refer to the step number(s) on the Diagnostic Table.

2. To relieve the fuel pressure, refer to Fuel Pressure Release Procedure. With the ignition switch ON and the fuel pump running, the fuel pressure indicated by the fuel pressure gage should be 333-376 kPa (48-55 psi). This pressure is controlled by the amount of pressure the spring inside the fuel pressure regulator can provide.

3. A fuel system that can not maintain a constant fuel pressure has a leak in one or more of the following areas:

The fuel pump check valve.
The fuel pump pulse dampener.
The valve or valve seat within the fuel pressure regulator.
The fuel injector(s).

4. Fuel pressure that drops-off during acceleration, cruise or hard cornering may cause a lean condition. A lean condition can cause a loss of power, surging, or misfire. A lean condition can be diagnosed using a scan tool. If an extremely lean condition occurs, the oxygen sensors(s) will stop toggling. The oxygen sensor output voltage(s) will drop below 500 mV. Also, the fuel injector width will increase.

Important: Make sure the fuel system is not operating in the Fuel Cut-Off Mode. This can cause false indications by the scan tool.

7. When the engine is at idle, the manifold pressure is low (high vacuum). This low pressure (high vacuum) is applied to the fuel pressure regulator diaphragm. The low pressure (high vacuum) will offset the pressure being applied to the fuel pressure regulator diaphragm by the spring inside fuel pressure regulator. When this happens, the result is lower fuel pressure. The fuel pressure at idle will vary slightly as the barometric pressure changes, but the fuel pressure at idle should always be less than the fuel pressure noted in Step 2 with the Engine OFF.

12. A rich condition may result from the fuel pressure being above 376 kPa (55 psi). A rich condition may cause a DTC P0132 or a DTC P0172 to set. Driveability conditions associated with rich conditions can include hard starting (followed by black smoke) and a strong sulfur smell in the exhaust.

13. This test determines if the high fuel pressure is due to a restricted fuel return pipe or if the high fuel pressure is due to a faulty fuel pressure regulator.

16. A lean condition may result from the fuel pressure being below 333 kPa (48 psi). A lean condition may cause a DTC P0131 or a DTC P0171 to set. Driveability conditions associated with lean conditions can include hard starting (when the engine is cold), hesitation, poor driveability, lack of power, surging, and misfiring.

17. Restricting the fuel return pipe with the J 37287 Fuel Pipe Shut-Off Adapter causes the fuel pressure to rise above the regulated fuel pressure. Using a scan tool to pressurize the system, the fuel pressure should rise above 376 kPa (55 psi) as the gage outlet hose is pinched.

Caution: Do Not allow the fuel pressure to exceed 450 kPa (65 psi). Fuel pressure in excess of 450 kPa (65 psi) may damage the Fuel Pressure Regulator.

24. Check the spark plug associated with a particular fuel injector for fouling or saturation in order to determine if that particular fuel injector is leaking. If checking the spark plug associated with a particular fuel injector for fouling or saturation does not determine that a particular fuel injector is leaking, use the following procedure:

1. Remove the fuel rail, but leave the fuel pipes connected to the fuel rail.
2. Lift the fuel rail just enough to leave the fuel injector nozzles in the fuel injector ports.

WARNING: In order to reduce the risk of fire and personal injury that may result from fuel spraying on the engine, verify that the fuel rail is positioned over the fuel injector ports, and verify that the fuel injector retaining clips are intact.

3. Pressurize the fuel system by using a scan tool.

4. Visually and physically inspect the fuel injector nozzles for leaks.

26. The fuel pressure regulator filter screen is designed to trap any contaminants introduced during engine assembly. If the fuel pressure regulator screen is dirty, it can be removed with a small pick and discarded without potential harm to the fuel pressure regulator.

________________________________

Let me know if this helps. Also, if it is possible, record what the vehicle is doing so I can hear it. And, let me know if the vehicle starts every time right after it turns off.

Take care,
Joe
Was this
answer
helpful?
Yes
No
Wednesday, September 11th, 2019 AT 6:27 PM

Please login or register to post a reply.