Car will not stay charged

Tiny
BRIAN COLLINS
  • MEMBER
  • 1997 FORD MUSTANG
  • 3.8L
  • V6
  • 2WD
  • MANUAL
  • 146,000 MILES
I really need help. I bought a brand new battery and brand new alternator still wont stay charge, it drains the battery. I put my battery on charge it will run perfect until the battery drains. It wont run.
Tuesday, April 30th, 2019 AT 11:19 AM

1 Reply

Tiny
CARADIODOC
  • MECHANIC
  • 34,489 POSTS
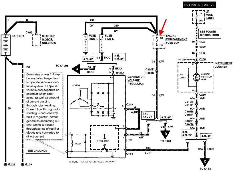
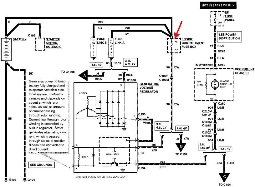
I'm guessing you only mean the battery goes dead after about an hour of driving, and not simply from sitting overnight. The first thing is to look for the "Battery" warning light on the dash. If that never turns on, that is the circuit we need to look at. That is the circuit that starts the voltage regulator doing its job.

Next, measure the battery voltage with the engine running. It's supposed to be between 13.75 and 14.75 volts. If that is what you find, the charging system is working and there is some other symptom we have to look at.

If the "Battery" light does turn on and stays on, the best suspect is a blown "Alt" fuse in the under-hood fuse box. That's a yellow 20-amp fuse.

Another way to see if that fuse is okay is to do the "Ground Here to Test" procedure. The third photo shows the screw to ground with a jumper wire. This one is really rusty. If yours looks like that, you'll need to scratch at it to clean up a shiny spot so it makes a good connection. Grounding this screw bypasses the voltage regulator and makes the generator charge wide-open. Just do this long enough to see what happens, and don't raise engine speed during this test. Check if the battery voltage goes up or if the head lights get bright. If you see that, the fuse is okay and the voltage regulator is defective or is not being turned on. If there's no change when you ground that terminal, that fuse is likely blown.

Also check for a much less common problem. That's a blown Fuse link "A". Regardless if the engine is off or running, you must always find exactly the same voltage on the generator's output stud on the rear and the battery's positive terminal. If you find 0 volts at the output stud with the engine off, and that voltage is significantly higher than battery voltage with the engine running, that fuse link wire is burned open.
Was this
answer
helpful?
Yes
No
Tuesday, April 30th, 2019 AT 6:11 PM

Please login or register to post a reply.