Saturday, July 9th, 2022 AT 8:30 AM
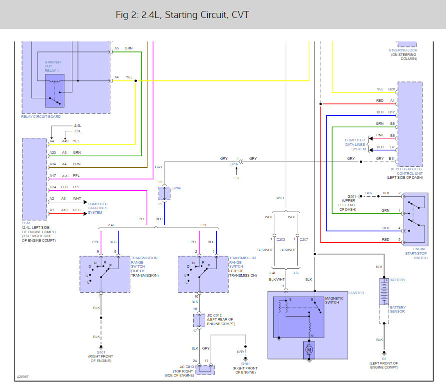
I'm having this issue with my car where if I drive it for an extended period of time for example a 30–40-minute drive, and I turn off my car when arriving at my destination and then try to turn it back on within the next 5 minutes it will not turn on. My lights, radio and windows work but in trying to put it on the "on" position it will not start. There is no noise when trying to start it either. I typically have to wait about 30 minutes to an hour for my car to turn on again. There are no lights to turn on in my dashboard. I have also already replaced a sensor on my terminal, the starter (multiple times), the alternator (multiple times) and my battery.




