Code U1001, cranks will not start

Tiny
ANDRIN ATEM
  • MEMBER
  • 2006 NISSAN MURANO
  • 3.5L
  • 6 CYL
  • 2WD
  • AUTOMATIC
  • 218,752 MILES
U1001, I have replaced the ECU with part number mec31-140 f1 2y01. I have reprogrammed the immo, the only fault code I have u1001. Car would not start. This is the original OEM ECU part number 23710-ca060, it got bad so I replaced. How can I solve the u1001? All ground cables are double checked, I can't figure out where the issue why this car won't light up. Just to add the VIN JN8AZ08T36W412139.
Tuesday, January 19th, 2021 AT 5:02 AM

10 Replies

Tiny
JACOBANDNICKOLAS
  • MECHANIC
  • 110,192 POSTS
Based on the code, it isn't related to the parts but rather the CAN bus. The modules are unable to communicate with each other. Take a look through this and let me know if it helps. Also, the attached pic correlates with the directions.

________________________________

2006 Nissan-Datsun Truck Murano FWD V6-3.5L (VQ35DE)
CAN Communication
Vehicle ALL Diagnostic Trouble Codes ( DTC ) Testing and Inspection U Code Charts U1001 CAN Communication
CAN COMMUNICATION
DTC U1000, U1001 CAN COMMUNICATION LINE

Description
CAN (Controller Area Network) is a serial communication line for real time application. It is an on-vehicle multiplex communication line with high data communication speed and excellent error detection ability. Many electronic control units are equipped onto a vehicle, and each control unit shares information and links with other control units during operation (not independent). In CAN communication, control units are connected with 2 communication lines (CAN H line, CAN L line) allowing a high rate of information transmission with less wiring. Each control unit transmits/receives data but selectively reads required data only.

Pic 1

On Board Diagnosis Logic

DTC Confirmation Procedure
1. Turn ignition switch ON and wait at least 3 seconds.
2. Select "DATA MONITOR" mode with CONSULT-II.
3. If 1st trip DTC is detected, go to "Diagnostic Procedure" below.

EC-CAN-01

pic 2

Wiring Diagram

Diagnostic Procedure
Go to LAN-3, "Precautions When Using CONSULT-II". See: Information Bus > Vehicle Damage Warnings > Precautions When Using CONSULT-II

Let me know if this helps.

Joe
Was this
answer
helpful?
Yes
No
+2
Wednesday, January 20th, 2021 AT 5:34 PM
Tiny
KASEKENNY
  • MECHANIC
  • 18,907 POSTS
Just to be clear, this code was not there before you replaced the ECM?

This code is basically telling us that the ECM cannot communicate with the other modules. They communicate on what is called a CAN communication network. Here is a guide that will get us started:

https://www.2carpros.com/articles/can-scan-controller-area-network-easy

Next we need to run through this testing. Basically it is just telling us to check the connection with the ECM. I would recommend taking the connector off and put it back on and make sure it is connected properly.

Let us know what you find. Thanks
Was this
answer
helpful?
Yes
No
+2
Wednesday, January 20th, 2021 AT 5:36 PM
Tiny
ANDRIN ATEM
  • MEMBER
  • 420 POSTS
Thanks for the info. How can I diagnose the Can H and Can L? How can I use my multi meter to determine if I have an open circuit or short? Can I please have a guide on going about this by physically using a meter to determine?
Was this
answer
helpful?
Yes
No
-2
Wednesday, January 20th, 2021 AT 11:50 PM
Tiny
JACOBANDNICKOLAS
  • MECHANIC
  • 110,192 POSTS
Hi,

The directions above explain how to test using a scan tool that can work the can-bus system. Do you have access? If you use a multimeter, the only thing you can check for would be continuity through the wiring.

Let me or Kenny know how we can help.

Joe
Was this
answer
helpful?
Yes
No
Thursday, January 21st, 2021 AT 6:26 PM
Tiny
ANDRIN ATEM
  • MEMBER
  • 420 POSTS
Access to the ECU? I also got a maxisys ms908 pro. I do not have a special tool for the Can bus. So I just have a multimeter to check for open circuit. Please I don't understand when you mean if I got access. I got it now, you were asking if I had a lap scope, I do not have it. I will later buy one from Autel.
Was this
answer
helpful?
Yes
No
Friday, January 22nd, 2021 AT 4:37 AM
Tiny
JACOBANDNICKOLAS
  • MECHANIC
  • 110,192 POSTS
Many of the newer, upper-level scan tools can identify issues within the can system. That is what I was referring to; if you had access to a scan tool that can do that. Sorry about that. I wasn't too clear. Also, I'm not real familiar with the scanner you have.

If you are going to use a multimeter, then I'm going to request Kenny to jump back in. In that aspect, he is likely more knowledgeable than I am doing it that way. However, the only thing I can think of would be to check to a completed circuit.

Let me know.

Joe
Was this
answer
helpful?
Yes
No
+1
Friday, January 22nd, 2021 AT 1:35 PM
Tiny
ANDRIN ATEM
  • MEMBER
  • 420 POSTS
Okay, thanks. I will be waiting.
Was this
answer
helpful?
Yes
No
Saturday, January 23rd, 2021 AT 1:01 AM
Tiny
KASEKENNY
  • MECHANIC
  • 18,907 POSTS
No problem Joe. Sorry for the delay.

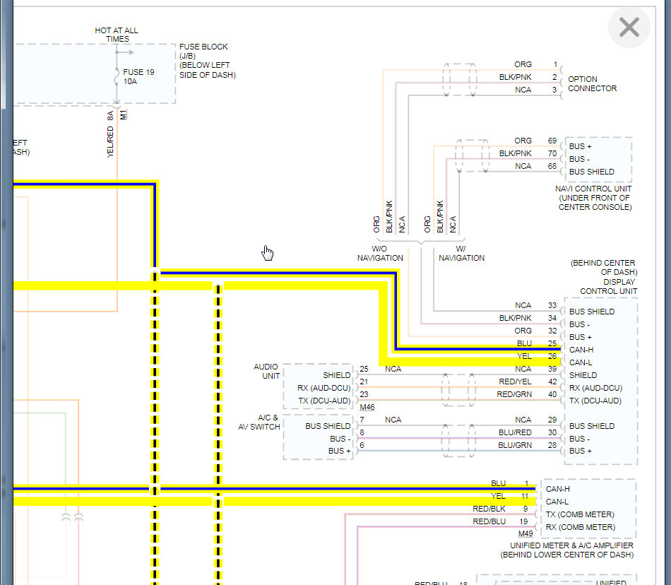
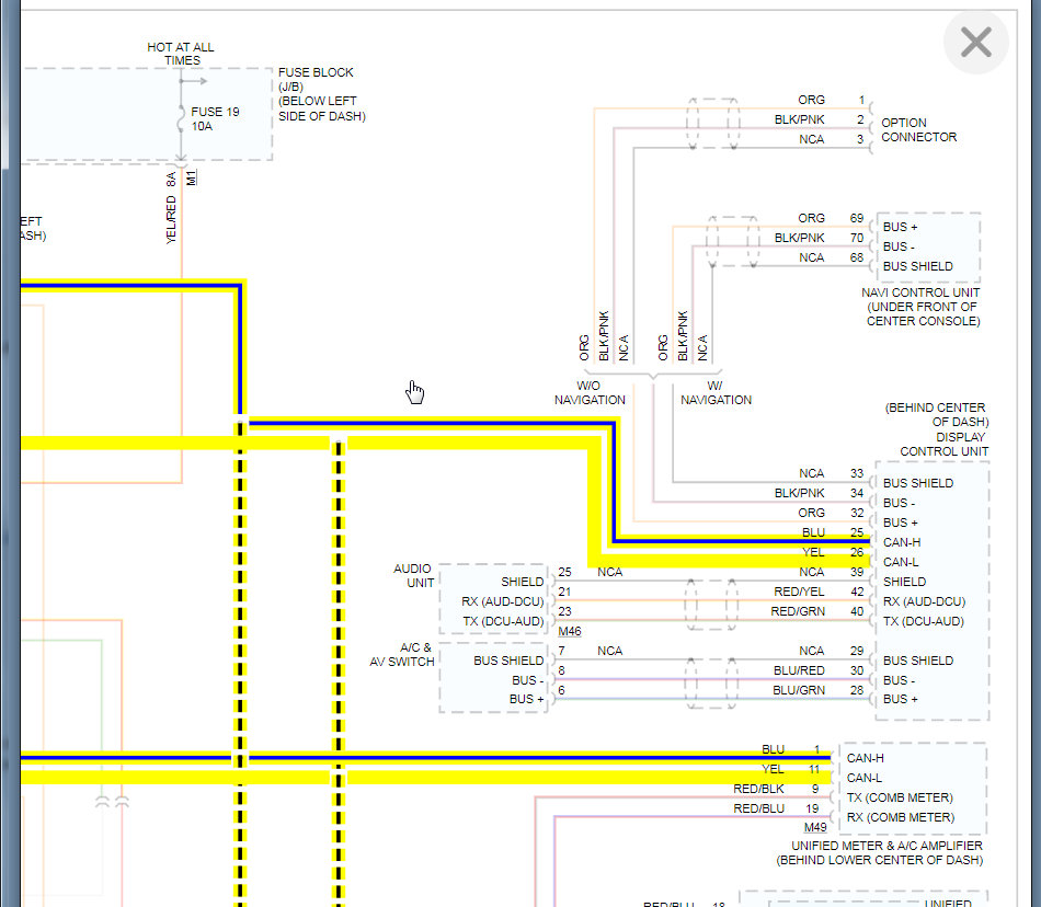
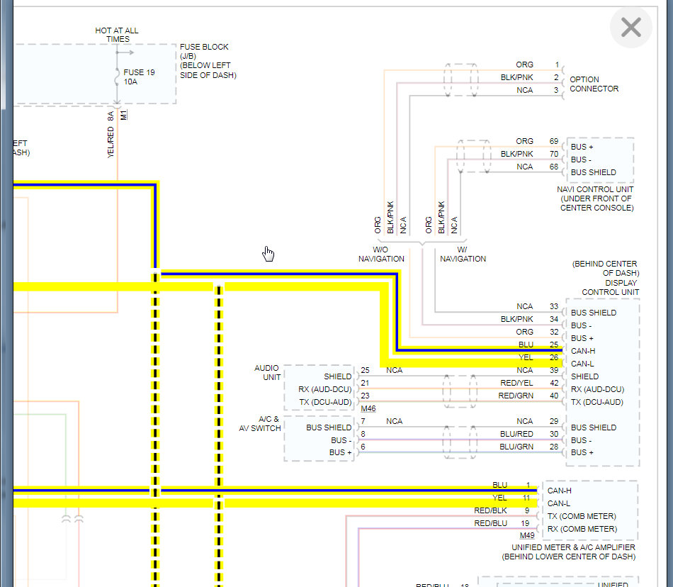
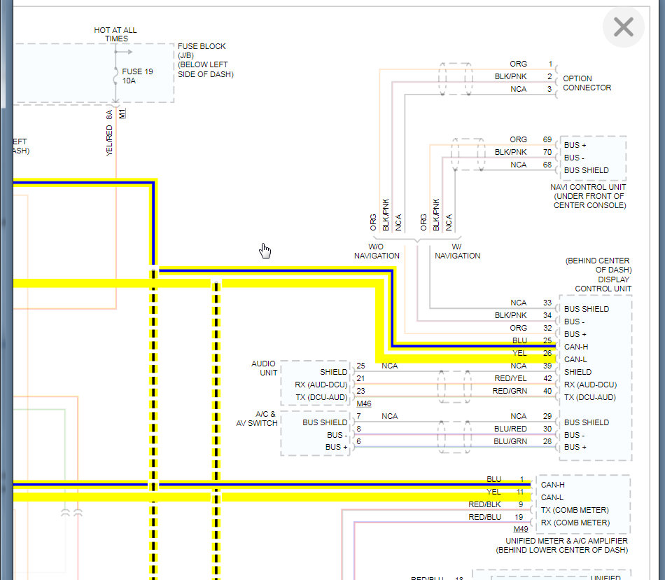
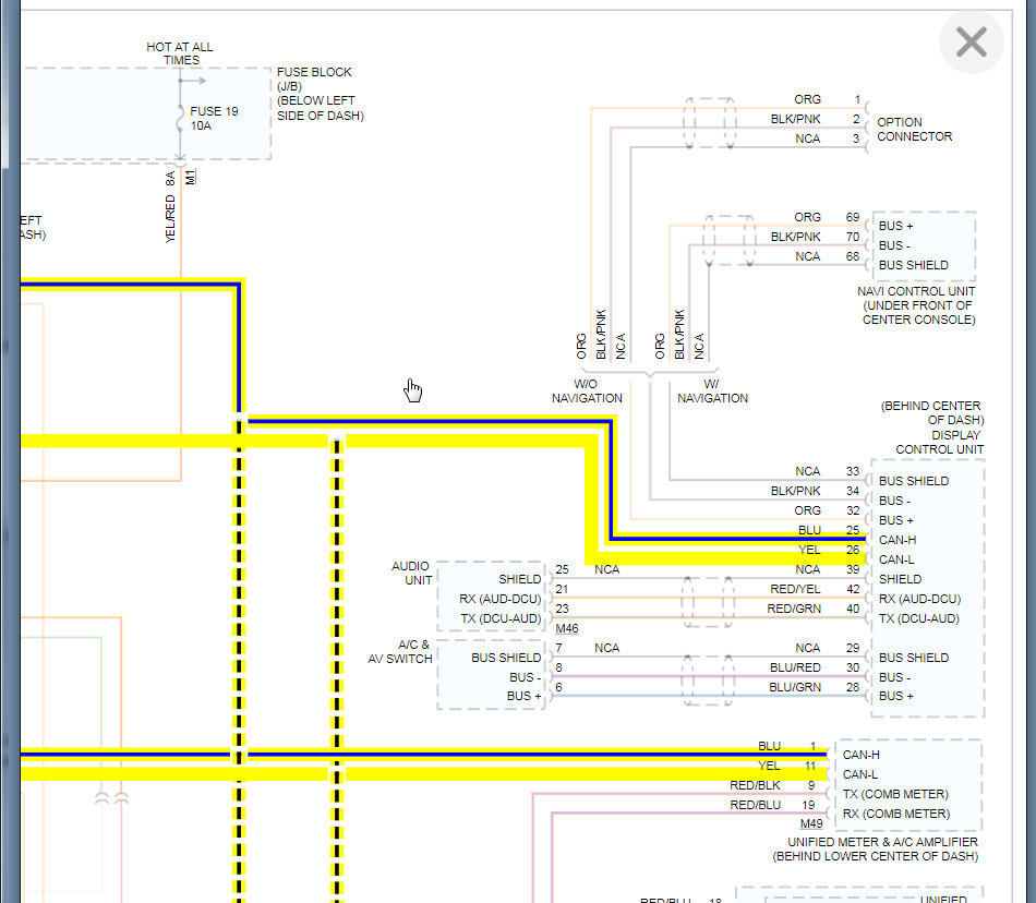
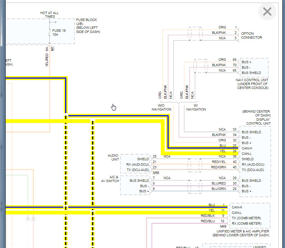
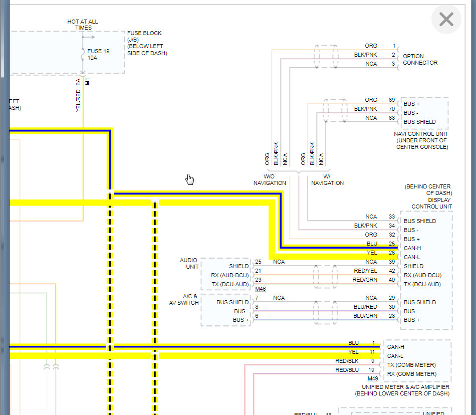
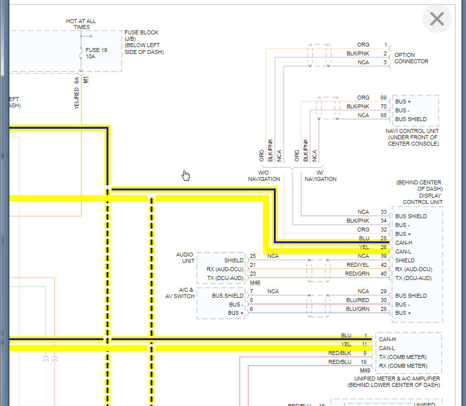
We can use a meter to figure this out. Let's start with what these codes are telling us. Basically the CAN network is the information highway in which each of these modules talk to each other. These codes are telling us that the ECM is not able to communicate properly on this highway. I am attaching the wiring diagram that you can see the two wires, blue and yellow go from the DLC to each of the modules. This is the the highway that we are talking about.

So let's start at the data link connector. This is the connector that you plug the scan tool into to read the codes.

Can you check power on pin 6? Then pin 14? So one meter lead in 6 and the other in 4 or 5 which is your ground. Then 14 and the same ground. The key is should be in the on position. Let me know what the voltage is on both lines.

Once we confirm we have good voltage we will do what is called a termination resistance check but let's start with the voltage because if that is not correct we will go in a different direction. Plus it can get too confusing if we include too much info upfront.

Let me know if you have questions. Thanks
Was this
answer
helpful?
Yes
No
+2
Saturday, January 23rd, 2021 AT 5:36 PM
Tiny
ANDRIN ATEM
  • MEMBER
  • 420 POSTS
Thanks. We do have a voltage readings on Can H 2.7 volts and Can L 2.3 volts.
Was this
answer
helpful?
Yes
No
Saturday, January 23rd, 2021 AT 5:57 PM
Tiny
KASEKENNY
  • MECHANIC
  • 18,907 POSTS
Perfect. Those are perfect. So now we need to go to the ECM and check power, ground, and bus voltage at that module since it appears to be the one that is not communicating.

So we need to make sure the ECM is operating as it needs power and ground. This is a safe assumption since the engine is cranking so it is getting the ignition switch feed and sending the signal to the starter to turn the engine over.

However, I suspect we have a connector issue at the ECM which is why we have the codes and the engine is not starting. Basically the ECM cannot communicate on the BUS to send the rest of the messages it needs to.

Also, I just want to check and make sure these codes were active and the theft light is out?
Was this
answer
helpful?
Yes
No
+3
Sunday, January 24th, 2021 AT 3:28 PM

Please login or register to post a reply.