PATS did not recognize key then mileage and MPG info was dashed out?

2019 FORD FLEX
180,000 MILES • 2WD • AUTOMATIC
Avatar
NIKOLAI817
  • MEMBER
  • 17 POSTS
PATS didn't recognize key then mileage and MPG info was dashed out. Checking fuses and only some are getting power in engine compartment. Looking to find what fuses should get power when ignition in on position. Will not start.
Nov 7, 2023 at 10:58 AM
Advertisement
Repair Safety Notice: This information is for general instructional purposes only. Vehicle repair can be dangerous. Verify all information, follow manufacturer service procedures, use proper tools and safety equipment, and consult a qualified repair shop when needed.
Avatar
STRAILER
  • AUTOMOTIVE REPAIR CONTRIBUTOR
  • 54,128 POSTS
Yes, I have seen this when the instrument cluster goes out which will cause the problem you are describing. To be sure we should do a CAN scan. You can get a CAN scanner (Controller Area Network) which will work on most cars from Amazon.

Here is a video to show you how:


https://youtu.be/u-4syLc-ifQ


Please get back to me with the codes, here is how to change the instrument cluster out in case a code is stored for it. You can get a preprogrammed unit by searching Google or Ebay make sure to have your VIN number ready. Check out the images below. Please let us know what happens.

Nov 7, 2023 at 11:19 AM
Avatar
NIKOLAI817
  • MEMBER
  • 17 POSTS
So, you are sure it's not the PCM? Also, why are only some of the fuses in my engine compartment getting power when the key is in the on position?
Nov 7, 2023 at 11:22 AM
Advertisement
Avatar
STRAILER
  • AUTOMOTIVE REPAIR CONTRIBUTOR
  • 54,128 POSTS
No, I am not sure that is why we need to perform a CAN scan, I have seen the problem with other cars, so I am 70% sure, but for 100% we need to do the scan.
Nov 8, 2023 at 8:47 AM
Avatar
NIKOLAI817
  • MEMBER
  • 17 POSTS
Hey Ken, sorry this took me so long. Life, am I right? Anyway, I got a scanner, and it would not communicate at all. Tried it on another flex and it worked fine, so it wasn't the scanner. Started the process of checking all of the fuses, both passenger and engine compartment. They were fine. Checked the relays for PCM, again fine. Removed windshield cowl and wiper arms cleaned out behind the firewall and the PCM area. Reseated PCM connections. Bought a brand new battery. Still no communication with scanner. All dash lights still illuminated, and rear lift gate will not open. It just gives a beep when I tried. Seemed like zero communication with PCM or computer brains. I was furious. So I discharged all current by touching the positive and negative battery cables. Then I let it sit. Bought a new odb2 reader and tried it out yesterday. It worked fine, but no codes. Tried the old one again, and it works fine now, but again, no codes. Drove it around the block, and no communication issues or dash lights popped on. Any advice on what it is/was? What I should do now? What I could do to replicate the problem for testing? And also it now has a lurching and revving when going into 4th or 5th gear (if there is a 5th). Any advice on that? And most importantly, my apologies again for the time it's taken me to get back to you, and a big that is for the help so far. Hit me back when you get a chance.
Jun 14, 2024 at 10:45 AM
Advertisement
Avatar
STRAILER
  • AUTOMOTIVE REPAIR CONTRIBUTOR
  • 54,128 POSTS
Yep yep, life can get ya sometimes, the hard system reboot fixed it which is a good thing, here is a guise so other can see what you did to fix it:

https://www.2carpros.com/articles/step-by-step-guide-performing-a-hard-system-reboot-for-your-vehicles-electronics-systems

I believe the PCM could going bad though, but I would drive it until it had another problem then I would send the PCM for testing or get a rebuilt unit. I have left the location and instructions on how to change out the PCM, you can get a preprogrammed unit by searching Google or Ebay. Check out the images (below). Let us know how it goes.

Jun 15, 2024 at 10:53 AM
Avatar
NIKOLAI817
  • MEMBER
  • 17 POSTS
Hey Ken,

Thanks again so much for the help! I really appreciate it. Unfortunately, it happened again. No communication with ODB2 scanner, dashes for fuel level, all warning lights illuminated, and sometimes the odometer reads all dashes as well. Sometimes the odometer reads correctly. I've done the system reboot/power cycle multiple times, in multiple ways, and it's still nothing. Should I replace the PCM, or is there anything else it could be? For example, bad ground/wiring issue, bad relay, etc. I have to ask, although I'm sure I know the answer, but this couldn't just be an issue with the chip key, or the key reader? I tested the reader on another car, and it worked fine, so I figured it's not the culprit, but I just thought I'd cover my bases. Could this also explain that lurching and revving between the higher gears as I asked before, or is that a different issue all together? Sorry to keep bothering you about this, but I really appreciate it. Thanks again.
Jul 3, 2024 at 11:21 AM
Avatar
STRAILER
  • AUTOMOTIVE REPAIR CONTRIBUTOR
  • 54,128 POSTS
It sounds like there is a problem in the CAN (BCM - Cluster) but I would recheck all fuses with the systems on, and if anything is okay, I would send the PCM in for testing.

Here is a guide to help:

https://www.2carpros.com/articles/how-to-check-a-car-fuse

Did you try the hard reboot? Here are the fuse locations so you can check them out. Check out the images (below). Please let us know what happens.
Jul 3, 2024 at 1:46 PM
Avatar
NIKOLAI817
  • MEMBER
  • 17 POSTS
Do I need to check every single fuse, or are there any particular fuses that could be causing this? I already ran through the fuses and all interior fuses were good, some fuses in the engine compartment didn't seem to have power even with the key in the on position. Also, do you know how I can locate the ground wires for the PCM, as I have heard that can be an issue and prone to corroding?
Jul 15, 2024 at 10:57 AM
Avatar
STRAILER
  • AUTOMOTIVE REPAIR CONTRIBUTOR
  • 54,128 POSTS
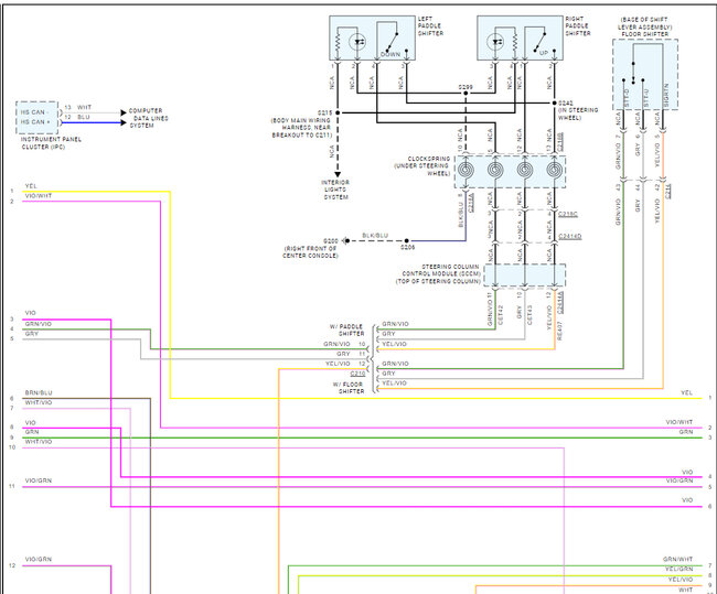
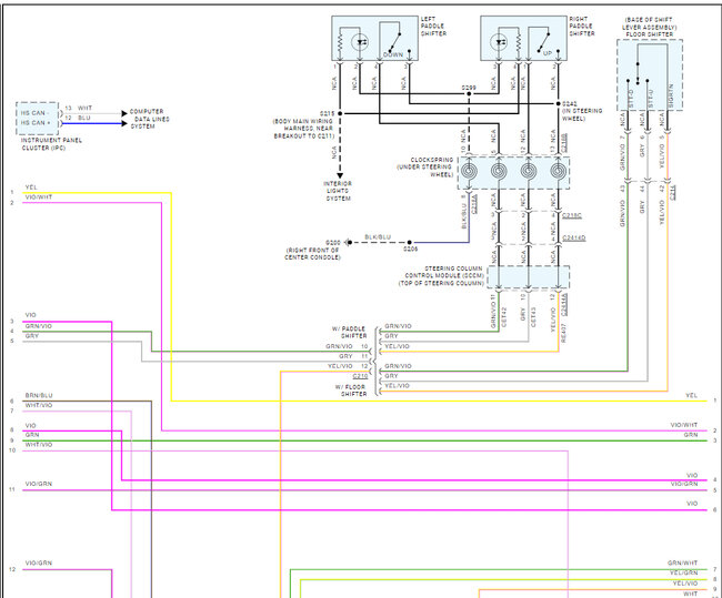
The fact that the mileage is held in the cluster and that it had dashes is a sign the cluster is out, so I am back to that which could cause the entire problem. Did you try the CAN scan? Here is the wiring and locations of the PCM grounds as requested. Check out the images (below). Let us know what you find.
Jul 16, 2024 at 9:20 AM
Avatar
NIKOLAI817
  • MEMBER
  • 17 POSTS
tried the scan, but no communication with car while this is happening, there was a time when the car communicated properly, and the scan worked but no codes were returned. Is there a way to check the cluster without shelling out for a new one?
Jul 16, 2024 at 1:13 PM
Avatar
STRAILER
  • AUTOMOTIVE REPAIR CONTRIBUTOR
  • 54,128 POSTS
You can send the instrument cluster in to be tested is the only way I know of.
Jul 17, 2024 at 10:12 AM
Avatar
NIKOLAI817
  • MEMBER
  • 17 POSTS
Thanks a bunch my guy! I started tracing the grounds but it started raining so I didn't finish yet, but I thought I'd send you a couple pictures of some issues I'm not sure if I mentioned to ask if you thought this would be instrument cluster, or PCM, or some wiring issue. The first picture is of the clock on the nav panel, it will not set or allow me to set it through settings menu. The second is the error that I get when I go to the navigation menu. The third is the ODO when I turn the key to the run position without cranking, and the forth is what it shows after I try to crank it. Pats does not recognize the key in either case. The final shot is of the fuel level either in the run position or after a failed crank. With the software error and the clock thing do you think it could still be the instrument cluster, or more likely PCM? Or could it be wiring, or something else? Thanks again sir, I really appreciate all your help, and I'm sorry I keep bugging you. Also thanks for the wiring diagram, I think I found the ground for the PCM. Just let me know what you think when you have a chance.
Jul 17, 2024 at 11:41 AM
Avatar
NIKOLAI817
  • MEMBER
  • 17 POSTS
Also, and I'm sorry to bug Ken, but do I need to have the instrument cluster programmed if I get a new one?
Jul 17, 2024 at 2:59 PM
Avatar
STRAILER
  • AUTOMOTIVE REPAIR CONTRIBUTOR
  • 54,128 POSTS
Never a bother, yes, you do need to get it programmed which they can do for you.
Jul 17, 2024 at 4:40 PM
Avatar
NIKOLAI817
  • MEMBER
  • 17 POSTS
Thanks sir. Did you have a chance to look at my previous question and pictures?
Jul 17, 2024 at 8:16 PM
Avatar
STRAILER
  • AUTOMOTIVE REPAIR CONTRIBUTOR
  • 54,128 POSTS
Sorry, I missed that, thanks they help. Can I ask if the scanner you have does the CAN? Can you please upload an image of the scanner?
Jul 18, 2024 at 11:01 AM
Avatar
NIKOLAI817
  • MEMBER
  • 17 POSTS
This is the scanner I have. It says it's compatible with odb2 and can.
OBD2 Scanner Ease Setup Plug-Play: Clear Reset Engine Error Code Professional Code Reader Diagnostic Scan Tools with Freeze Frame/I/M Readiness for All Cars Since 1996 & Newer -LK11 There is no communication with the scanner when this issue is happening. It's like it's not even hooked up. I did get it to work the one time my car actually started and no fault codes were returned. Does that help? Thanks again Ken.
Aug 4, 2024 at 9:19 PM
Avatar
STRAILER
  • AUTOMOTIVE REPAIR CONTRIBUTOR
  • 54,128 POSTS
Can you please check for power at fuse the #24 one th BCM, it should be hot at all times. This guide can help.

https://www.2carpros.com/articles/how-to-check-a-car-fuse

Here is the location of the fuse. Check out the images (below). Please let us know what happens.

Aug 5, 2024 at 9:27 AM
Avatar
NIKOLAI817
  • MEMBER
  • 17 POSTS
so it should be hot even with the car off, correct?
Aug 5, 2024 at 10:10 AM
Avatar
STRAILER
  • AUTOMOTIVE REPAIR CONTRIBUTOR
  • 54,128 POSTS
Yes, correct
Aug 5, 2024 at 11:48 AM
Avatar
NIKOLAI817
  • MEMBER
  • 17 POSTS
Also, it looks like the link i provided for my scanner isn't showing up. Here it is again:

https://www.amazon.com/gp/product/B0919L1NV9/ref=ppx_yo_dt_b_search_asin_title?ie=UTF8&psc=1

I'll check the fuse when I get home. Thank you again.
Aug 5, 2024 at 11:57 AM
Avatar
NIKOLAI817
  • MEMBER
  • 17 POSTS
Sorry man, I couldn't check the fuse. That's not the fuse diagram for my car. The bcm doesn't match. I have a 09 Ford flex limited. Could you help me with which fuse I should check?
Aug 5, 2024 at 8:42 PM
Avatar
STRAILER
  • AUTOMOTIVE REPAIR CONTRIBUTOR
  • 54,128 POSTS
You said the car was a 2019?
Aug 6, 2024 at 8:50 AM
Avatar
NIKOLAI817
  • MEMBER
  • 17 POSTS
I'm sorry if I said that, it must have been a typo. It's a 2009 ford flex limited. My sincere apologies.
Aug 6, 2024 at 8:53 AM
Avatar
STRAILER
  • AUTOMOTIVE REPAIR CONTRIBUTOR
  • 54,128 POSTS
Please start a new question.
Aug 6, 2024 at 9:01 AM
Avatar
NIKOLAI817
  • MEMBER
  • 17 POSTS
I started a new question. here's the link:

https://www.2carpros.com/questions/my-car-wont-start-and-its-acting-weird

Would you be willing to tell me what the fuse you wanted me to check was for, so I can try and track it down in my car?
Aug 6, 2024 at 1:06 PM
Avatar
STRAILER
  • AUTOMOTIVE REPAIR CONTRIBUTOR
  • 54,128 POSTS
Thank you, yep I can help we just need the correct info on the post :)
Aug 7, 2024 at 11:27 AM