Car won't start

Tiny
DEEOWNSBY
  • MEMBER
  • 2014 KIA SORENTO
  • V6
  • 4WD
  • AUTOMATIC
  • 54,000 MILES
My car keeps telling me to push the brake when I'm already pushing the brake to start my car
Tuesday, September 23rd, 2025 AT 7:44 AM

3 Replies

Tiny
AL514
  • MECHANIC
  • 5,596 POSTS
Hello, I have found these with a blow fuse for the brake pedal switch circuit cause this, because of a fault with the rear tail light circuit, it was actually the bulb sockets that had a recall part. But the tail lights circuit shorting out blowing the brake light fuse, like small like a 7.5Amp fuse. Hyundai/Kia have a lot of the same issues. Sounds crazy but thats what it was. I replaced both rear lamp socket assembly with update harnesses, clear the codes for that circuit and the brake pedal switch circuit. Do your brake lights come on when you press the brake pedal?
Was this
answer
helpful?
Yes
No
Tuesday, September 23rd, 2025 AT 9:29 AM
Tiny
AL514
  • MECHANIC
  • 5,596 POSTS
I will pull up a wiring diagram to see how the vehicle is set up, heres some guides to help with fuse testing.

https://www.2carpros.com/articles/how-to-check-a-car-fuse

https://www.2carpros.com/articles/how-to-use-a-test-light-circuit-tester
Was this
answer
helpful?
Yes
No
Tuesday, September 23rd, 2025 AT 9:31 AM
Tiny
AL514
  • MECHANIC
  • 5,596 POSTS
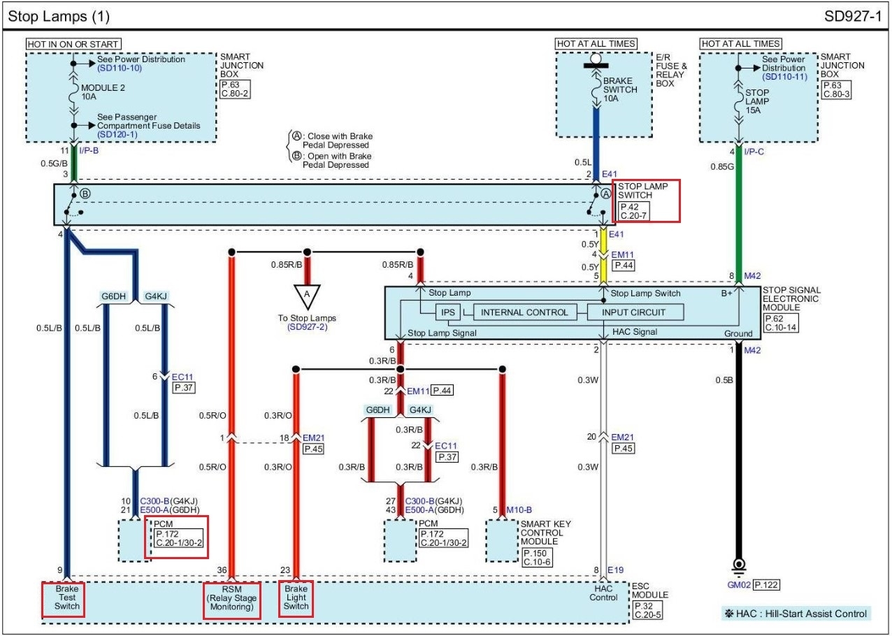
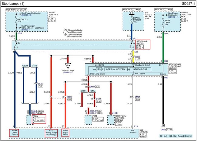
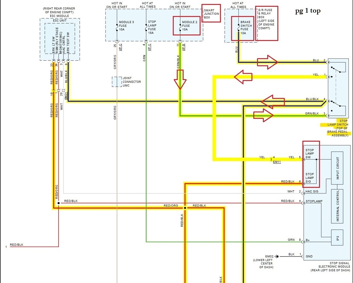
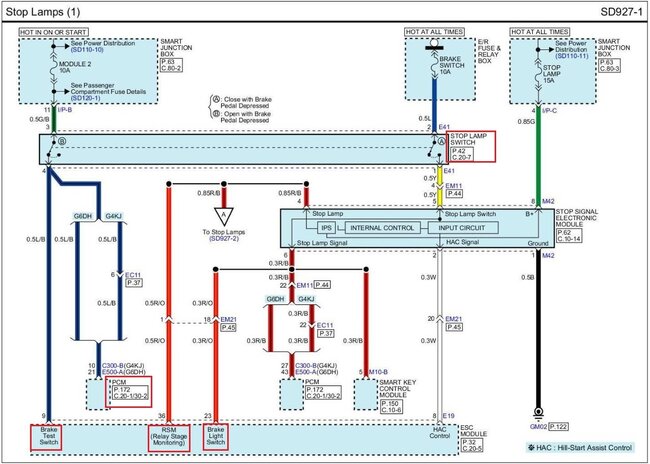
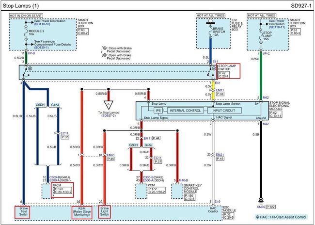
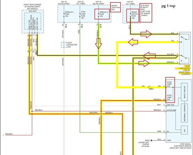
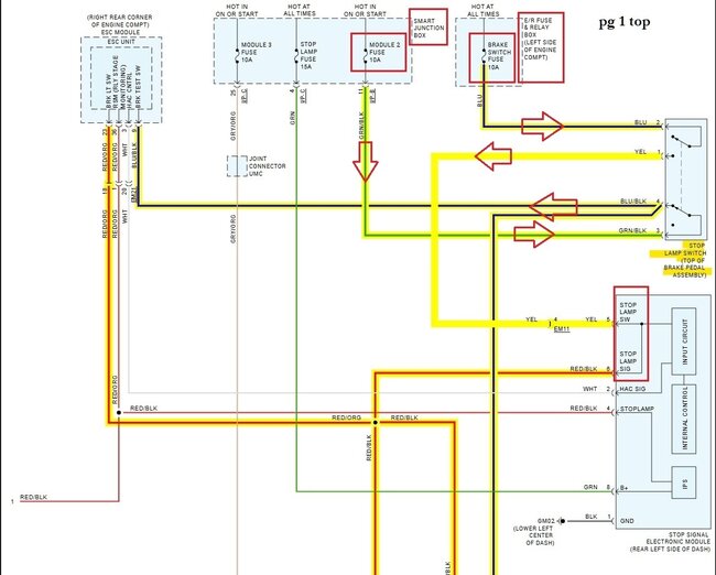
Here are all the Brake pedal switch circuits, diagrams 1, 2 (pg1 top & bottom)
Diagrams 3-5 are the oem Brake Pedal circuit wiring diagrams.
Was this
answer
helpful?
Yes
No
Tuesday, September 23rd, 2025 AT 10:14 AM

Please login or register to post a reply.