Thursday, November 17th, 2022 AT 7:43 AM
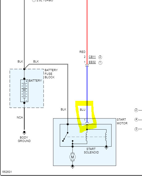
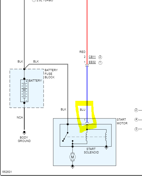
My car had been stalling to turn on last month but nothing serious, it would happen only sometimes. They took it to AutoZone they told me my battery was low, and at the time (a month ago) I didn't get it charged because I was working on the clock and had to leave, and it then eventually went back to normal. Now yesterday my car stopped turning on, my lights, radio, and alarm turns on but it won't start. I tried getting battery from another car twice and nothing. Took my battery to AutoZone and charged it for 2 hours. They told me the battery had a dead cell. I bought a new battery and hooked it up and my car is still completely dead. Any ideas?


