Car will not start after turn off engine with transmission in drive

Tiny
MARTIN HOFHANSL
  • MEMBER
  • 2005 HONDA PILOT
  • 4WD
  • AUTOMATIC
  • 210,000 MILES
I accidentally turned my car off in D at a gas station so it wouldn't start. I shifted into P and N but it won't crank at all. It took a while but finally started and was fine for a few days. Now again it won't start at all. The car seems to think it is in Drive and not Park. When I try to turn it on both the P and D lights are on for a few seconds before the D disappears.
Tuesday, July 2nd, 2019 AT 3:31 PM

6 Replies

Tiny
MARTIN HOFHANSL
  • MEMBER
  • 4 POSTS
I've disconnected the neutral safety switch and the D still lights up for three seconds.
Was this
answer
helpful?
Yes
No
Tuesday, July 2nd, 2019 AT 4:28 PM
Tiny
JACOBANDNICKOLAS
  • MECHANIC
  • 110,194 POSTS
Welcome to 2CarPros.

What you are describing sounds like a bad transmission range sensor, but I can't see how turning off the engine with it in drive would have caused it to go bad. Take a look at the attached removal and replacement procedure. I'm adding everything for two reasons. First, I want you to make sure nothing with the wiring is loose, damaged, or corroded. If it all appears good, then I would suggest replacement of the sensor. The attached pictures correlate with the directions.

____________________________________________________________

transmission range sensor

2005 Honda Truck Pilot V6-3.5L

Transmission Range Switch

Vehicle Powertrain Management Sensors and Switches - Powertrain Management Sensors and Switches - Computers and Control Systems Transmission Position Sensor/Switch Service and Repair Procedures Transmission Range Switch

TRANSMISSION RANGE SWITCH
Transmission Range Switch Replacement
1. Raise the vehicle, and make sure it is securely. supported.
2. Shift to the N position.

pic 1
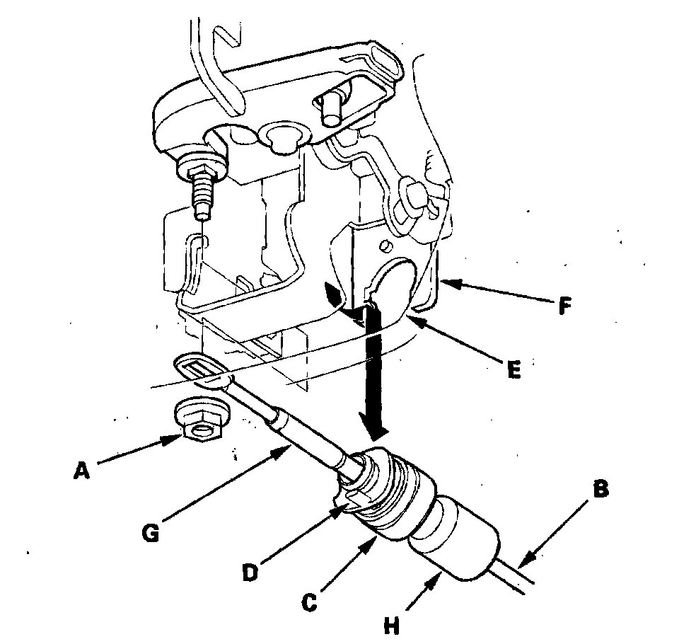
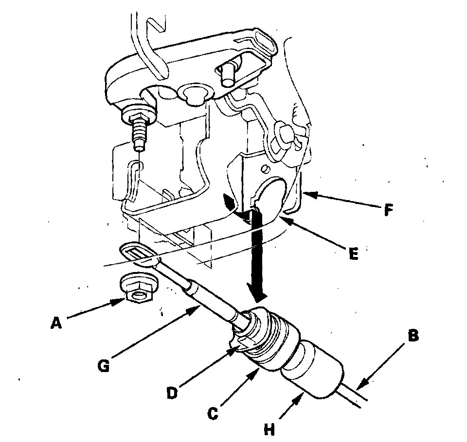
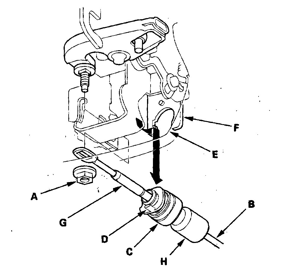
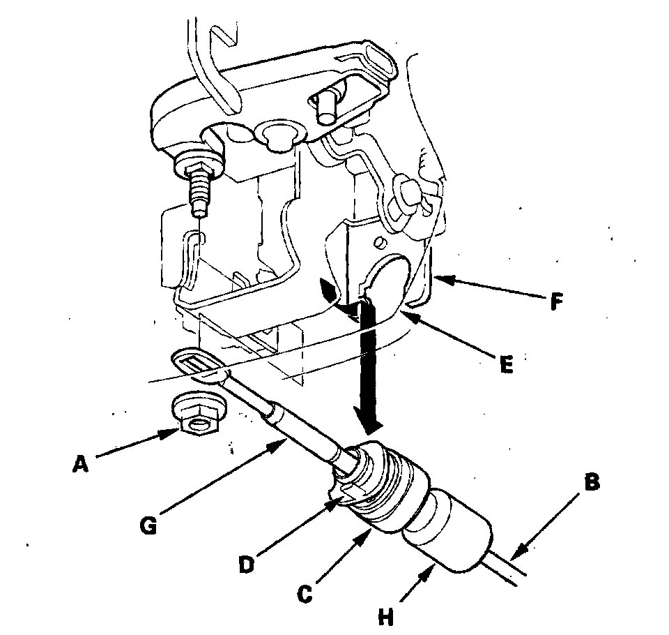
3. Re move the transmission range switch connector (A) from its connector bracket (B), then disconnect the connector.
4. Remove the harness clamp (C) from its bracket (D).

pic 2

5. Remove the clamp from the clamp bracket on the transmission housing, and remove the harness holder (A) from the end cover (B).
6. Remove the transmission range switch cover (C), then remove the transmission range switch (D) from the end cover.

pic 3

7. Set the new transmission range switch to the N position. The transmission range switch clicks in the N position.

pic 4

8. Install the transmission range switch (A) on the control shaft (B) gently, then secure it with the bolts. Do not move the switch when tightening the bolts.
9. Install the transmission range switch cover (C), and the harness holder (D) on the end cover (E).

pic 5

10. Connect the transmission range switch connector (A), then install it on its connector bracket (B).
11. Install the harness clamp (C) on its bracket (D).

pic 6

12. Turn the ignition switch ON (II). Move the shift lever through all positions, and check the transmission range switch synchronization with the A/T gear position indicator.
13. Check that the engine can start in the P and N positions, and cannot start in any other shift lever position.
14. Check that the back-up lights come on when the shift lever is in the R position.
15. Allow all the wheels to rotate freely, then start the engine, and check the shift lever operation.

++++++++++++++++++++++++++++++++++++++++++++++++++++++++++++++++++

Before replacement, here is a test you can perform to confirm it is bad.

Transmission Range Switch Test

pic 7

1. Remove the transmission range switch connector (A) from its connector bracket (8), then disconnect the connector.

pic 8

Connector Terminal Specifications

pic 9

2. Check for continuity between terminals at the connector. There should be continuity between the terminals in the following table for each switch position.
3. If there is no continuity between any terminals, check the transmission range switch installation. If the installation is OK, replace the switch.

___________________________________________________________

You will need to check the pins indicated for continuity based on gear selection. Here are a few links you may find helpful when testing.

https://www.2carpros.com/articles/how-to-use-a-test-light-circuit-tester

https://www.2carpros.com/articles/how-to-use-a-voltmeter

https://www.2carpros.com/articles/how-to-check-wiring

+++++++++++++++++++++++++++++++++++++++++++++

Let me know if this helps or if you have other questions.

Take care,
Joe
Was this
answer
helpful?
Yes
No
+1
Tuesday, July 2nd, 2019 AT 9:36 PM
Tiny
MARTIN HOFHANSL
  • MEMBER
  • 4 POSTS
Thank you for your help. Just one more question: How does the indicator show the D for drive for three seconds after I turn the key to on when I have the transmission range sensor unplugged?
Was this
answer
helpful?
Yes
No
Wednesday, July 3rd, 2019 AT 4:07 AM
Tiny
JACOBANDNICKOLAS
  • MECHANIC
  • 110,194 POSTS
Welcome back:

That's a good question. When it's unplugged, what happens after the 3 seconds?
Was this
answer
helpful?
Yes
No
+1
Wednesday, July 3rd, 2019 AT 5:26 PM
Tiny
MARTIN HOFHANSL
  • MEMBER
  • 4 POSTS
It won't start and only the D light comes on. Can't remove the key. The D disappears after a three seconds as well.
Was this
answer
helpful?
Yes
No
Thursday, July 4th, 2019 AT 5:45 AM
Tiny
JACOBANDNICKOLAS
  • MECHANIC
  • 110,194 POSTS
Welcome back:

Before we call it as a bad range sensor, there is one more thing I need you to check and that is the shift cable. You may be shifting but not moving anything on the transmission and the range sensor is between gears.

Here are the directions for shift linkage adjustment. I need you to walk through it and make sure it is working properly and not out of adjustment. If it is working correctly, then I suspect the range sensor has failed.

Here are the directions. The attached pictures correlate with the directions,

_______________________________________________________________________

2005 Honda Truck Pilot V6-3.5L
Shift Cable Adjustment
Vehicle Transmission and Drivetrain Automatic Transmission/Transaxle Shift Linkage Shift
SHIFT CABLE ADJUSTMENT

SRS components are located in this area. Review the SRS component locations, and the precautions and procedures in the SRS before performing repairs or service.
1. Remove the steering column upper and lower covers.
2. Shift the transmission into the N position.

Pic 1

3. Remove the cable end nut (A), then separate the shift cable (B) from the shift lever.
4. Rotate the socket holder (C) on the shift cable a quarter turn; the tab (D) on the socket holder will be in the opening (E) of the shift cable bracket (F). Then slide the holder to remove the shift cable from the shift cable bracket. Do not remove the shift cable by twisting the shift cable guide (G) and damper (H).

Pic 2

5. Push the shift cable (A) until it stops, then release it. Pull the shift cable back two steps so that the shift lever position is in N. Do not adjust the shift cable by holding the shift cable guide (B).
6. Turn the ignition switch ON (II), and verify that the N position indicator comes on.
7. Turn the ignition switch OFF.

Pic 3

8. Insert a 6.0 mm (0.24 inch) pin (A) into the positioning hole (8) on the detent plate through the positioning hole (C) on the control bracket. The shift lever is secured in the N position.

Pic 4

9. Align the socket holder (A) on the shift cable (B) with the slot in the shift cable bracket (C), then slide the holder into the bracket. Install the shift cable end (D) over the mounting stud (E) by aligning its square hole (F) with the square fitting (G) at the bottom of the stud. Rotate the holder a quarter turn to secure the shift cable. Do not install the shift cable by twisting the shift cable guide (H) and damper (1).

Pic 5

10. Verify that the shift cable end (A) is properly installed on the mounting stud (B).
11. If improperly installed, remove the shift cable from the shift cable bracket, and reinstall the shift cable. Do not install the shift cable end on the mounting stud while the shift cable is on the shift cable bracket.

Pic 6

12. Install and tighten the nut.
13. Remove the 6.0 mm (0.24 inch) pin that was installed to hold the shift lever.
14. Move the shift lever to each position, and verify that the A/T gear position indicator follows the transmission range switch.
15. Push the shift lock release, and verify that the shift lever releases.

________________________________

Let me know what you find.

Take care,
Joe
Was this
answer
helpful?
Yes
No
+1
Thursday, July 4th, 2019 AT 5:39 PM

Please login or register to post a reply.