Sunday, December 16th, 2018 AT 4:24 PM
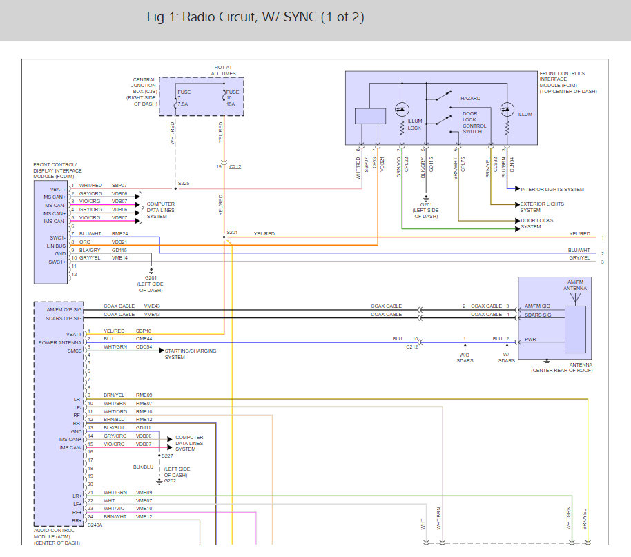
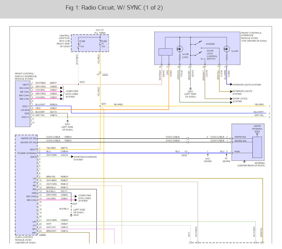
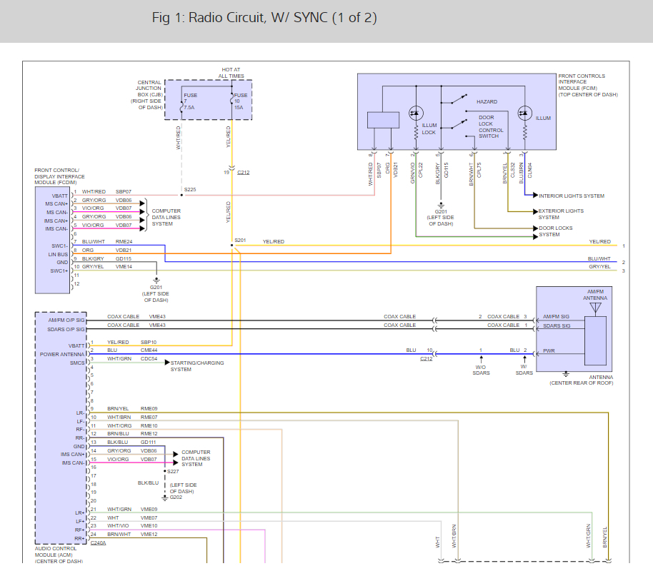
I just bought a used vehicle on Friday. When I was driving home the radio stopped working, the lights on stereo would still work it was stuck on ‘welcome’. The radio would only come back on if I turned the car back off and on again. Then yesterday it wouldn’t even start. When I unlock the door the lights in the car come on and when I open the door it makes a really loud speaker fuzzy noise from the speakers on the door. And the car won’t even start.







