Tuesday, January 8th, 2019 AT 4:07 PM
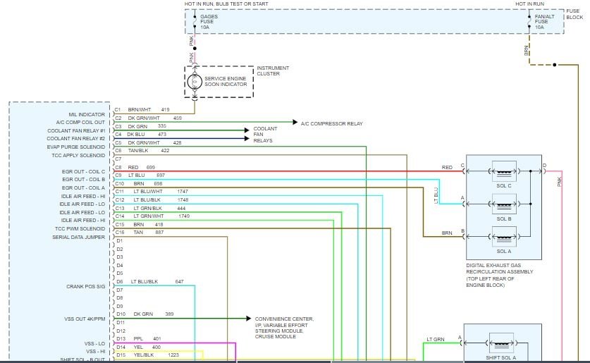
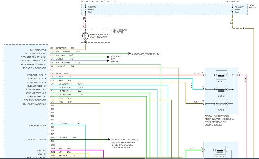
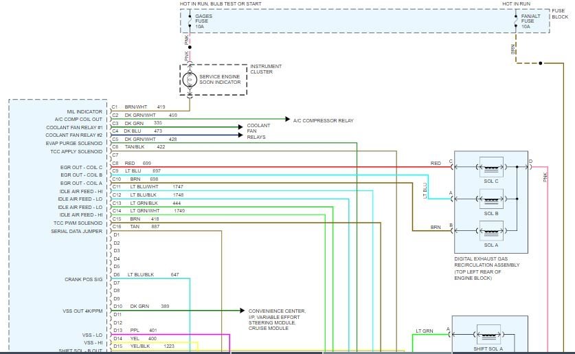
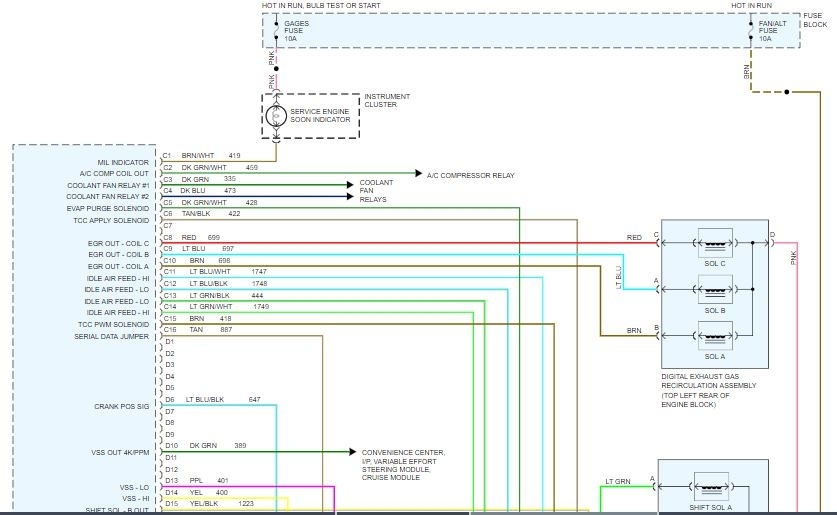
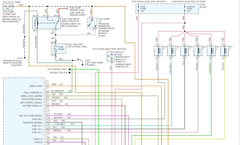
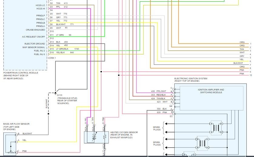
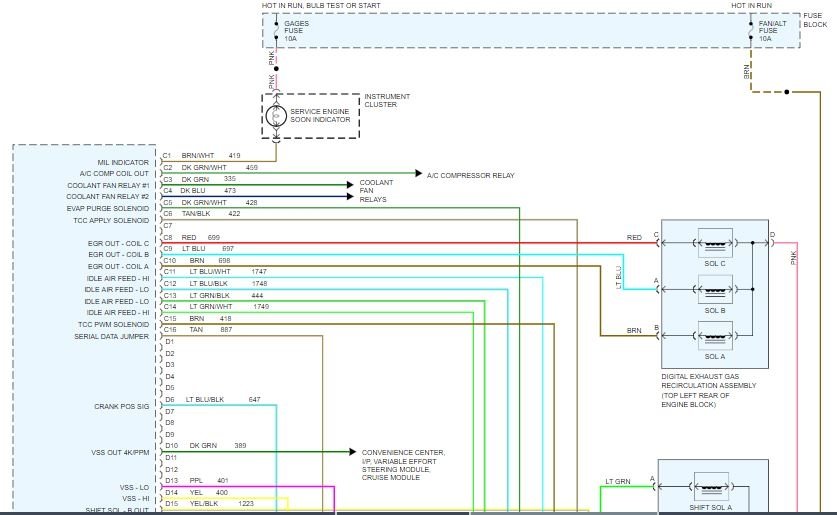
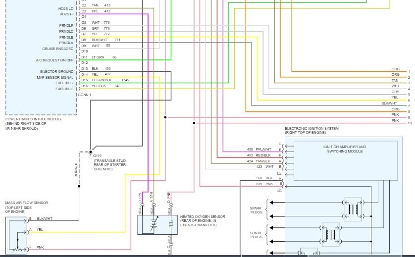
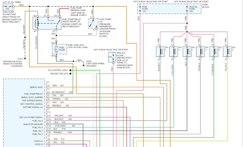
Blew a head gasket, changed out both, and new intake set, got everything back together, set valve rocker at 10 foot pounds ( suppose to be 124 inch pound, which = 10.333 foot pounds as I do not have an inch pound torque wrench) engine getting fuel and fire, but wont run. Compression test shows all cylinders averaging 126, with no leak down. Everything hooked back up to where it was except one plug we can find where it goes. (See image attached) Turns over great, small back fire through intake, just wont run. Any suggestions? Or any idea what the stray wire hooks to?













