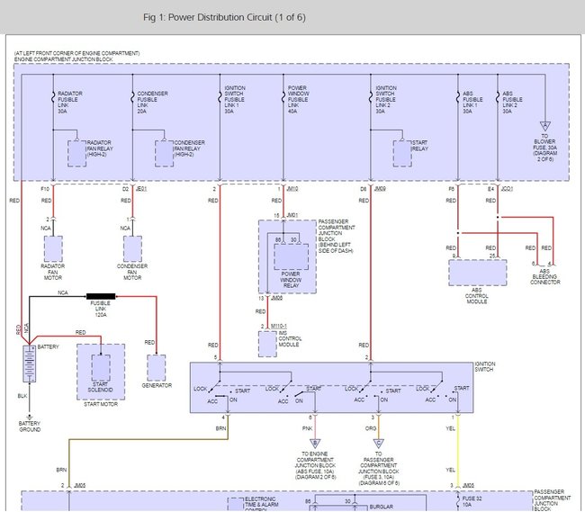
Wednesday, February 22nd, 2017 AT 12:11 PM
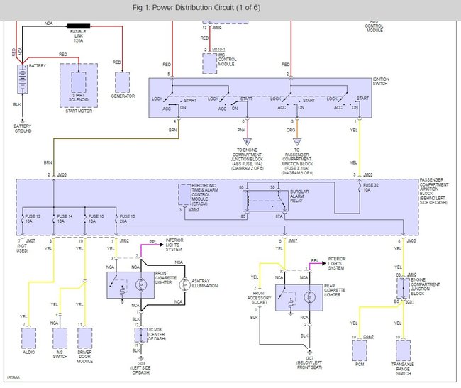
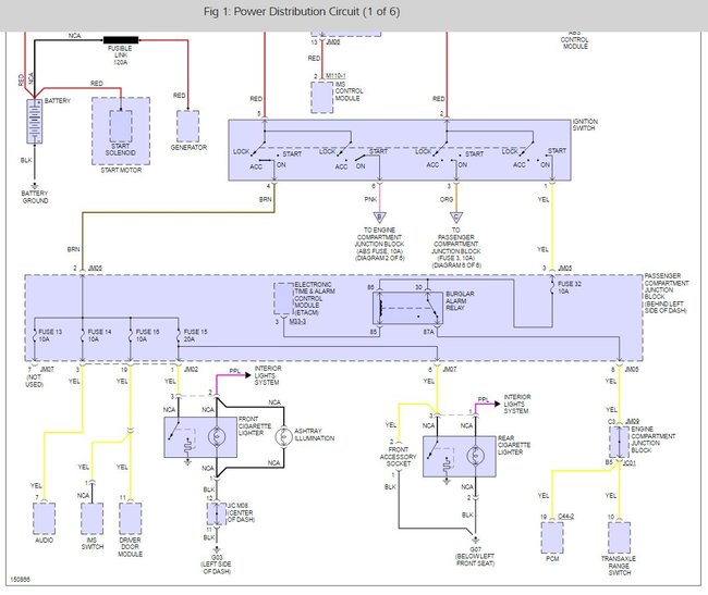
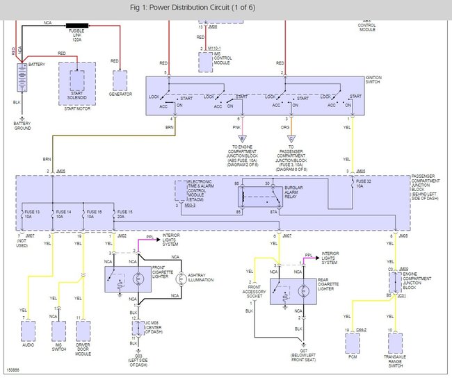
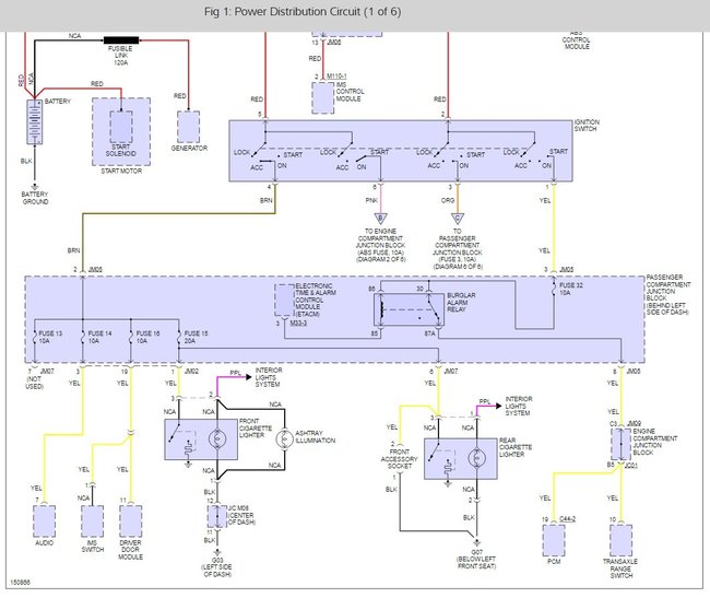
When drive my car down the road the vehicle cut off and comes to a stop. I tried to crank it back and it would not do nothing. I noticed all my lights hazards nothing was working. I told you to go home to check everything I needed to before messaging you. The battery charged and good. All the fuses are correct and I check the ground wire to the battery and it is also fine. I even put new ends on the end of my battery cables. I did notice my steering wheel never locked up even with the keys out. My battery oil brake light stay on at all times and the check engine light comes on when I put the keys in and turn it over.




