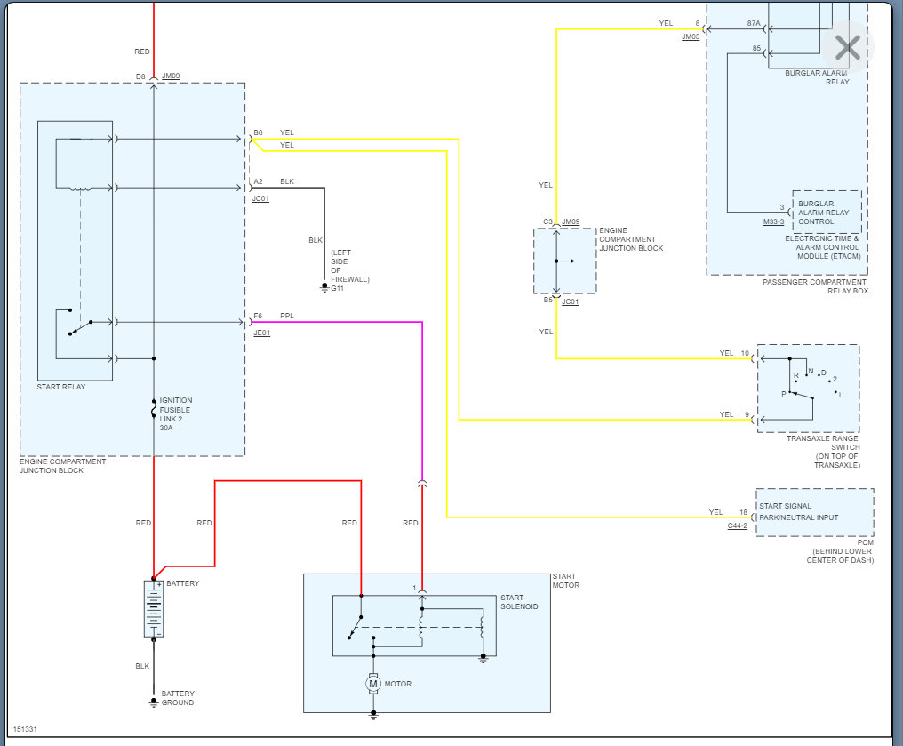
Monday, December 7th, 2009 AT 2:01 PM
I was traveling along the highway when the engine dropped to idle speed. Even though you would press on the gas peddle the engine would not reeve up. Was able to get car off the highway safely but once I turned it off it would not start. Had car toed to a garage on a Saturday night. When the mechanic got in it, on Monday, it started. He put the car on a computer analyzer and got a code for 2nd gear transmission problems. The mechanic drove the car for (2) days with no problems. He then serviced the transmission and returned the car to me. I had the car for (2) days when the check engine light came back on. I went out to dinner that night and when I started to go home the car would not start. When I tried starting the car it would drag down the lights, like a dead battery, but did not click like a dead battery usually does. I let the car sit all night and it started the next morning and I drove it home with no problems. I let it set in my garage for a day and it started just fine again. There has been times over the last couple of months that the car would act like it was going to die/jump out of gear but would take off again and run fine.





