Monday, December 14th, 2020 AT 2:03 PM
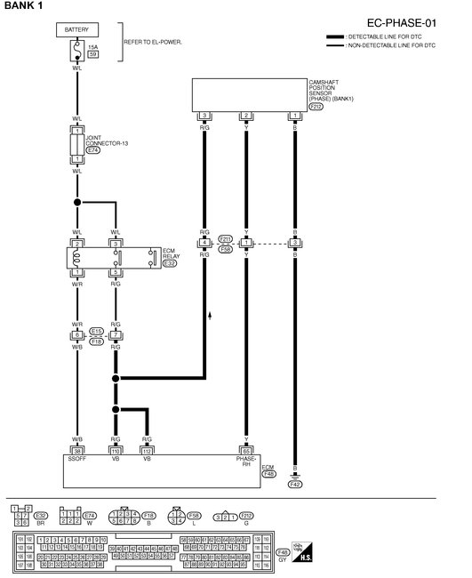
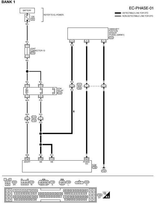
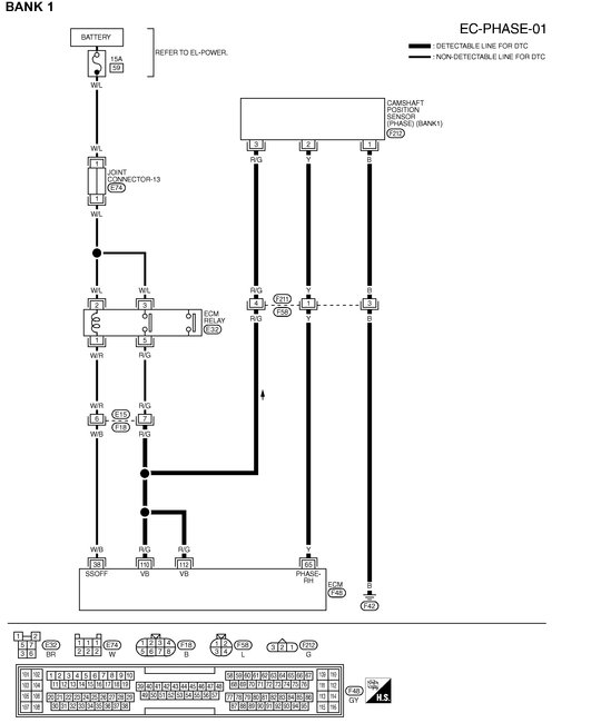
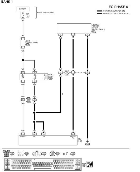
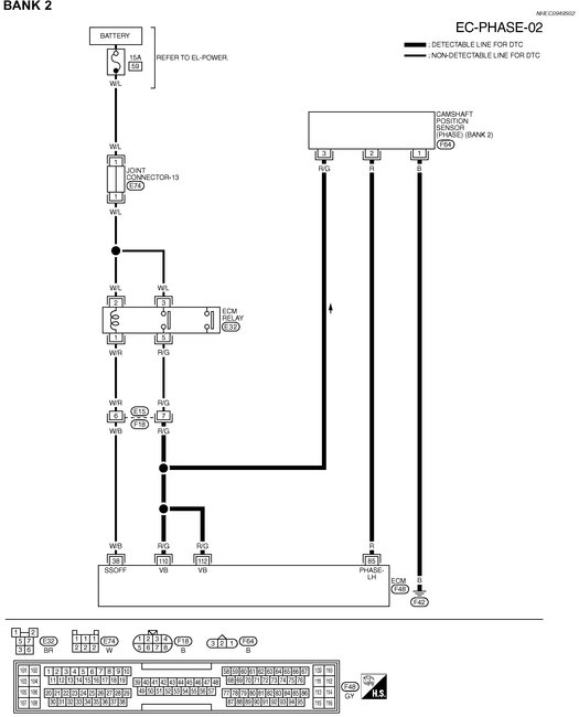
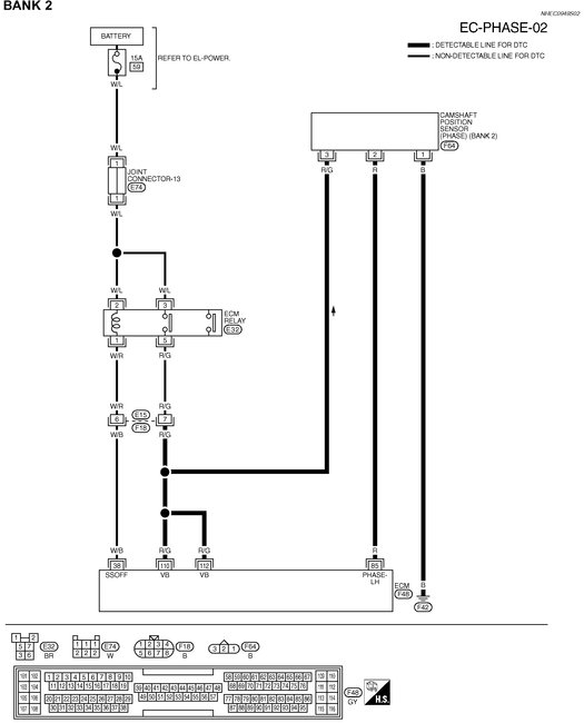
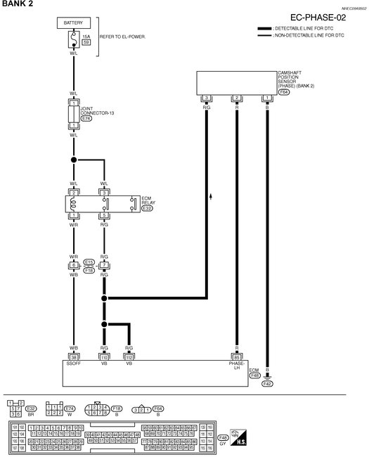
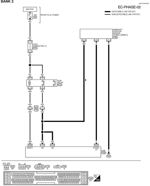
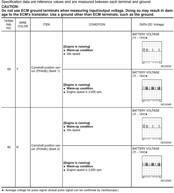
I was driving down the highway going 60 lost acceleration is completely. My foot was on the gas flooring it and wouldn't go past 5 mph. So I stopped trying it again still it started up, but I would not accelerate faster than 5 maybe 10 if I was going downhill. So I got up the highway and put it at a mall center and I tried looking at the things that I knew when I bought it was wrong with it. Which was the power steering had a leak and that's about it. Crankshaft position sensors I recently changed but I got the parts from you pull it. They were Indian condition except for the angle sensor in the back the terminal was pretty melted in kind of worn out and oily. So I didn't think anything about the time. So I plugged the sensor back in and put it back all together and set it up no miss it was misfiring, but it wouldn't stall I wouldn't shut off anymore and this slip some light wouldn't come on therefore I could drive in without its time. I thought it fixed up a problem but seems like I didn't. Four days later no acceleration. I changed three spark plugs but I couldn't get to the other three in the back because it's a shell of the head gasket I think. But yet took off the catalytic converter still no acceleration. I don't know what the problem is I can't really get a good answer. Some say it's multiple cylinder or sensors, but when I hook it up to the coder I got the code 340 and p 1800. I don't know what the 18001 is but the 340 was misfire and multiple since around function or something like that. What seems to be the problem actually? And there's knocking on the engine but it doesn't have an old time in the beginning.













