Friday, June 9th, 2023 AT 12:17 AM
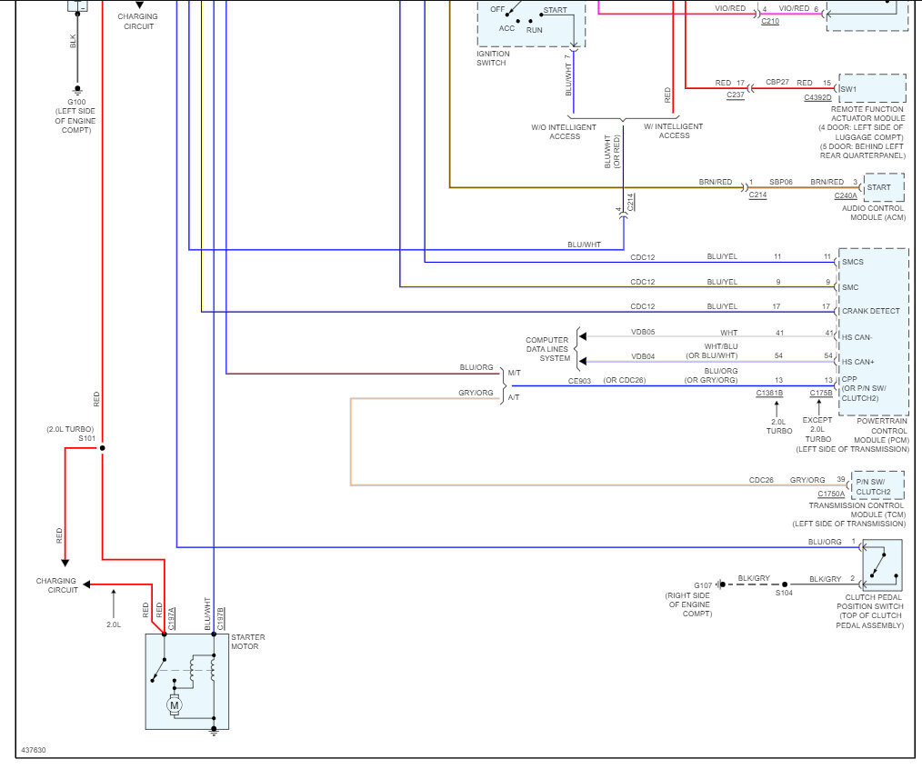
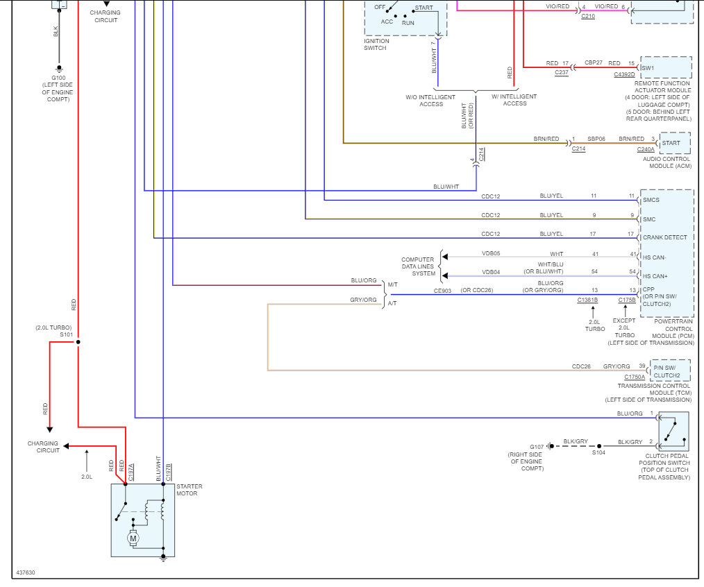
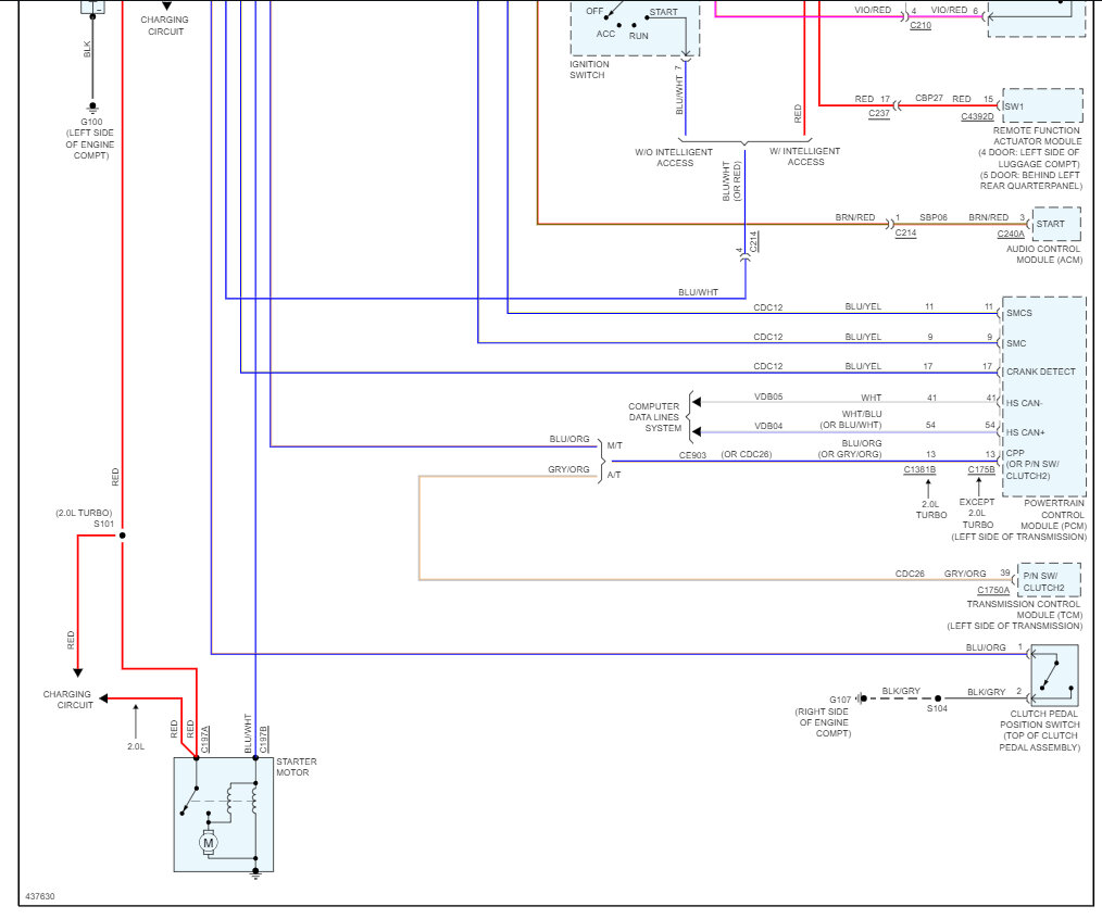
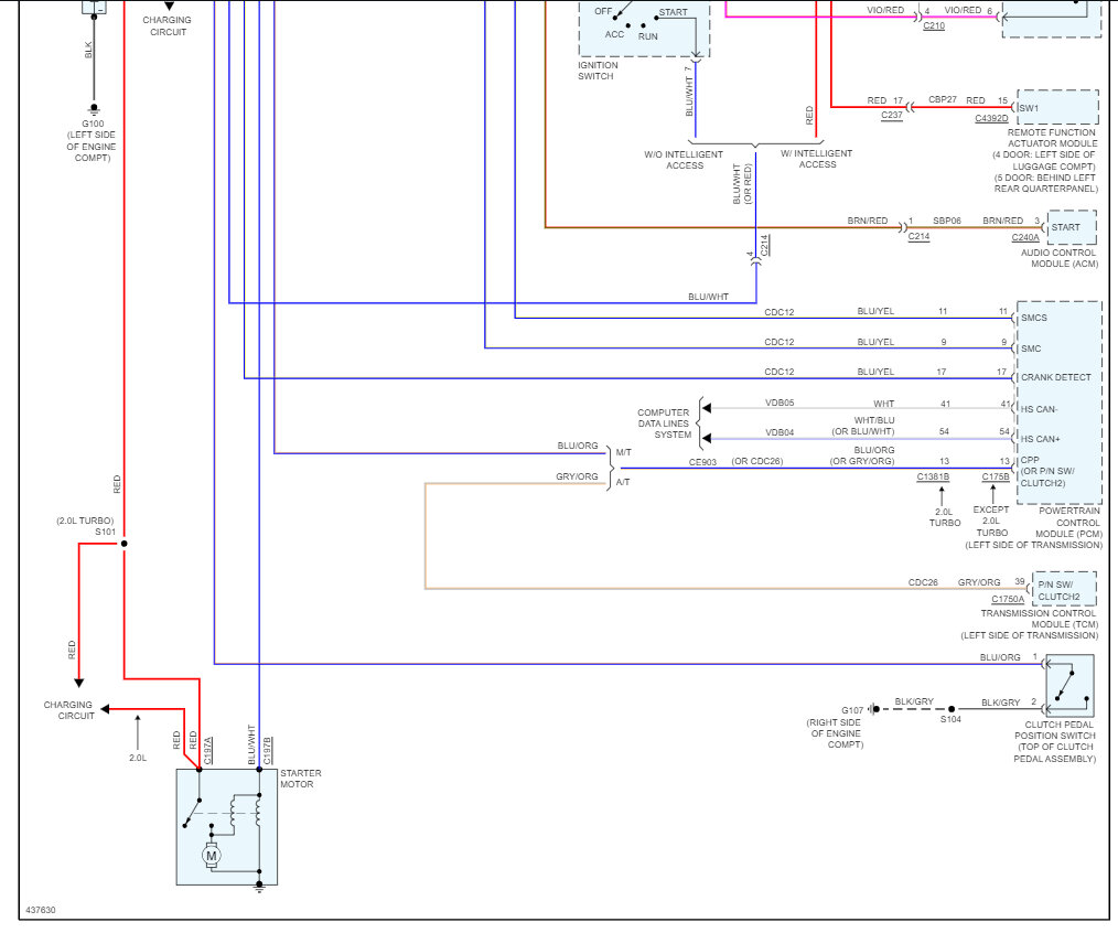
Every time a new fuse is installed it blows immediately. Please help. Recently purchased this car from a guy who said the car wasn't starting due to a bad TCM.












