Saturday, September 30th, 2023 AT 6:26 PM
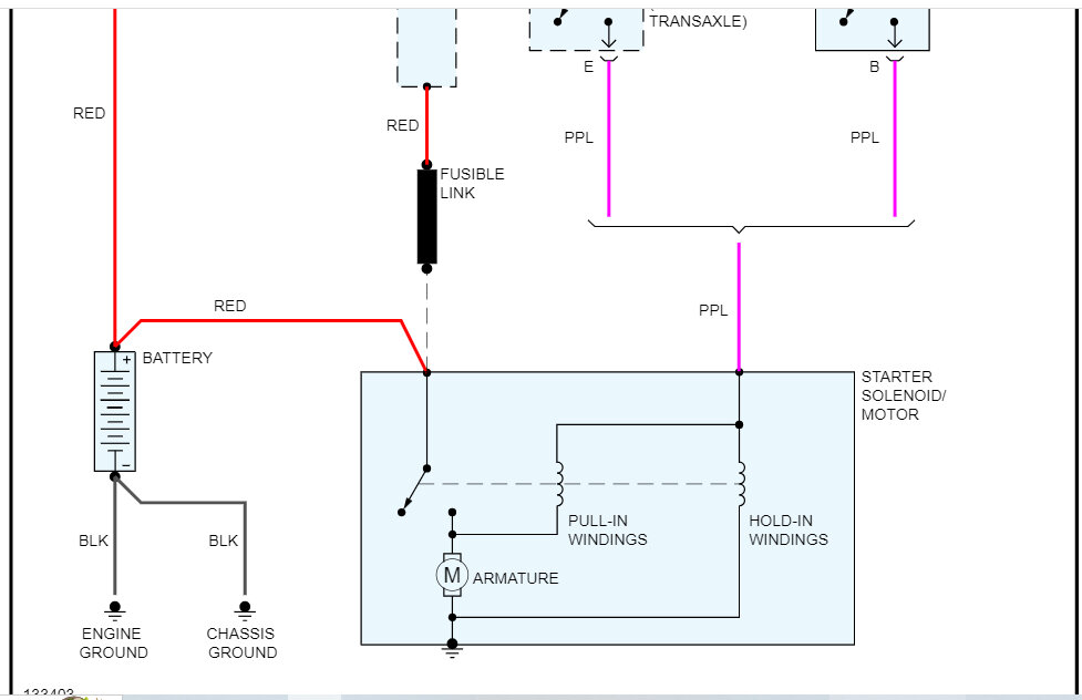
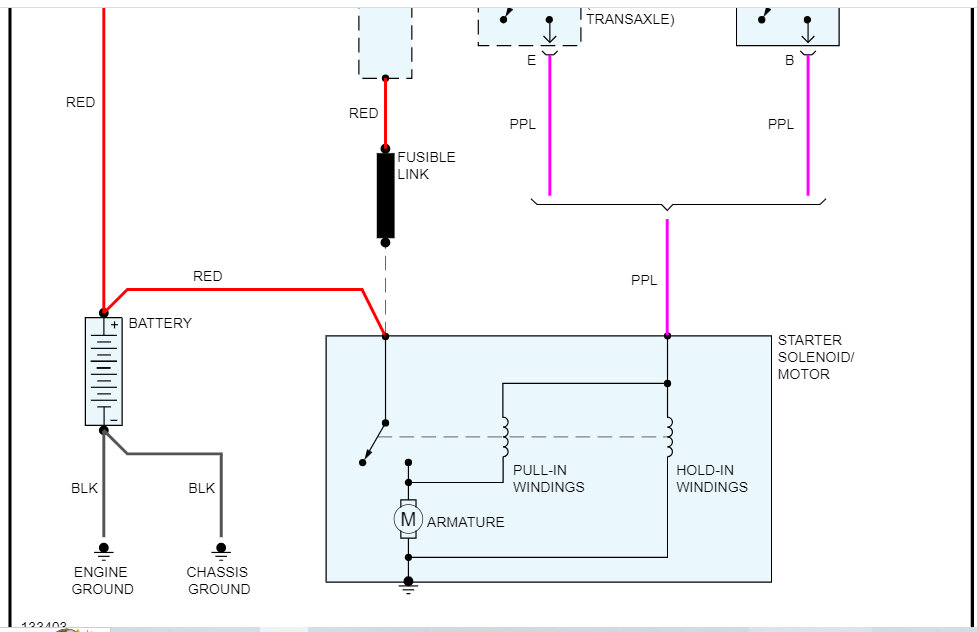
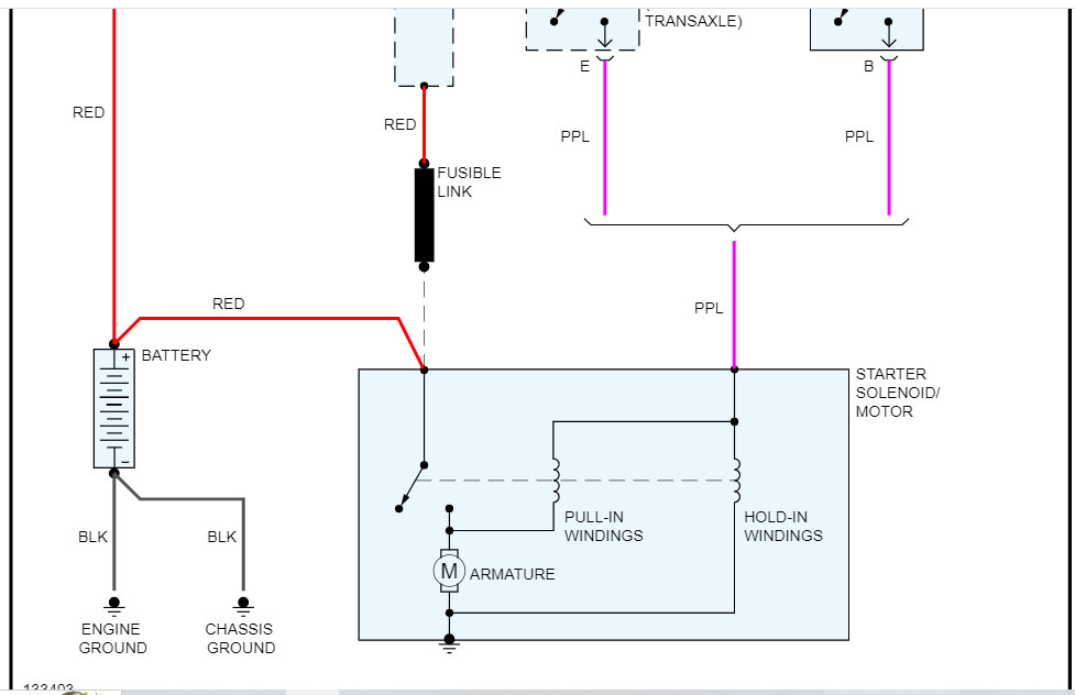
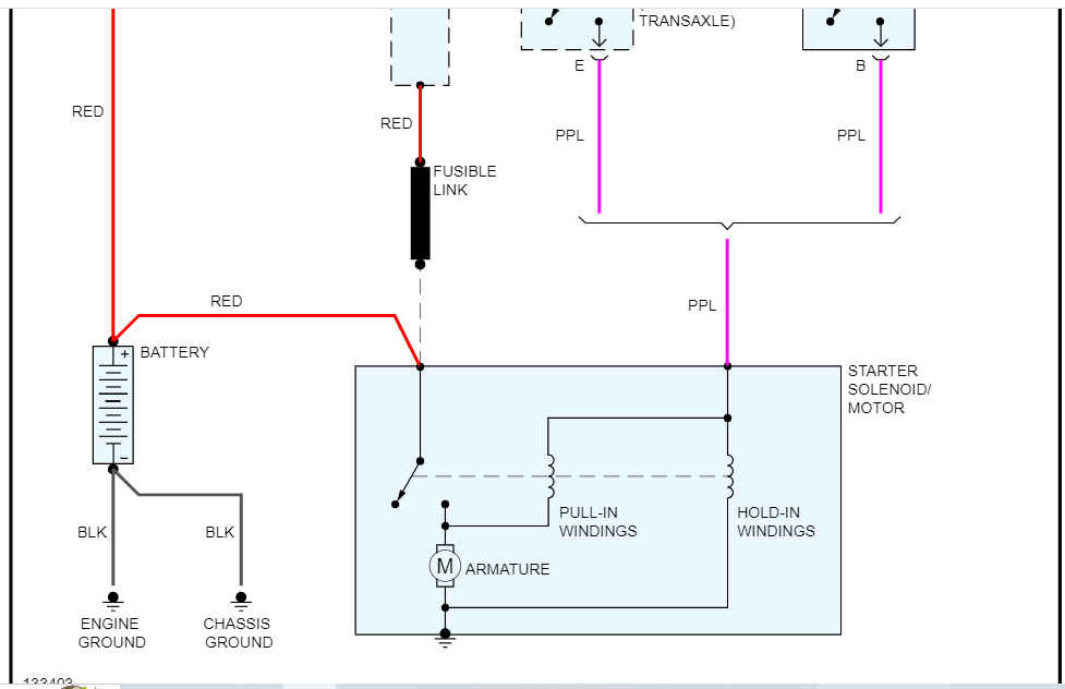
I started off with changing thermostat after that car started twice and then wouldn’t turn over again, I have checked all relays fuses change starter check alternator got a new battery. Now I have tried hot wire it all lights come on. It still will not turn over. I had to belt off and put a socket on crank and it turned so I know it’s not locked. What do I need to check now?




