HOME
ASK A QUESTION
REPAIR GUIDES
BECOME A MEMBER
LOG IN
Login with Facebook
OR
Remember me
NOT A MEMBER?
FORGOT PASSWORD?
CONTACT US
PRIVACY POLICY
TERMS AND CONDITIONS
☰
Home
Chevrolet
S-10
Interior
Radio
Wiring
Car stereo diagram
DUANE CLINGINGS
MEMBER
2001 CHEVROLET S-10
3.8L
6 CYL
2WD
AUTOMATIC
108,684 MILES
I just need to know the wiring diagram for the stereo system in my truck.
Monday, February 11th, 2019 AT 10:23 AM
2 Replies
ASEMASTER6371
MECHANIC
52,796 POSTS
Good afternoon
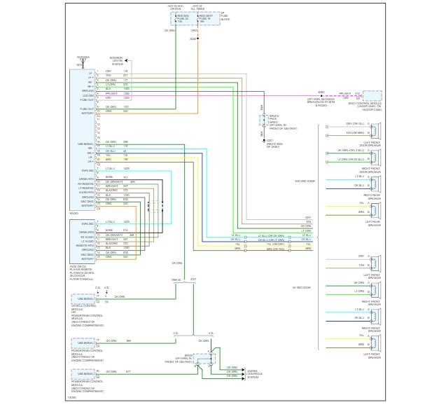
I attached wire diagrams for you for the radio below.
What is the issue?
Roy
Images (Click to make bigger)
Was this
answer
helpful?
Yes
No
Monday, February 11th, 2019 AT 2:53 PM
KEN L
MASTER CERTIFIED MECHANIC
54,261 POSTS
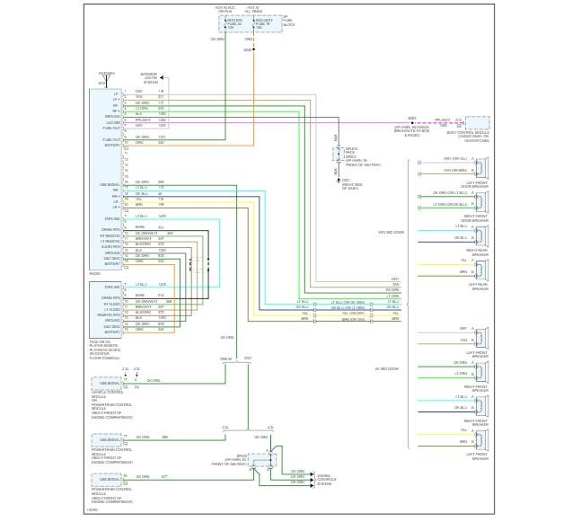
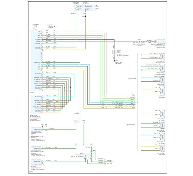
Here are updated wiring diagrams for the stereo and a guide to help test the connections:
https://www.2carpros.com/articles/how-to-check-wiring
Check out the diagrams (below). Please let us know what happens.
Images (Click to make bigger)
Was this
answer
helpful?
Yes
No
Monday, October 5th, 2020 AT 11:32 AM
Please
login
or
register
to post a reply.
Related Radio Wiring Content
Anti-theif Radio Code
I Recently Had To Change My Battery In My 2002 S10 Pick Up Truck. Stupid Here Didn't Write Down The Security Code. I Now Have Inop Display...
Asked by
igiveup
·
1 ANSWER
CHEVROLET S-10
2004 Chevy S-10 Speedometer, Dashboard And Stereo...
Electrical Problem 2004 Chevy S-10 Four Wheel Drive Automatic Over The Weekend, My Husband And I Attempted To Replace The Stock...
Asked by
mrs_nielsen
·
1 ANSWER
2004
CHEVROLET S-10
2001 Chevy S-10 Unidentified Part
2001 Chevy S-10 4 Cyl Automatic 84000 Miles We Were Looking On The Drivers Side, Inside The Dash, Under The Speaker, Furthest From...
Asked by
hobbst13
·
3 ANSWERS
2001
CHEVROLET S-10
1990 Chevy S10 Gas Pedal
I Have A 1990 Chevy S10 2wd, And It Seems Hard To Press The Gas Pedal Smoothly Especially In Traffic. I Have To Press It Kinda Hard To Get...
Asked by
project 93
·
2 ANSWERS
1990
CHEVROLET S-10
1993 Chevy S-10 Holding Down Gas Pedal To Start And...
My S10 Recently Started Acting Up, The Only Way To Start The Truck Is To Hold Down The Gas Pedal, Once Its Started You Must Continue To...
Asked by
heathman914
·
1 ANSWER
1993
CHEVROLET S-10
VIEW MORE
Ask a Car Question. It's Free!
How to Use a Test Light
Window Switch Replacement and Test
Seat Switch Replacement