Thursday, May 4th, 2017 AT 11:50 AM
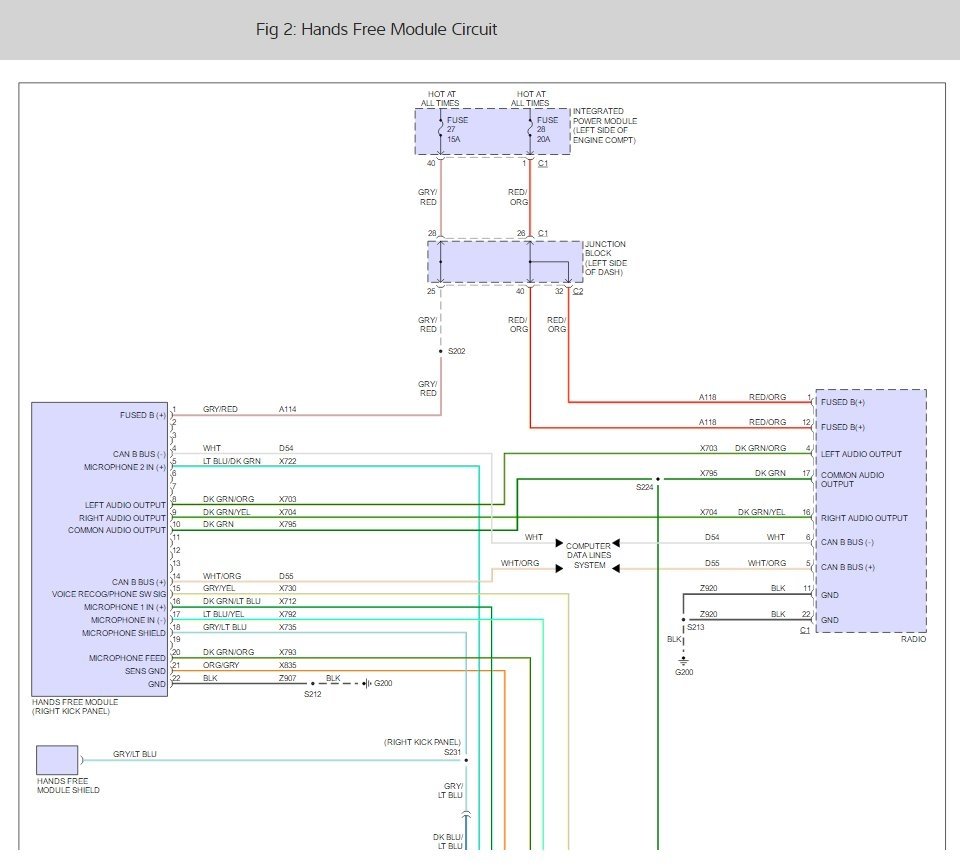
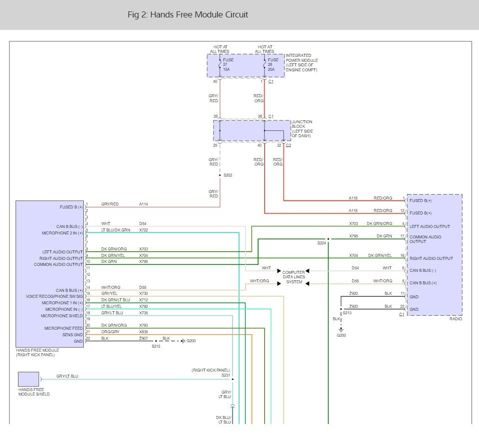
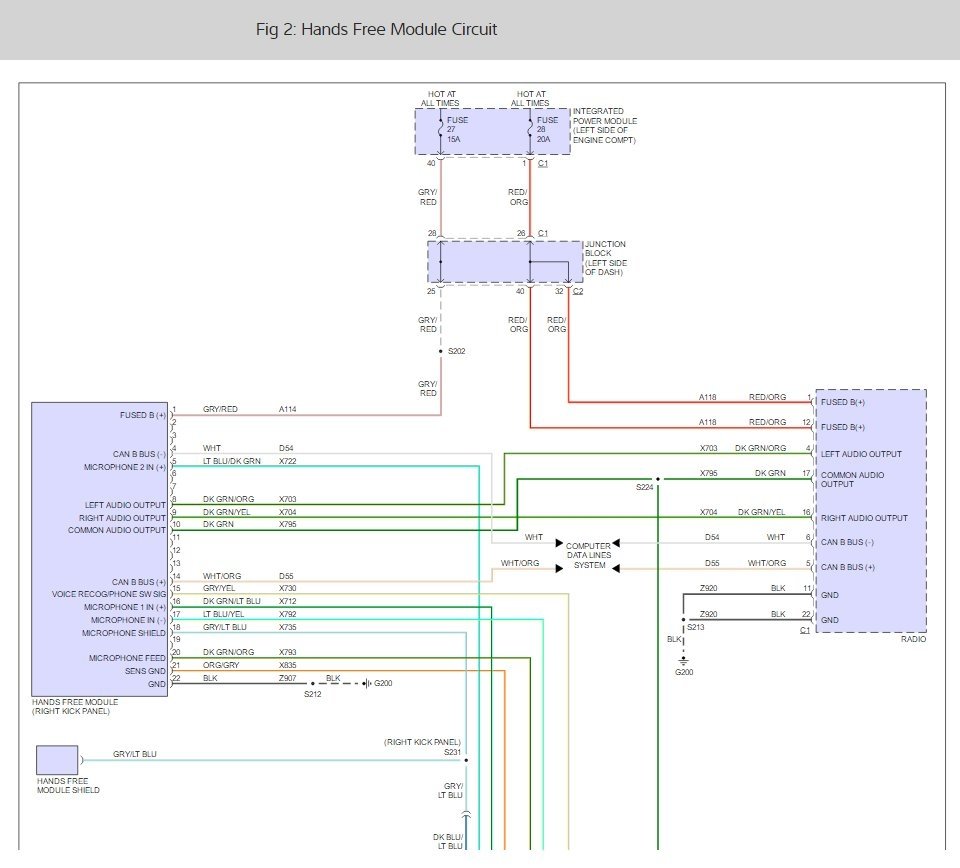
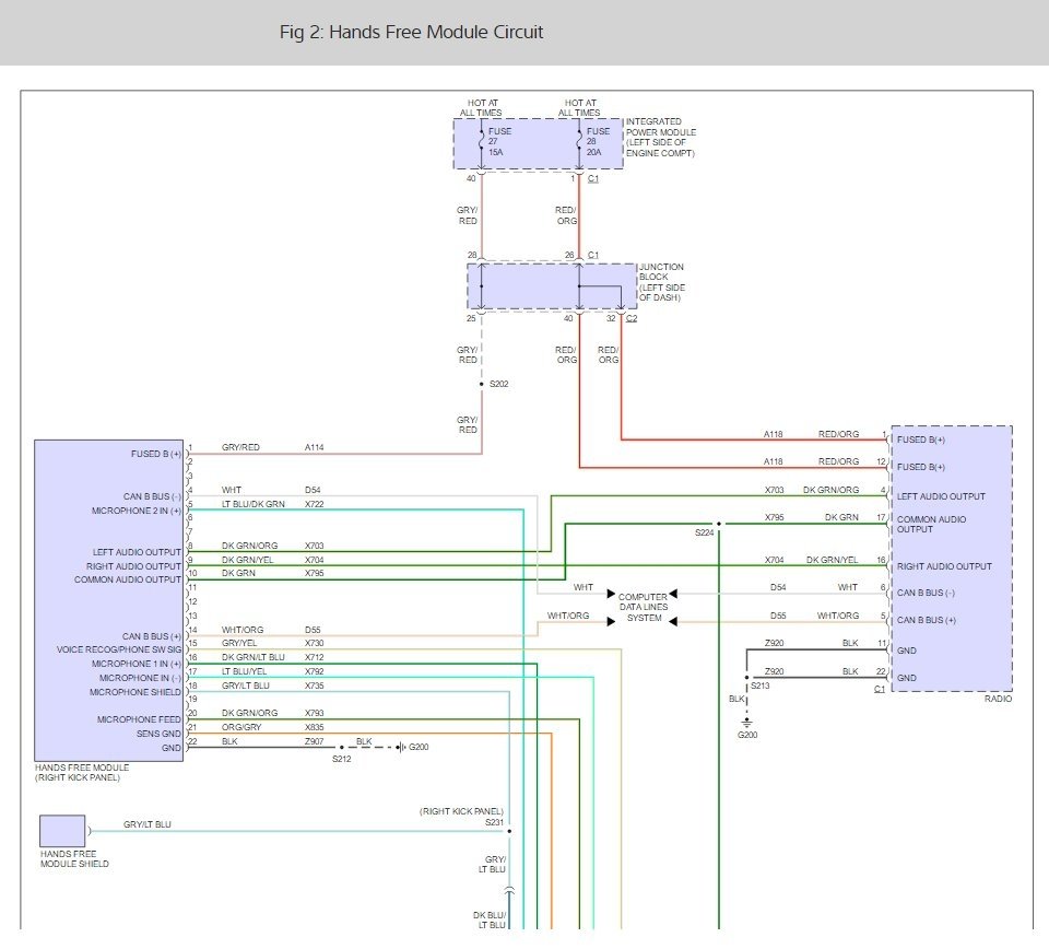
I wanted to add an amp to my aftermarket stereo when I had the whole wiring harness out of the dash and everything dangling I guess two wires shorted each other out so now my radio will not turn on. The radio was still plugged in when I had two wires touched. I did not even know the battery was plugged in. I am pretty sure I was testing the amp would turn on my radio is a Kenwood it is around $129.00 it is one of the little ones with out the screen. I also plugged in the old factory stereo to the old harness and it did not work either. I checked the fuse that says it is a 30 amp pink that says something about car audio or something and it was not blown. If only it was because that would be an easy fix. I do not want to find the wire that is broken inside the dash so I went ahead and purchased some good wire and connectors and everything made a right that goes to the factory radio with a fuse to the battery grounded it with a separate wire and added the ignition wire to the cigarette lighter that turns on with the key and it still does not work. Help!






