Car starts in ACC position?

Tiny
CWEBSTER#1
  • MEMBER
  • 2009 HYUNDAI SONATA
  • 2.4L
  • 4 CYL
  • 2WD
  • AUTOMATIC
  • 220,000 MILES
Brand new starter, brand new ignition switch, and it starts in acc position and will not stop unless you put it in reverse or drive. I know it shouldn't do that it supposed to crank in start position and disengage in the on position. Please help me so I can fix it for my wife.
Sunday, June 30th, 2024 AT 2:31 PM

23 Replies

Tiny
STEVE W.
  • MECHANIC
  • 15,700 POSTS
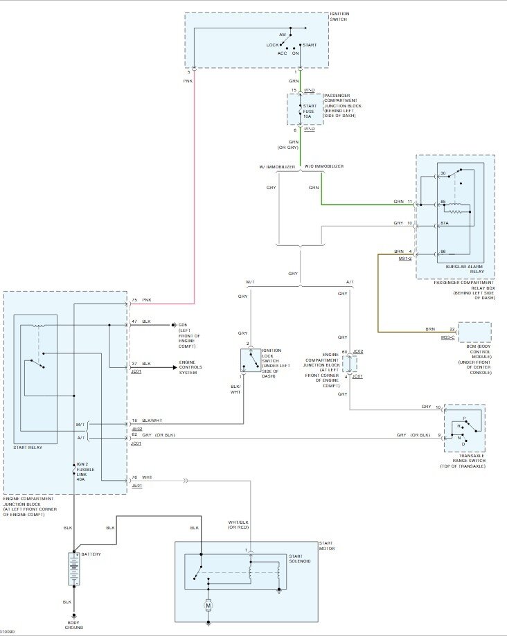
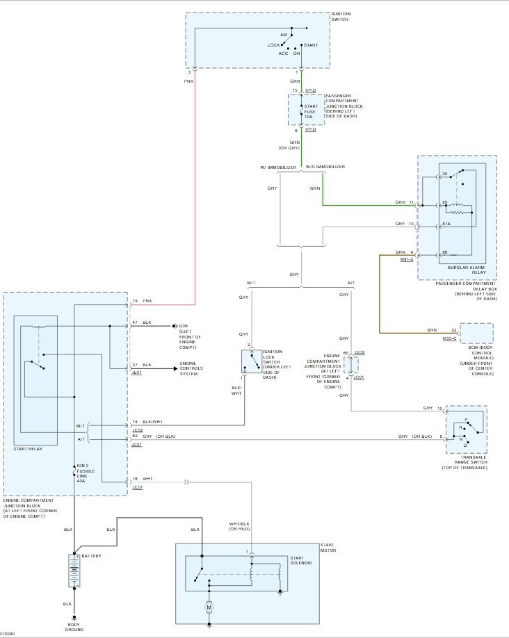
Was it doing this before the new parts? Does it have anything like an aftermarket alarm or remote start? From the description it sounds like either the switch connector or wiring is shorted or perhaps the start relay is fused shut.
To start testing we will pull the start fuse from the fuse block under the left side of the dash and see if it still does it. If it stops then I would look at the connector to the switch real close to see if one of the pins got bent and is shorting in the connector.
Was this
answer
helpful?
Yes
No
+1
Sunday, June 30th, 2024 AT 5:00 PM
Tiny
CWEBSTER#1
  • MEMBER
  • 16 POSTS
Thanks but I haven't had the chance to fix it yet but when I do I will let you know.
Was this
answer
helpful?
Yes
No
Tuesday, July 9th, 2024 AT 11:59 AM
Tiny
STEVE W.
  • MECHANIC
  • 15,700 POSTS
No rush, update us as and when you can.
Was this
answer
helpful?
Yes
No
Tuesday, July 9th, 2024 AT 5:00 PM
Tiny
CWEBSTER#1
  • MEMBER
  • 16 POSTS
Just took the start fuse out and checked and it didn't do it, so what's next?
Was this
answer
helpful?
Yes
No
Wednesday, July 10th, 2024 AT 5:22 PM
Tiny
CWEBSTER#1
  • MEMBER
  • 16 POSTS
Images of connector on the switch.
Was this
answer
helpful?
Yes
No
Wednesday, July 10th, 2024 AT 5:44 PM
Tiny
STEVE W.
  • MECHANIC
  • 15,700 POSTS
Okay, so you pulled the fuse, and it stopped trying to start in ACC? In that case take a test light connected to ground and go to the start fuse again. Turn the key to ACC and then touch both of the contacts where the fuse was. Watch the light, now turn the key to start and hold it and probe again. If the light comes on in ACC there is a problem in the switch or its wiring. It should only come on in start. You said the switch was replaced? Was that for this same issue and is the switch OEM of aftermarket?

https://www.2carpros.com/articles/how-to-use-a-test-light-circuit-tester
Was this
answer
helpful?
Yes
No
Wednesday, July 10th, 2024 AT 6:38 PM
Tiny
CWEBSTER#1
  • MEMBER
  • 16 POSTS
No, it wasn't for the same reason someone tried to steal or crank it with a flathead screwdriver, and we had to replace the switch after that, but it wasn't doing that when the switch was replaced it started doing that months after.
Was this
answer
helpful?
Yes
No
Wednesday, July 10th, 2024 AT 9:58 PM
Tiny
CWEBSTER#1
  • MEMBER
  • 16 POSTS
We even replaced that switch again recently.
Was this
answer
helpful?
Yes
No
Wednesday, July 10th, 2024 AT 9:59 PM
Tiny
STEVE W.
  • MECHANIC
  • 15,700 POSTS
Okay, you replaced the key cylinder and the ignition switch and after sometime this issue developed. Was anything else done? Like an aftermarket alarm or stereo? The reason I ask is that based on pulling the start fuse stopping this, there has to be some spot where the power from the accessory circuit is bridging to the starter circuit. It could even be two wires rubbed together in the harness but only through testing will we track it down.
Was this
answer
helpful?
Yes
No
Thursday, July 11th, 2024 AT 4:31 PM
Tiny
CWEBSTER#1
  • MEMBER
  • 16 POSTS
No aftermarket alarm or aftermarket stereo all of that is original that's why I don't understand myself but hopefully stick with me please because she really needs this fix so she can be okay, and I can be okay so if you can whatever you can do help me, please.
Was this
answer
helpful?
Yes
No
Friday, July 12th, 2024 AT 6:07 AM
Tiny
CWEBSTER#1
  • MEMBER
  • 16 POSTS
Oh, and I just want to thank you for responding and going this far with me and sticking with me. Thank you so much
Was this
answer
helpful?
Yes
No
Friday, July 12th, 2024 AT 6:08 AM
Tiny
CWEBSTER#1
  • MEMBER
  • 16 POSTS
When it first started for a minute the starter got replaced okay then it still was doing it so we replaced it ignition switch still doing it and the other day when I cranked it I checked it out I started it in the start position and turn it back to on and it didn't do it so I was like okay it's great now but when we drove it for a while then cut it off at any store or anything after that when I turned it off and cranked it up started doing it again.
Was this
answer
helpful?
Yes
No
Friday, July 12th, 2024 AT 6:11 AM
Tiny
CWEBSTER#1
  • MEMBER
  • 16 POSTS
I forgot to mention that it cranks in ACC it actually starts only thing will make it stop it when you put it in reverse and drive.
Was this
answer
helpful?
Yes
No
Friday, July 12th, 2024 AT 6:13 AM
Tiny
STEVE W.
  • MECHANIC
  • 15,700 POSTS
Okay, based on everything so far, the issue isn't in the starter or the starting circuit itself. It has to be in the switch or the wiring harness. The fact that it stopped doing it but then it came back also suggests it's in the wiring. What it sounds like is that power is jumping from the acc/run circuit side of the switch to the start circuit. The problem could be right in the harness near the switch. Another question, when you turn the key and the starter turns the engine over, does the starter stop turning if you move the key to the run position? If you cannot tell, you could remove the SNSR fuse 3 in the fuse box under the hood, that would disable the fuel injectors so that the engine won't start. If you turn the key to ACC and it keeps trying to start in the ACC and ON then it's a short in the wiring.
Was this
answer
helpful?
Yes
No
Saturday, July 13th, 2024 AT 2:32 PM
Tiny
CWEBSTER#1
  • MEMBER
  • 16 POSTS
Could it be the wires on the starter?
Was this
answer
helpful?
Yes
No
Saturday, July 13th, 2024 AT 2:40 PM
Tiny
STEVE W.
  • MECHANIC
  • 15,700 POSTS
Nope. If they were the cause it wouldn't respond to the key or fuse and it wouldn't be intermittent.
Was this
answer
helpful?
Yes
No
Saturday, July 13th, 2024 AT 2:53 PM
Tiny
CWEBSTER#1
  • MEMBER
  • 16 POSTS
I did what you said I removed the start fuse and used the tester light turned it to ACC no response did it would start a little but no response for ACC so tell me something at this point I need some help.
Was this
answer
helpful?
Yes
No
Saturday, July 13th, 2024 AT 3:57 PM
Tiny
CWEBSTER#1
  • MEMBER
  • 16 POSTS
I'm sorry it's not doing it in acc it's doing it in the on position it cranks in the on position and stayes engaged unless you put it in reverse or drive and I noticed as you moved the shifter the dash and radio goes blank unless you move it from that position.
Was this
answer
helpful?
Yes
No
Saturday, July 13th, 2024 AT 4:44 PM
Tiny
STEVE W.
  • MECHANIC
  • 15,700 POSTS
Okay, so you turn the key to on and the starter spins and stays spinning unless you shift it. Still not the starter or starter relay circuit but it might be easier to find the fault knowing the starter stays engaged.
Was this
answer
helpful?
Yes
No
Saturday, July 13th, 2024 AT 6:53 PM
Tiny
CWEBSTER#1
  • MEMBER
  • 16 POSTS
Sorry, I'm wrong it cranks and runs as soon as you turn it to the on position.
Was this
answer
helpful?
Yes
No
Saturday, July 13th, 2024 AT 10:43 PM

Please login or register to post a reply.