Driver's seat will not Move forward

Tiny
LA.VERO
  • MEMBER
  • 2003 INFINITI G35
  • 6 CYL
  • 2WD
  • AUTOMATIC
  • 229,357 MILES
I moved the driver seat back and not wont go forward. It moves back just not forward. Please help
Thursday, January 9th, 2020 AT 2:04 PM

1 Reply

Tiny
KASEKENNY
  • MECHANIC
  • 18,907 POSTS
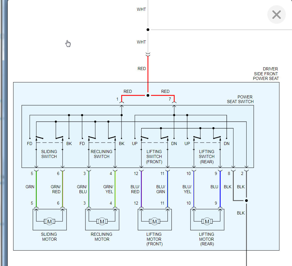
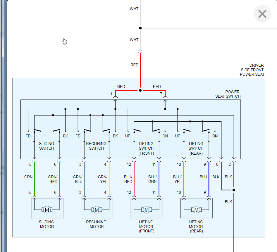
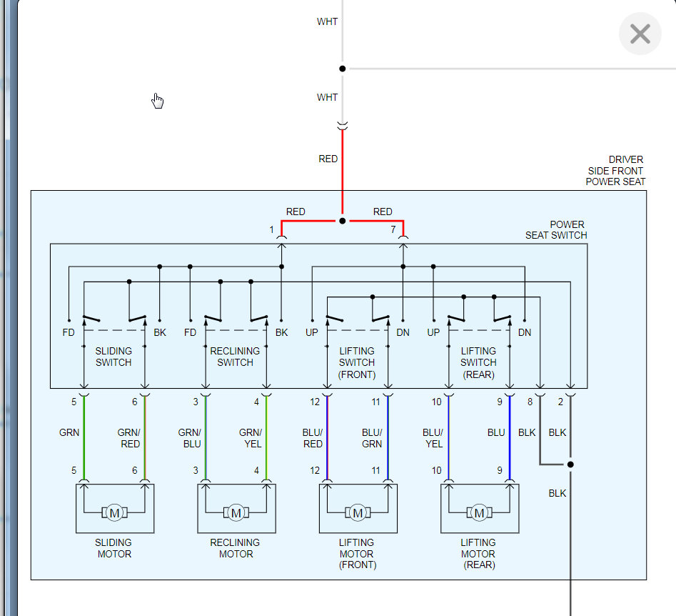
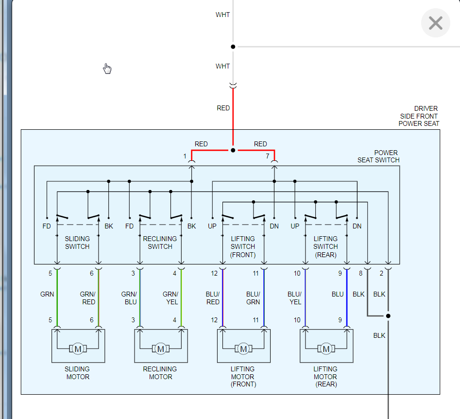
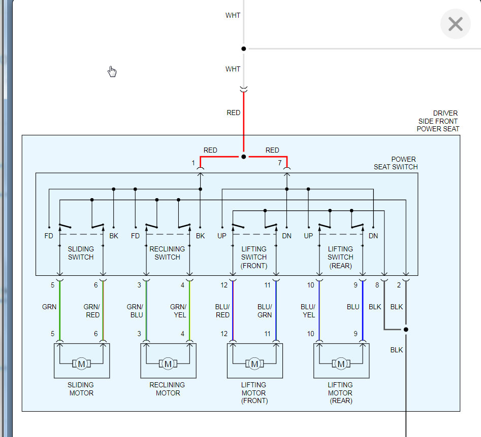
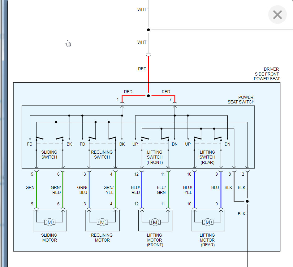
I assume you have power seats and it will not move forward when hitting the switch forward. If this is the case the most likely failure is the switch. The way this works is when you press the switch forward it sends power through that motor in one direction. When you press it in the opposite direction is sends power back through the other way of the same motor which causes it to spin the other direction.

More than likely when you press the switch forward it is just not sending power and needs to be replaced.

You can test this by measuring power on the forward pin or FD pin for the sliding motor. See the attached wiring diagram. I assume you should have 12 volts on that pin at the motor when pressed forward. You can always compare that to the passenger side just to make sure.

If this is the case, I would replace the switch.

https://www.2carpros.com/articles/how-to-check-wiring
Was this
answer
helpful?
Yes
No
Thursday, January 9th, 2020 AT 3:51 PM

Please login or register to post a reply.