Car makes a single "Click" sound when I try to crank it?

Tiny
ROJOKNIGHT
  • MEMBER
  • 2000 FORD MUSTANG
  • 3.8L
  • V6
  • 2WD
  • AUTOMATIC
  • 146,000 MILES
Anytime I attempt to crank my car it makes a single "click" then it makes another sound when I release the key. I took the starter out and tested it with some jumper cables and a car battery and it suck up and spun fine. I'm new to car work so I am most likely missing something simple lol any advice would be helpful. I also have a video to show you the sound it's making.
Wednesday, April 26th, 2023 AT 8:02 PM

1 Reply

Tiny
CARADIODOC
  • MECHANIC
  • 34,489 POSTS
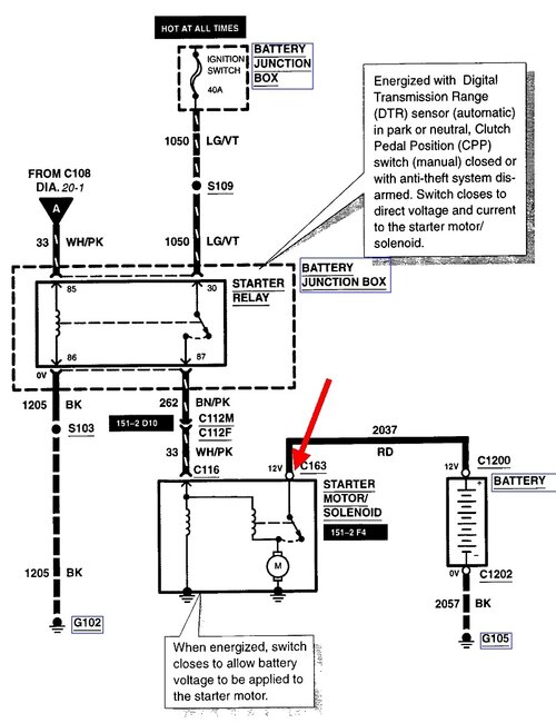
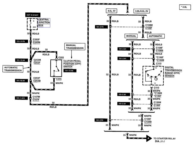
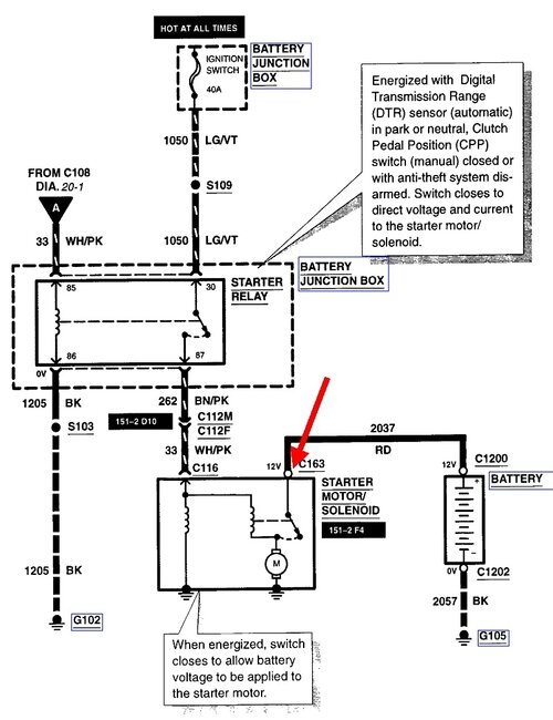
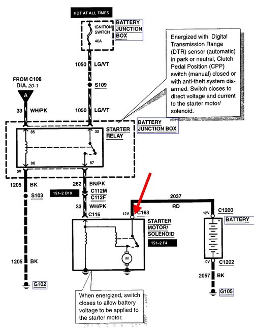
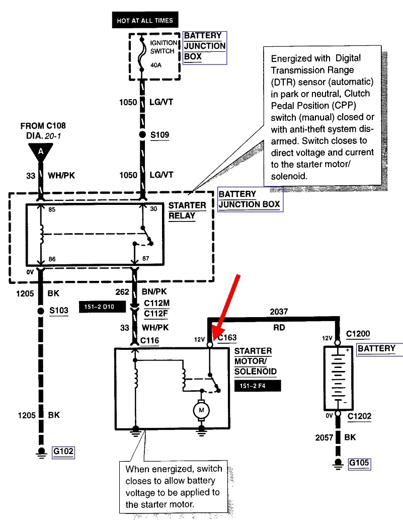
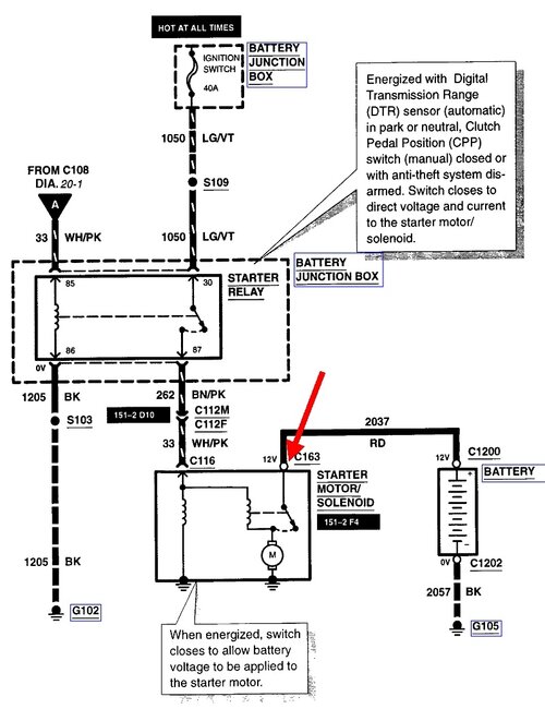
Your dandy video says it all. Removing a starter or generator for testing is not a good way to do it. Starters in particular won't be under a load, so even one with a problem can appear to work just fine. These two diagrams are for your entire starter system. We only need the second one. The defect has to be in the fat red positive battery cable, or in the starter solenoid itself. Everything else has to be working because that is what runs the solenoid, and the solenoid is what's making that single loud clunk.

The 12 volts is being lost somewhere in the circuit with that fat red cable. Use a test light connected to the large battery terminal on the starter solenoid. I doubt you need this, but for the benefit of others researching this topic, here's a link to an article on how to use a test light:

https://www.2carpros.com/articles/how-to-use-a-test-light-circuit-tester

You can use a digital voltmeter too, but the test light is faster and can be more accurate for this type of problem. You're going to find the test light is bright when touched to the larger terminal on the solenoid. Hold it there and watch what happens to its brightness when a helper tries to crank the engine. If it stays bright, the contacts inside the solenoid are arced away. Those can be easily replaced on some starters such as on Nippondenso's. For others it's easier to just replace the starter. When cranking the engine, Ford and older GM starters can easily draw almost 300 amps to get started spinning, then it will quickly drop down to as low as 150 amps or less. Burned or arced solenoid contacts can't pass that much current, so you get that loud clunk with no motor rotation. When testing off the engine and no load on the starter, it can get up and spinning with far less than 50 amps, and even less once it's spinning. Burned solenoid contacts usually can still pass that little current, so the motor spins and falsely appears to be okay.

If the test light goes out during the attempted cranking, there's a bad connection on that red positive battery cable. Ford has had a lot of trouble with the copper strands corroding away under the insulation where you can't see it, particularly on the starter end. That's much less common on the battery end.

During these voltage tests, clip the test light's ground clip to the battery's negative post, not to the engine. If you find it stays bright during the attempted cranking, touch the probe to the starter's housing. If it glows or gets bright during cranking, the ground cable is the one with the bad connection or corroded wire.

Let me know what you find, then we'll figure out where to go next.
Was this
answer
helpful?
Yes
No
Wednesday, April 26th, 2023 AT 8:55 PM

Please login or register to post a reply.