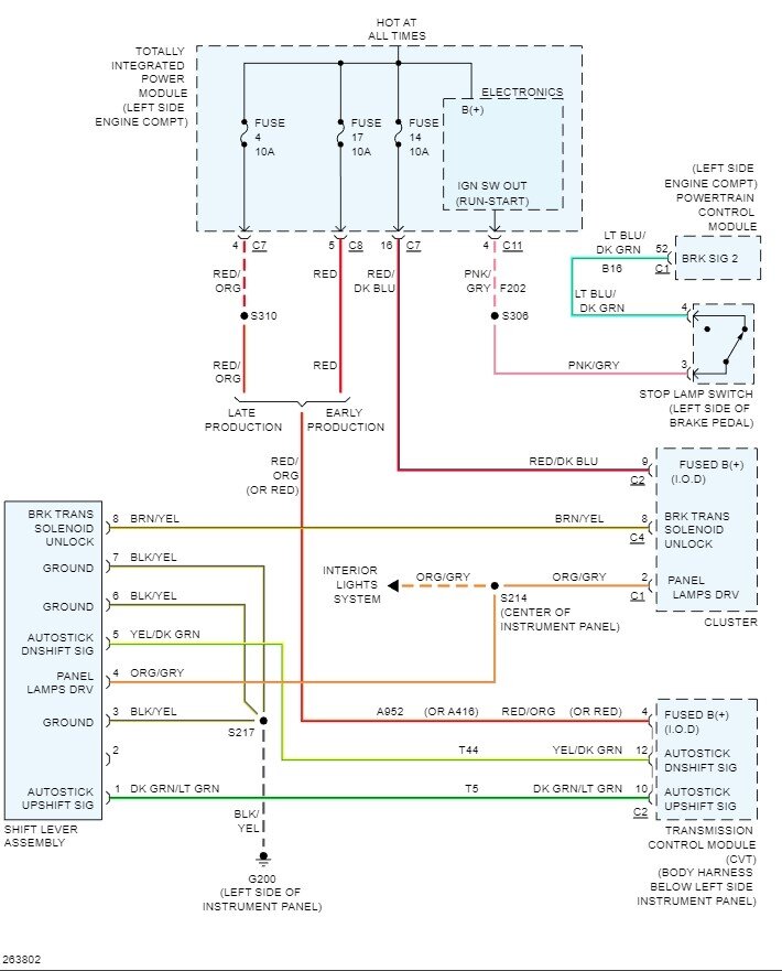
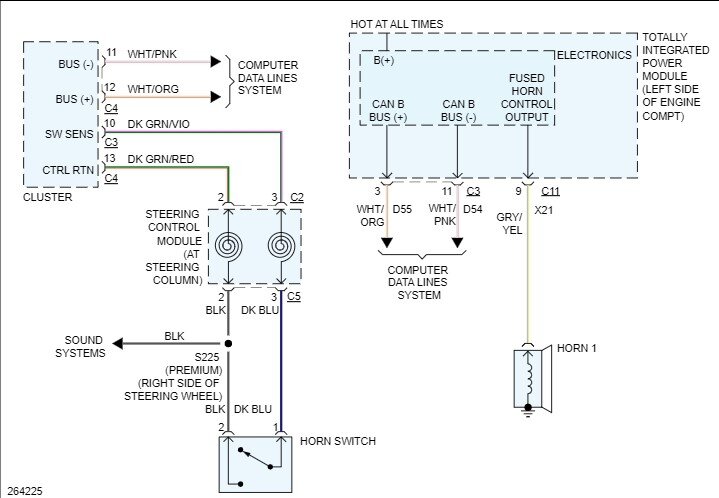
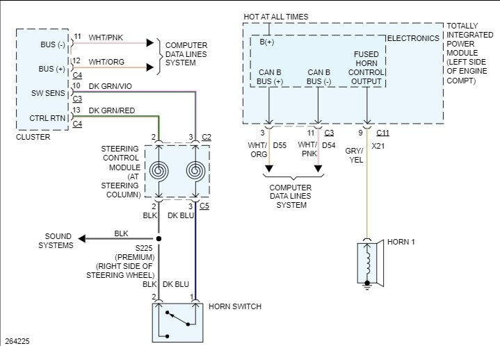
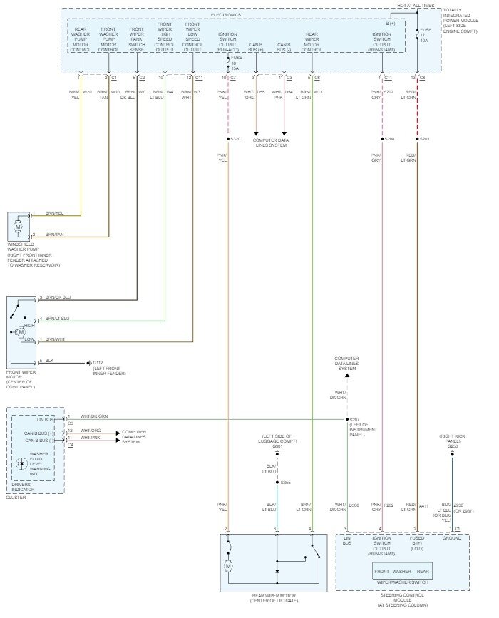
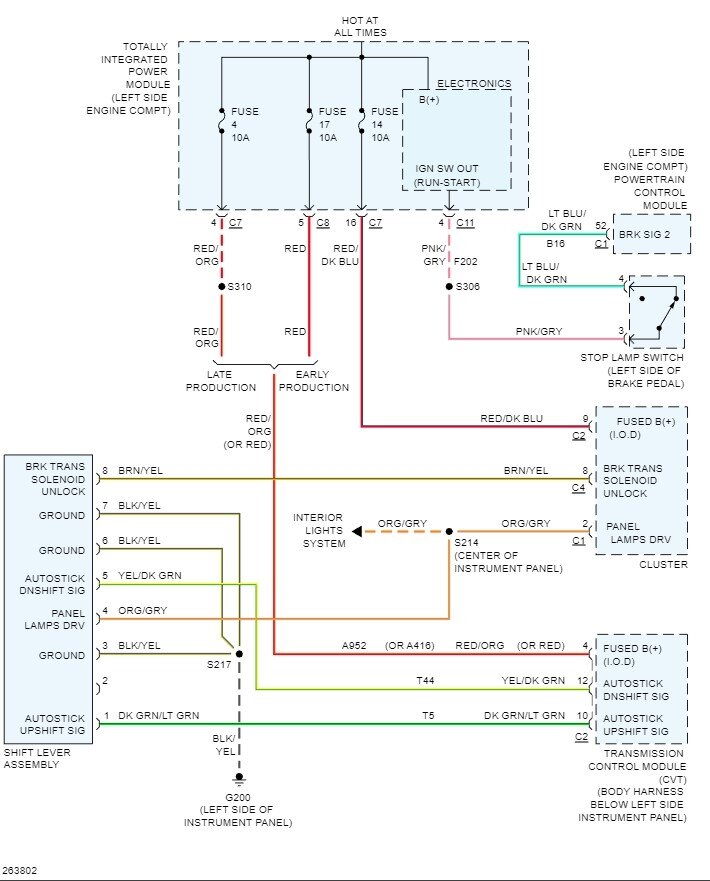
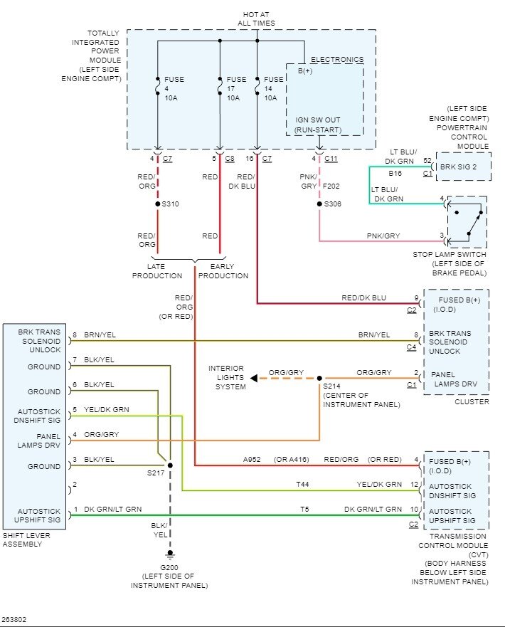
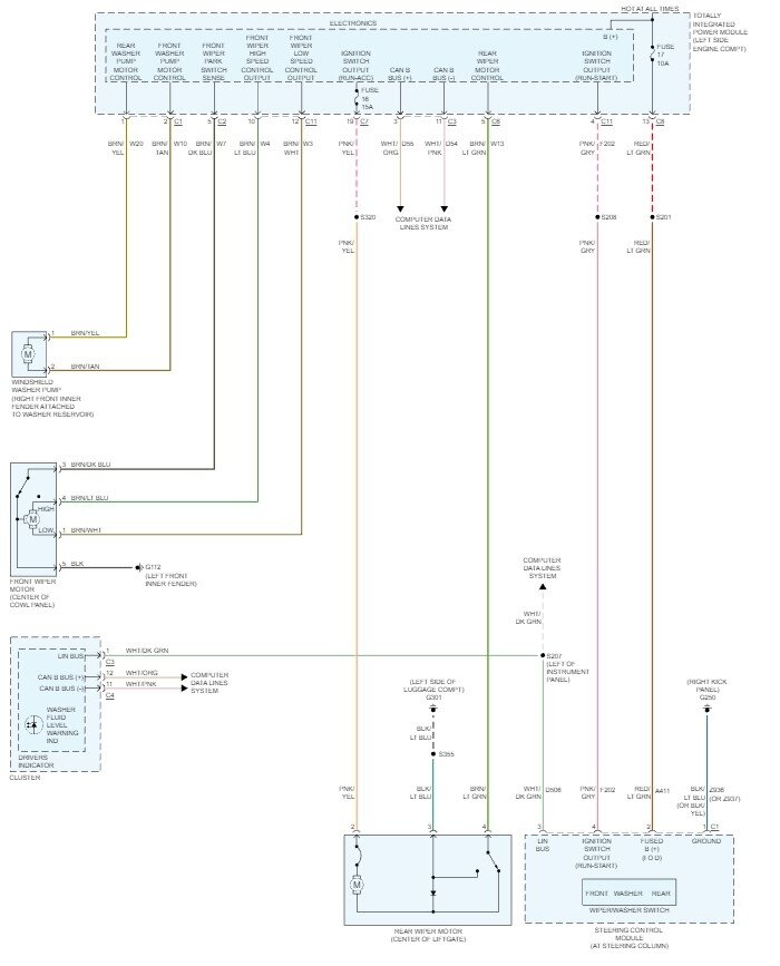
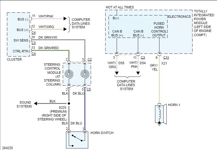
What would cause the wipers, horn and electric locks to go out at the same time along with not being able to get it out of park?

Tiny
JPREED15
  • MEMBER
  • 2007 JEEP COMPASS
  • 2.4L
  • 4 CYL
  • 2WD
  • AUTOMATIC
  • 36,500 MILES
I checked all the fuses and switched relays around and no change. This just happened 2 hours ago.

It's been running perfectly until now. The car has been driven little and maintained very well.
Monday, June 19th, 2023 AT 7:14 PM

1 Reply

Tiny
STEVE W.
  • MECHANIC
  • 15,687 POSTS
The only item that is involved in all of those systems is the TIPM itself. Your issue sounds like a failure inside the TIPM that powers those systems. Replacing it isn't that difficult. Disconnect the negative cable at the battery, then release the connectors under the TIPM. Next disconnect the positive battery cable and release the clips and remove the TIPM. Install the replacement unit by reversing the process. Close the hood. Now you need to initialize the replacement. To do this you insert the ignition key and turn it to the "run" position and wait twelve seconds. The TIPM will collect the necessary vehicle configuration and VIN data from the other modules at this time. After twelve seconds turn the ignition key to the "off" position and then back to the "on" position and verify proper vehicle systems operation.
Was this
answer
helpful?
Yes
No
Monday, June 19th, 2023 AT 9:04 PM

Please login or register to post a reply.