Car ignition not working properly

Tiny
LUIS15
  • MEMBER
  • 2002 MERCURY MOUNTAINEER
  • 4.0L
  • 6 CYL
  • 4WD
  • AUTOMATIC
  • 250,000 MILES
I have this issue when I turn the key to turn off engine and try to turn it back on again it doesn’t turn on, but when I turn off the headlights it turns on. I recently changed the starter and checked the alternator and battery, and they were good.
Saturday, November 20th, 2021 AT 5:19 AM

10 Replies

Tiny
KASEKENNY
  • MECHANIC
  • 18,907 POSTS
Just to confirm what is happening, when the engine is running and you shut it off and leave the headlights on, then try to restart it, the vehicle will not start until you shut the head lights off?

If this is the case, how long are you leaving it off with the head lights on?

Also, when you try to restart it, what happens? Does it just click or does the engine turn over but doesn't actually start?

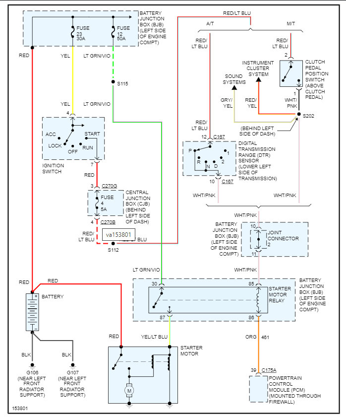
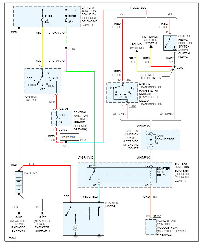
Here is a guide that will help get us started on starter issues which is what this sounds like. Clearly the head lights don't affect the starter operation other than pulling the cranking amps down by draining/using voltage.

https://www.2carpros.com/articles/starter-not-working-repair

Lastly, was this happening prior to the starter being replace or is only on this starter?

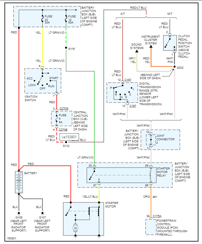
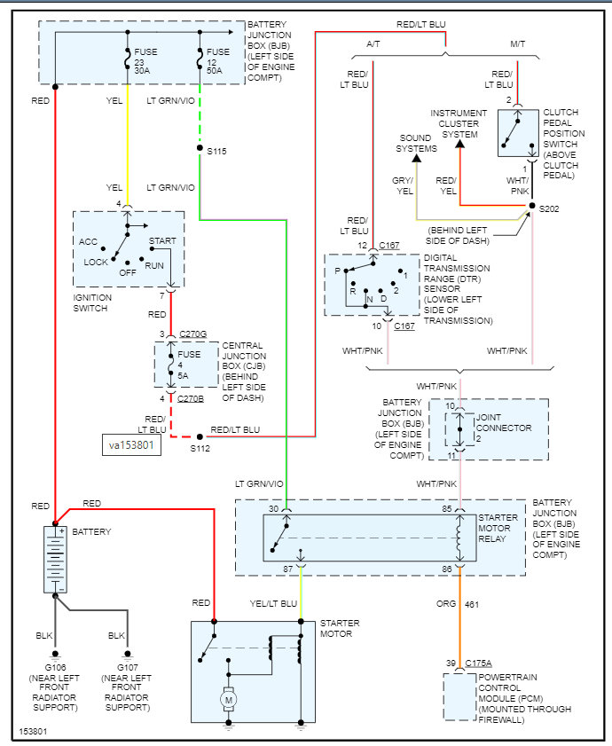
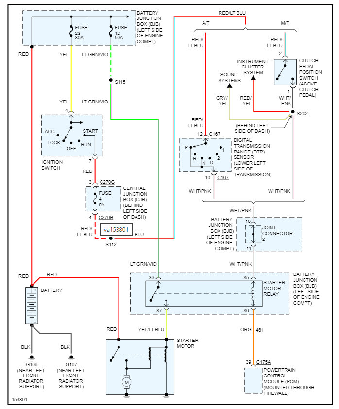
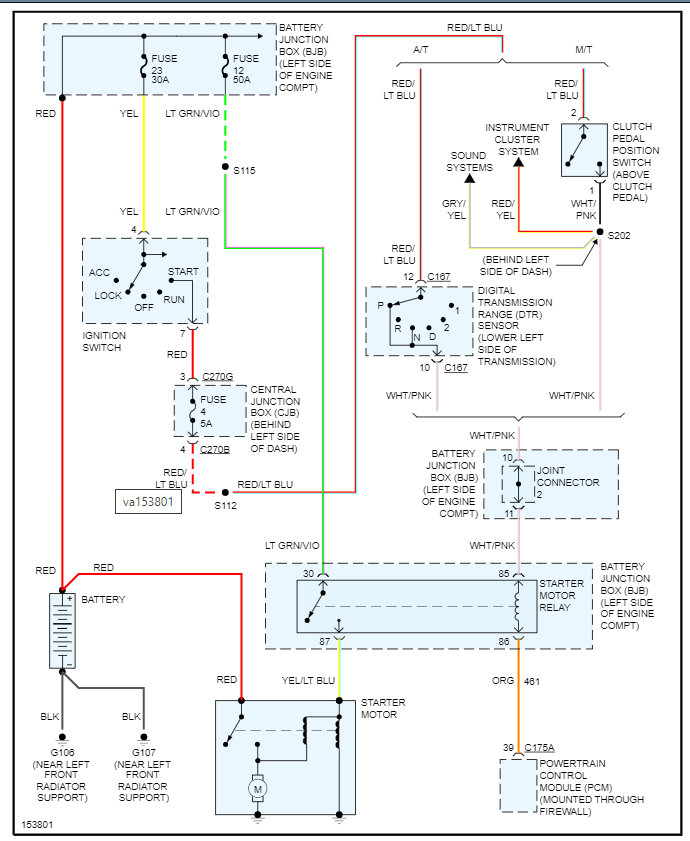
I suspect the best place to start based on the response to all these questions is to check the voltage at the starter when this is happening.

https://www.2carpros.com/articles/how-to-check-wiring

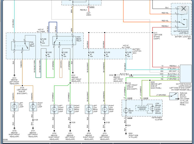
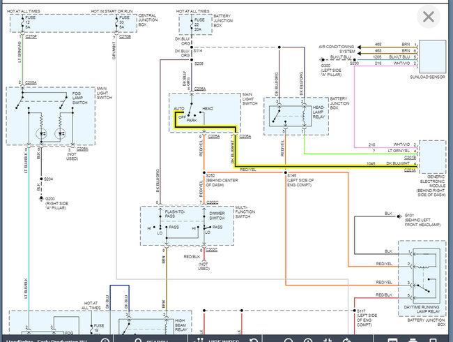
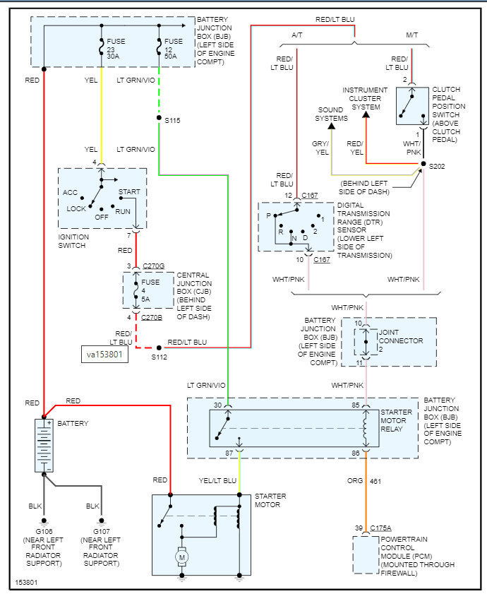
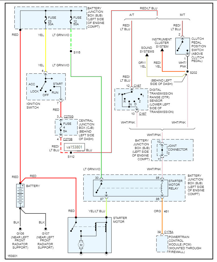
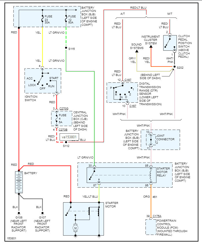
Below is the wiring diagram that will help with finding out what the voltage is at the starter which is going to be important in telling us what direction to go.
Was this
answer
helpful?
Yes
No
Sunday, November 21st, 2021 AT 12:16 PM
Tiny
LUIS15
  • MEMBER
  • 19 POSTS
It has been happening before I replaced the starter, and I decided to change the starter and got it tested before getting it replaced and the results were good it was a working starter, the car doesn’t make no click or no noise and it only happens when I have the automatic headlights on but when I turn them off manually and turn the key the car turns on like nothing happens. Also when I turn the key when the automatic lights are on the only thing that turns on is the electronics like the radio and stuff.
Was this
answer
helpful?
Yes
No
Sunday, November 21st, 2021 AT 3:31 PM
Tiny
KASEKENNY
  • MECHANIC
  • 18,907 POSTS
That is odd and can say I don't remember ever seeing this issue.

However, I am sure we can figure this out.

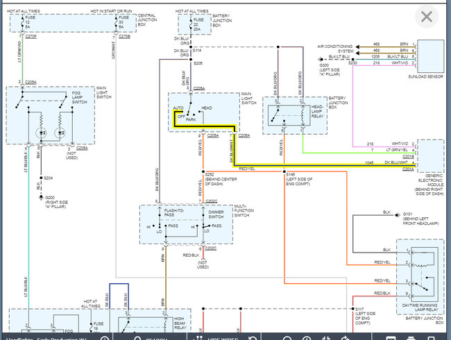
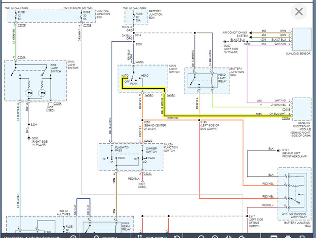
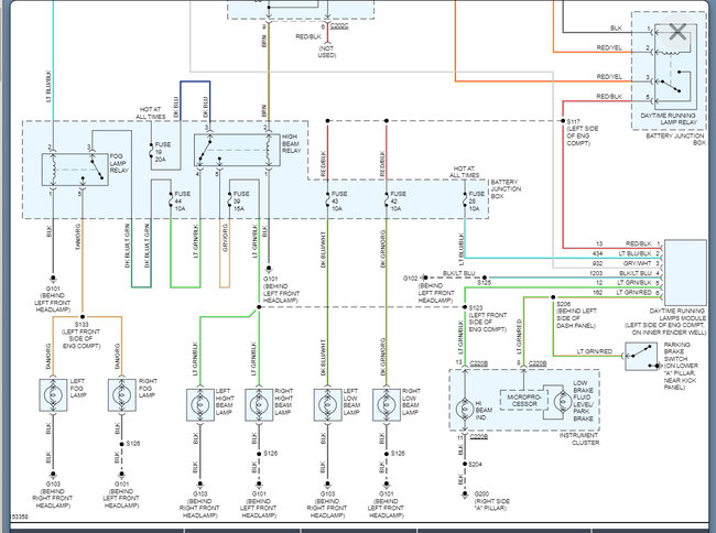
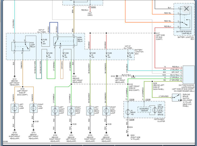
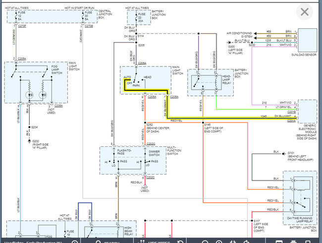
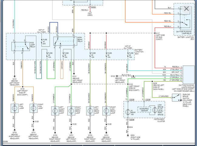
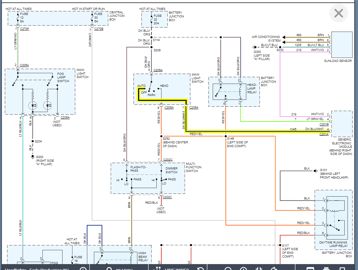
I suspect we have an issue with the GEM. This is the general electronic module, and it is the only real tie between the ignition and auto lamps.

Take a look at the last attachments. It basically tells you that functionality of the GEM may be erratic based on ignition switch inputs.

So, I think this is just the reverse. The GEM controlled function is causing ignition switch issues.

Does the theft light remain on when this is happening? If so, that is why you are not getting any starting function.

Even if it doesn't, we need to check the voltage on pin 4 of connector A and then 13 on the same connector.

Let's start with this and go from there. Thanks
Was this
answer
helpful?
Yes
No
+1
Sunday, November 21st, 2021 AT 6:55 PM
Tiny
LUIS15
  • MEMBER
  • 19 POSTS
Okay, thank you. I will check.
Was this
answer
helpful?
Yes
No
Monday, November 22nd, 2021 AT 10:13 AM
Tiny
LUIS15
  • MEMBER
  • 19 POSTS
One thing to add is I changed the fuse for the automatic lights as the previous one was blown. Like two months ago. I checked the voltage today for pin 4 and 13 but everything seemed to be fine. Could it be a short? Should I replace the automatic light fuse again?
Was this
answer
helpful?
Yes
No
Monday, November 22nd, 2021 AT 3:37 PM
Tiny
KASEKENNY
  • MECHANIC
  • 18,907 POSTS
We should check that and make sure it is not blown but if the auto lights are working then the fuse is fine.

I think you are correct that there is a short, but I suspect it is in the GEM and not the switch or anything else.
Was this
answer
helpful?
Yes
No
+1
Monday, November 22nd, 2021 AT 4:03 PM
Tiny
LUIS15
  • MEMBER
  • 19 POSTS
How do shorts get fixed?
Was this
answer
helpful?
Yes
No
Tuesday, November 23rd, 2021 AT 10:04 AM
Tiny
KASEKENNY
  • MECHANIC
  • 18,907 POSTS
Great question. If the short is in the wiring, then that means two wires are rubbed through the insulation and the metal is touching each other. Also, a single wire can be rubbed through the insulation and touching piece of metal, and this is called a short to ground.

Basically, you need to find that wire and repair it or just overlay a whole new wire so that you eliminate the short.

However, in this case it sounds like a short within the GEM itself which means the circuit board of this module has a broken solder joint or some other issue that is causing this erratic operation.

Based on what your vehicle is doing, I would put a GEM in it or contact one of the services that will rebuild them for you.

Just do a Google search and you will pull up a few options.
Was this
answer
helpful?
Yes
No
+1
Tuesday, November 23rd, 2021 AT 12:59 PM
Tiny
LUIS15
  • MEMBER
  • 19 POSTS
Okay, thank you for your help!
Was this
answer
helpful?
Yes
No
Tuesday, November 23rd, 2021 AT 3:37 PM
Tiny
KASEKENNY
  • MECHANIC
  • 18,907 POSTS
No Problem. Let us know how this turns out. Thanks
Was this
answer
helpful?
Yes
No
Wednesday, November 24th, 2021 AT 8:06 AM

Please login or register to post a reply.